Climate control not working

2016 CHEVROLET CRUZE
76,478 MILES • 4 CYL • 2WD • AUTOMATIC
Avatar
PATREACE PARKER
  • MEMBER
  • 1 POST
Heater fan stuck on high. No lights on climate control display. Started one morning, everything else works perfect.
Oct 18, 2019 at 9:10 AM
Repair Safety Notice: This information is for general instructional purposes only. Vehicle repair can be dangerous. Verify all information, follow manufacturer service procedures, use proper tools and safety equipment, and consult a qualified repair shop when needed.
Advertisement
Avatar
STRAILER
  • CAR REPAIR CONTRIBUTOR
  • 54,189 POSTS
Hello,

This sounds like it can be the climate control module or the fan controller. To be sure we need to do a CAN scan by following this video. You can get a CAN scanner on Amazon for about $60.00.

https://youtu.be/InIlnsjOVFA

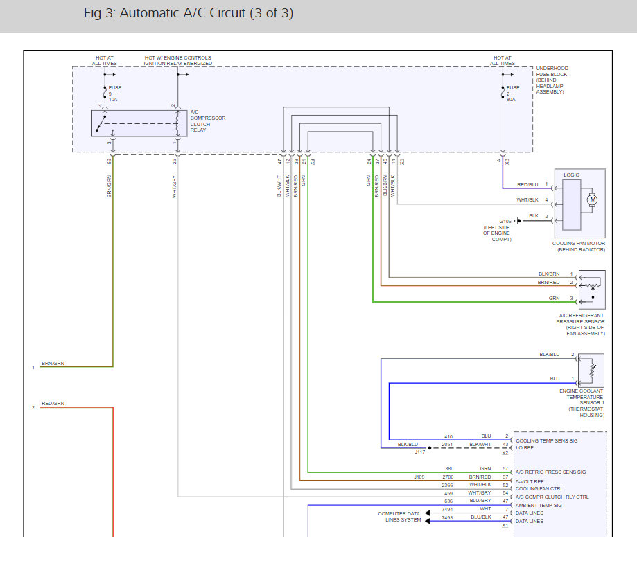
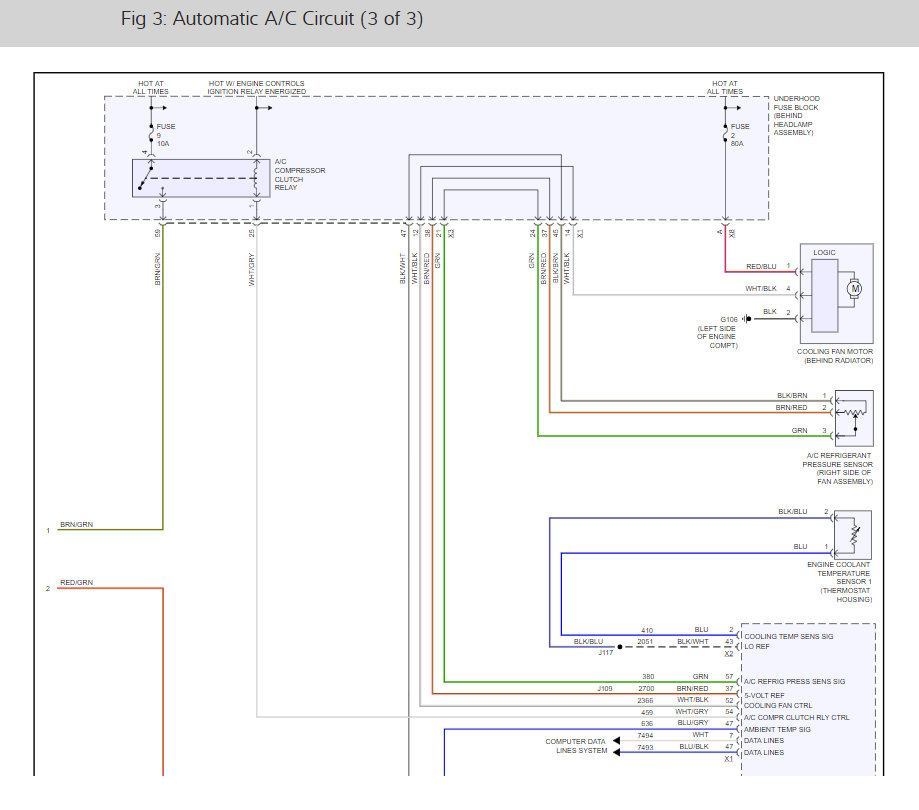
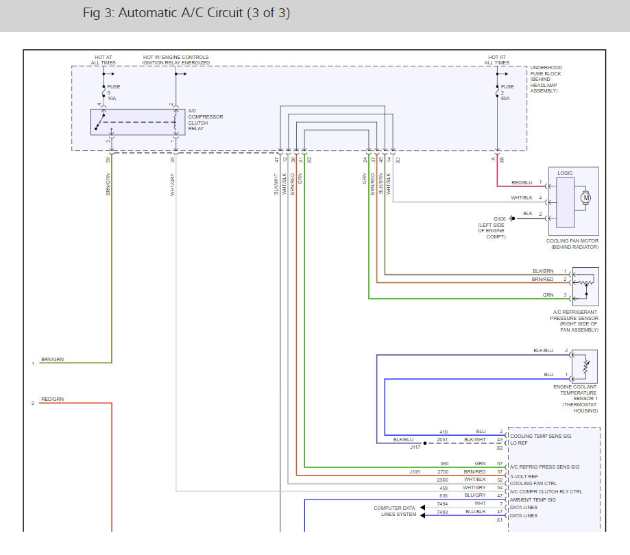
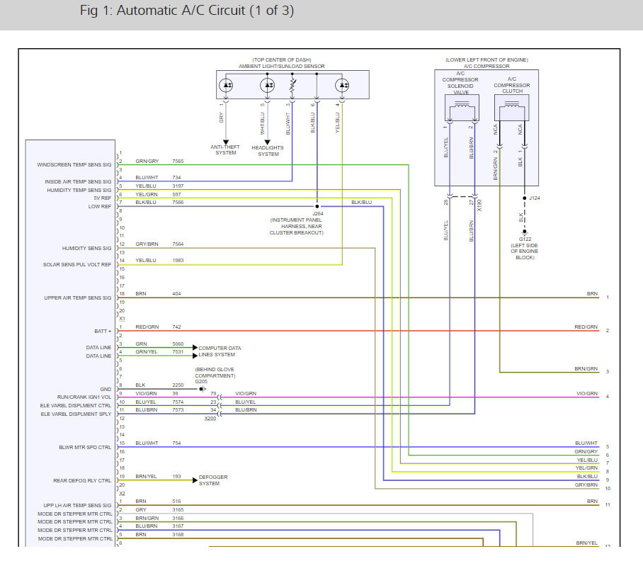
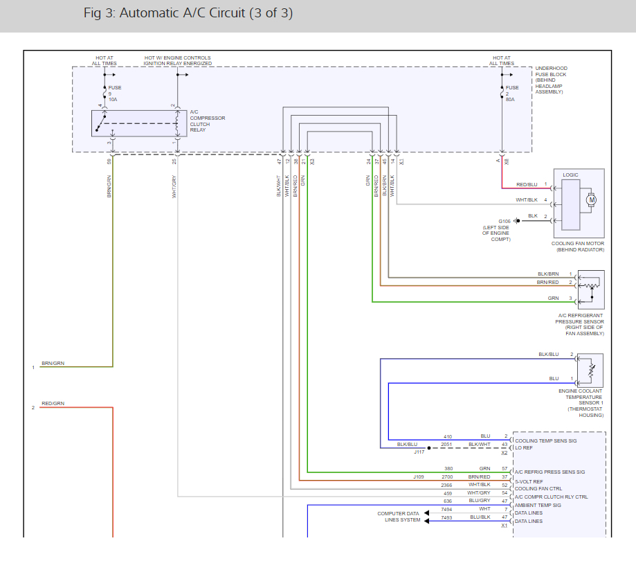
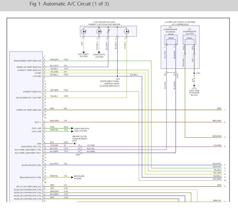
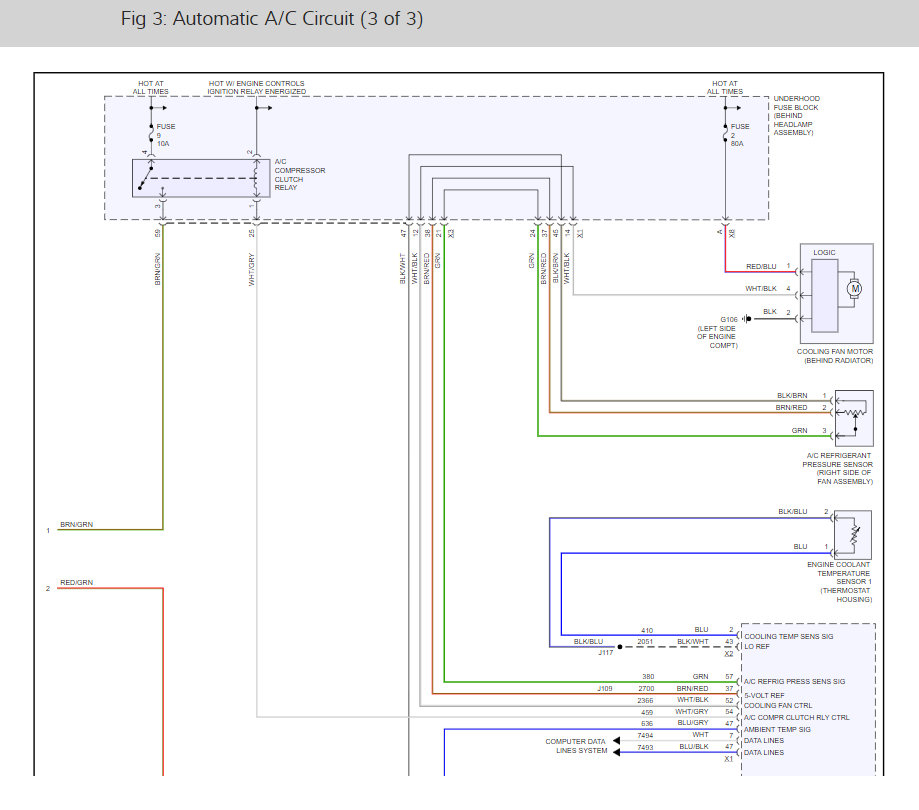
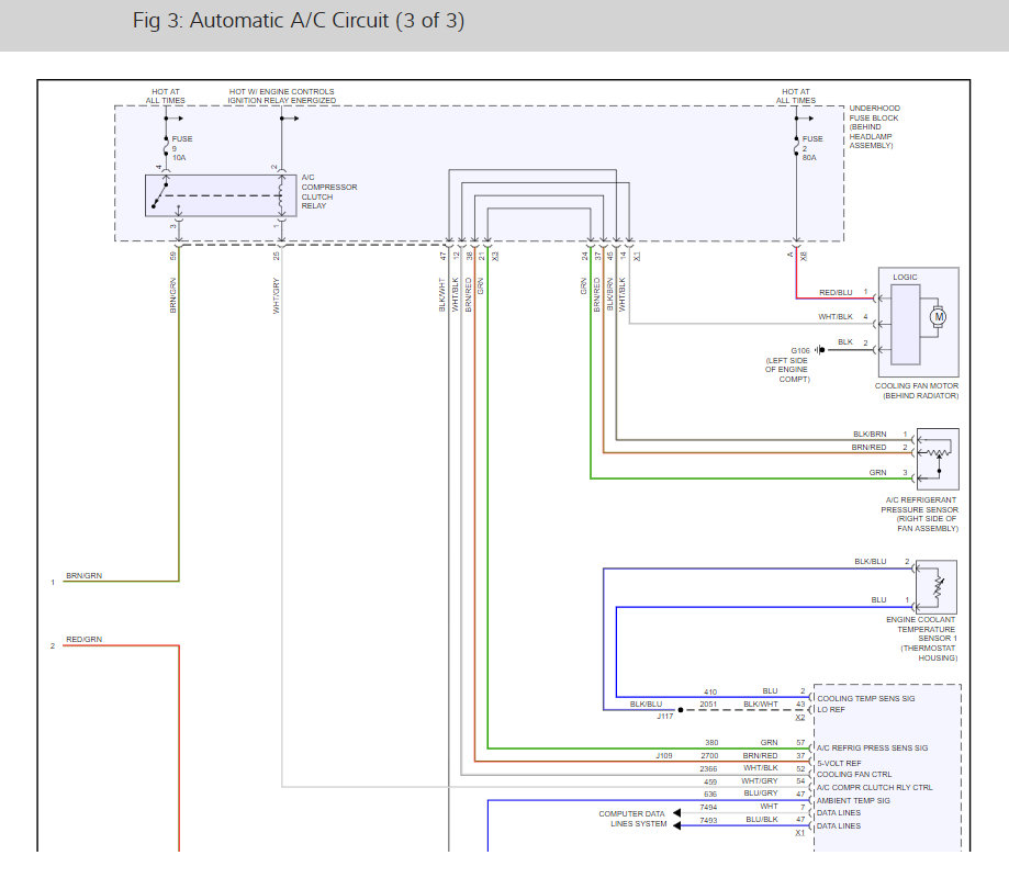
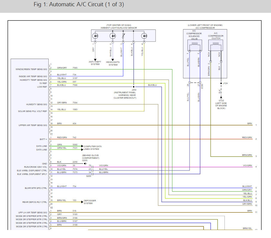
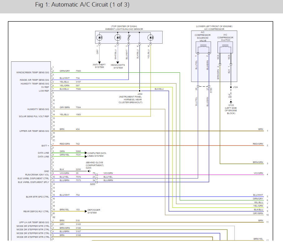
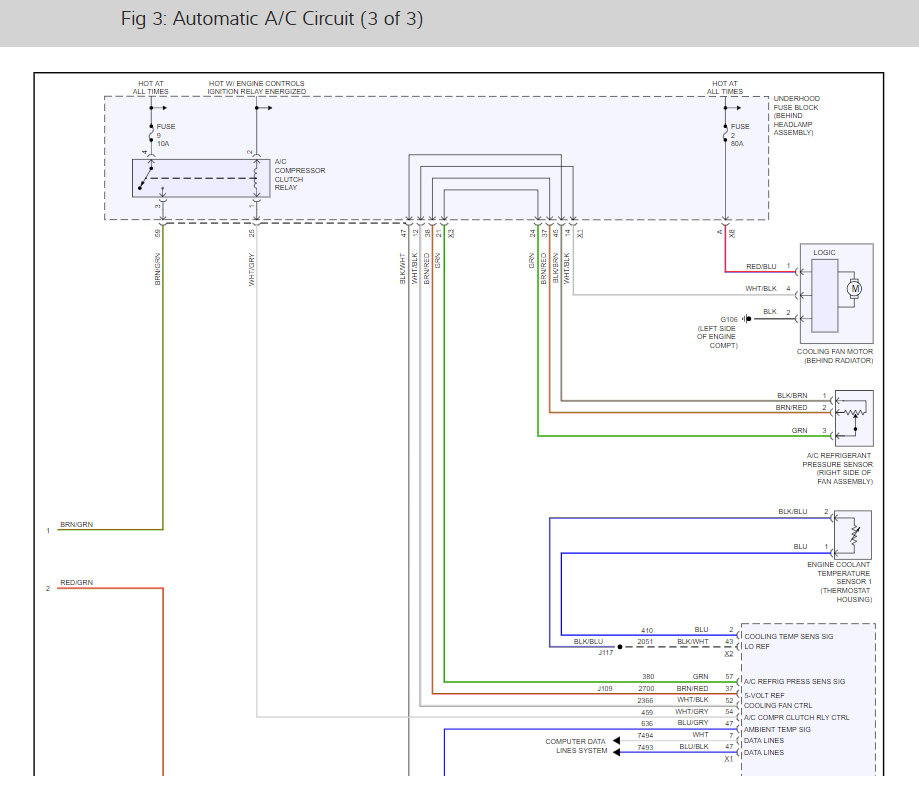
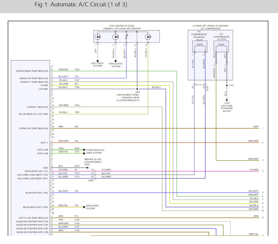
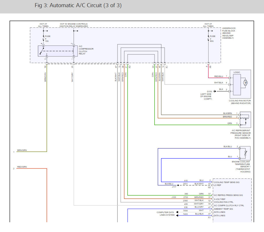
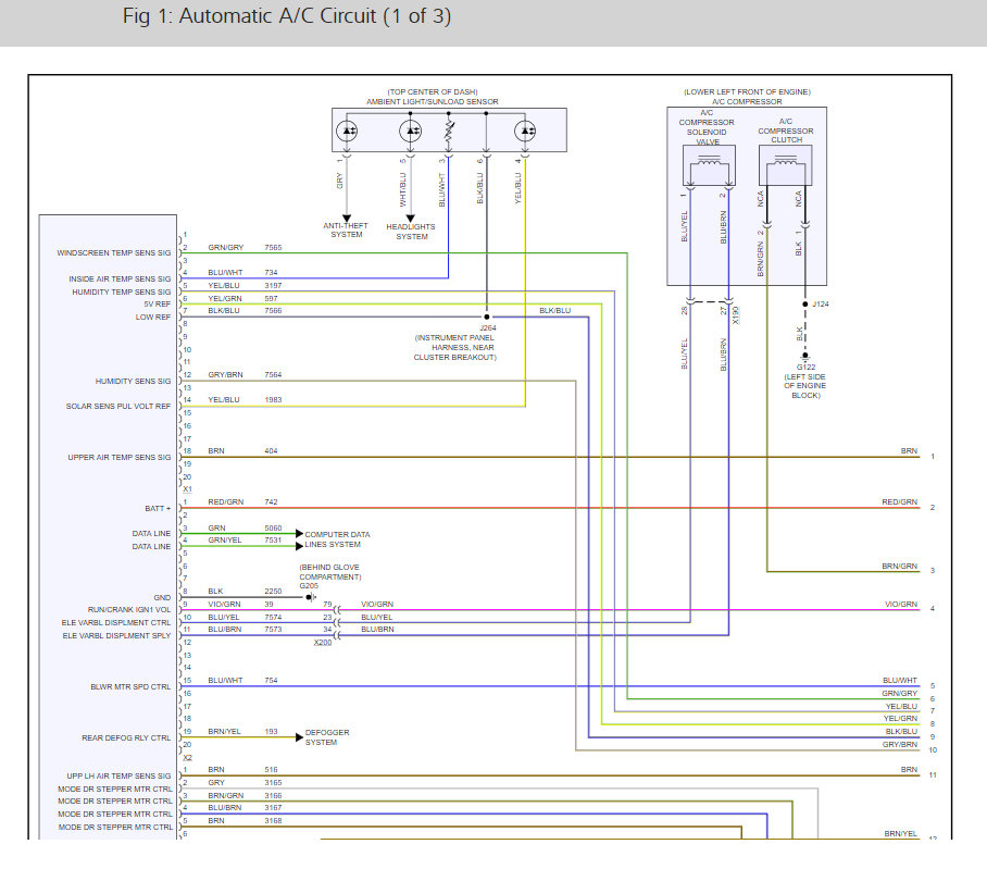
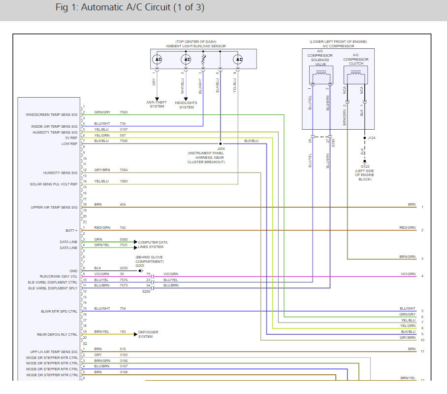
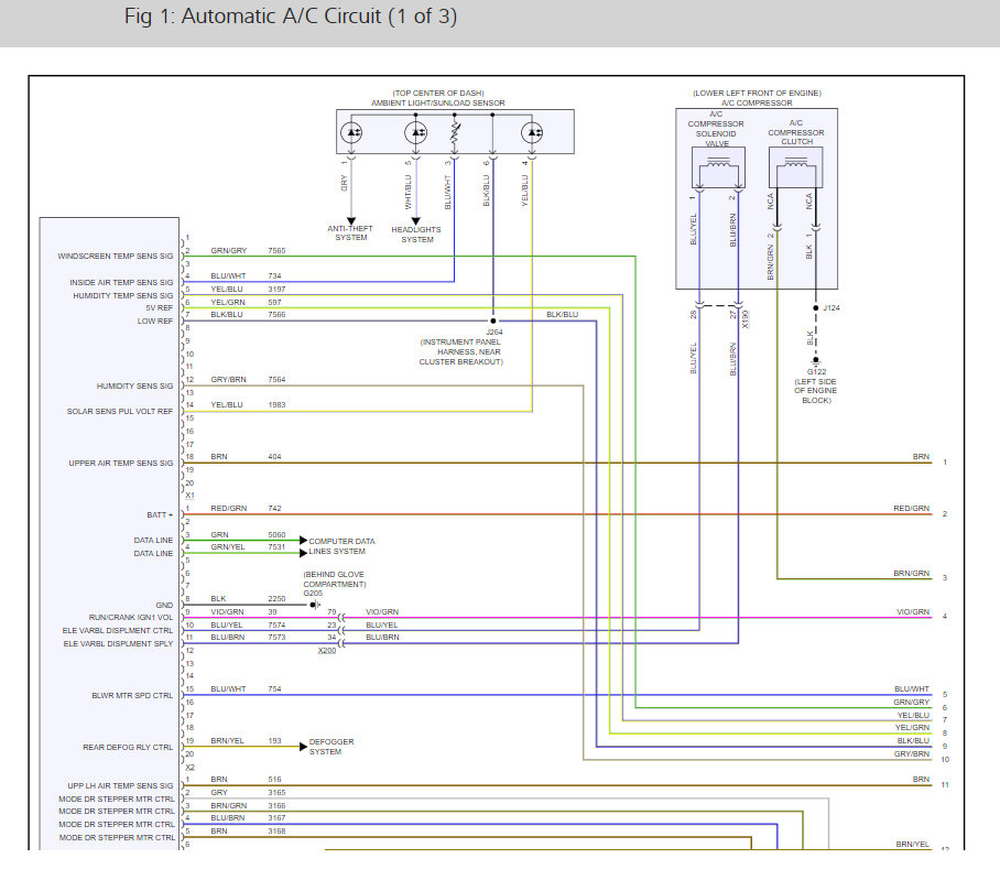
I have included the air conditioner and blower motor wiring diagrams so you can see how the system works and how to replace the HVAC controller and blower motor. Check out the diagrams (below). Please let us know what you find. We are interested to see what it is.
Oct 19, 2019 at 3:12 PM
Advertisement