Climate control fan stuck on high?

Tiny
CNONEYA
  • MEMBER
  • 2011 INFINITI G37
  • 3.7L
  • 6 CYL
  • 4WD
  • AUTOMATIC
  • 153,000 MILES
Hi, I replaced my blower motor recently. It worked for 2 weeks, and it still works but the fan control is stuck on high. Now I have no other speeds so I figure it's the resistor for the blower motor, but I can't find it anywhere. When I look up the part it says no part match found. So, do I even have a resistor and if not, what do I check first to start the elimination process on what it may be?
Tuesday, August 1st, 2023 AT 9:54 PM

1 Reply

Tiny
BRENDON S
  • MECHANIC
  • 653 POSTS
Hello CNONEYA,

Does this vehicle have Dual Zone Control or Auto HVAC? If you can send me a picture of the front of the control unit and stereo area that would help a lot. Just so I have it in front of me to look at to give you proper diagnostic testing.

It is possible it is an issue with something called the Unified Meter & A/C Amplifier.

These are replaced a lot.

There is a self-diagnostic procedure you can run though.

I think we should run it and see what we can gather some information because there are other things that can cause this as well.

I have added the entire diagnostic procedure for you in order. There is a lot of good information, but I want to see if there is a communication error or an issue with a temp sensor possibly. This procedure will check everything.

Now I know it has a lot of information so if you need any help let me know. They don't make these things that easy to follow unfortunately, so let me know how it goes or I can help in any way.

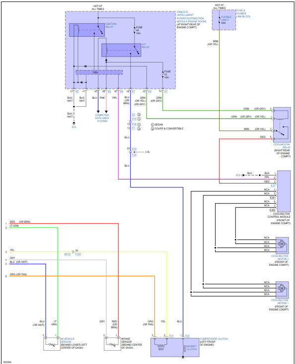
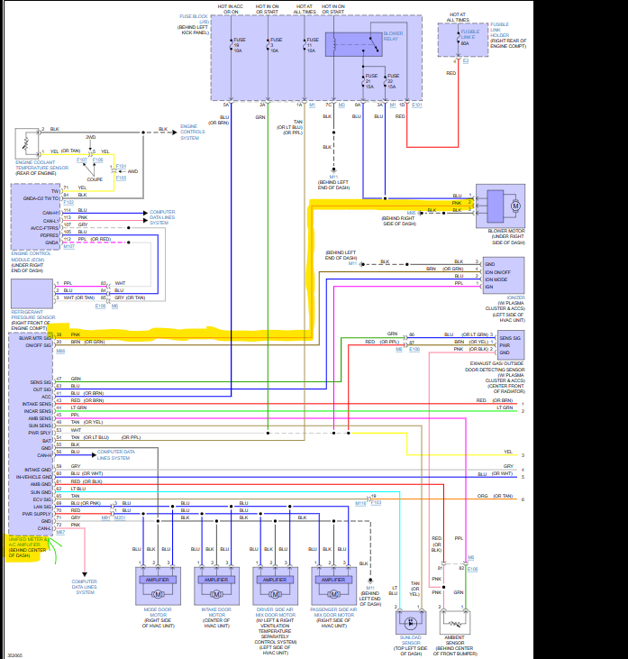
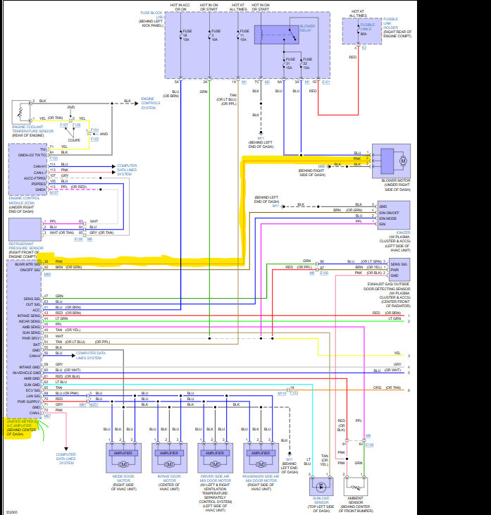
I am also adding a wiring diagram of the HVAC unit for your reference.

Thank you,
Brendon
Was this
answer
helpful?
Yes
No
Wednesday, August 2nd, 2023 AT 3:47 PM

Please login or register to post a reply.