Wednesday, February 14th, 2018 AT 3:17 PM
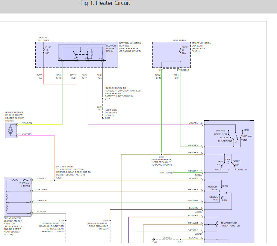
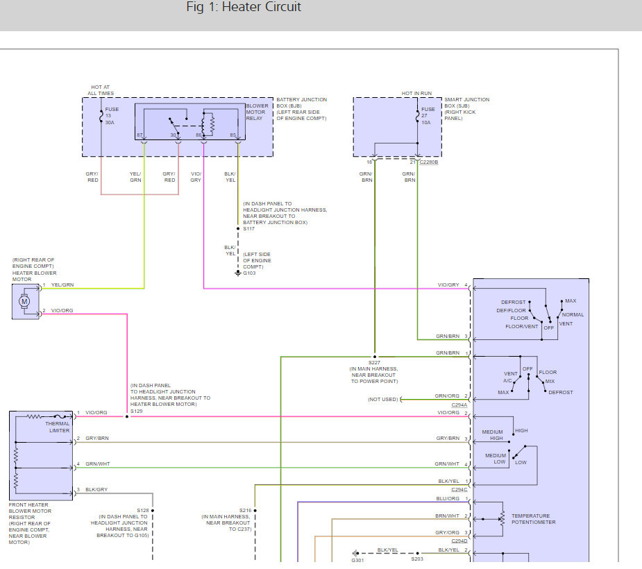
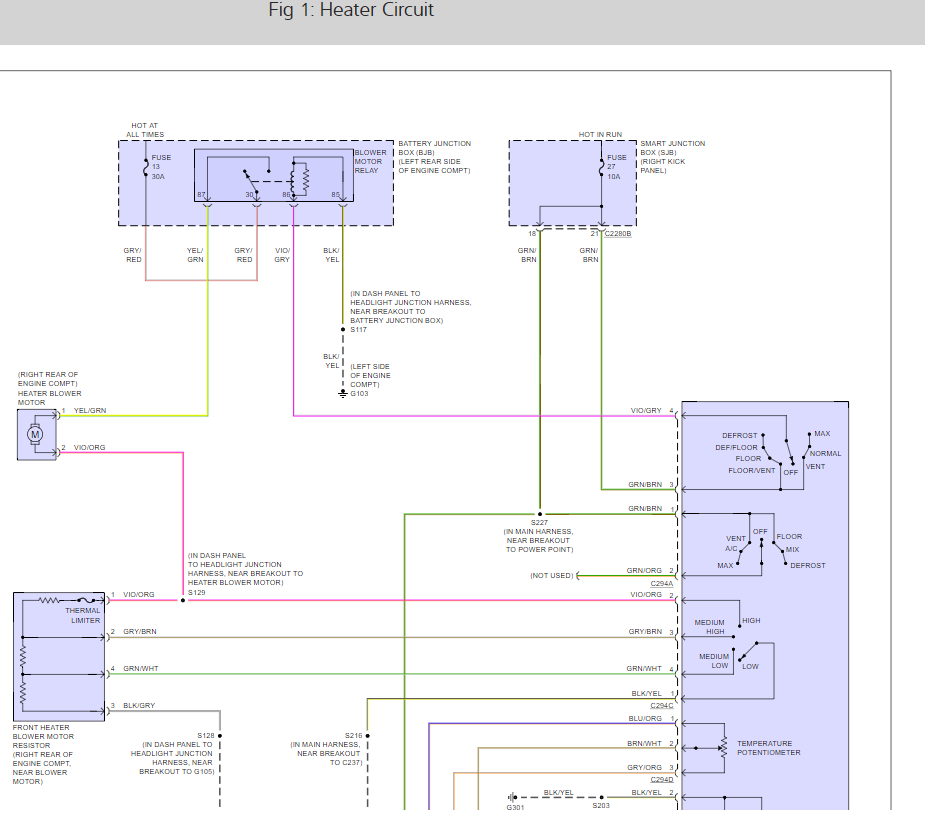
Just trying to find out if my heater/AC climate control front panel is suppose to illuminate when you turn on the park or headlights? Because on my old 1998 Ranger truck I had before I bought the 2007 Ford Ranger truck that I have now, the climate control front display panel did light up when I turned on my lights so I could see the controls easier at night. But for some reason in my 2007 Ford Ranger truck it (the climate control front panel) does not light up when I turn on my headlights but all of my other interior indicator lights and even my dome light works. I bought another climate control that came out of a 2008 Ranger so I wanted to try and test it first before I put it in my truck to make sure that it will light up if its suppose to because if it does not then I can still return it and get my money back or just get another one from where I ordered the control from. So if you could (1) just let me know if it is suppose to light up and (2) if I could possibly test the other one that I bought to replace the one in my truck now like using a twelve volt battery charger somehow and connect it to the right contacts on the back of it then I can see if it will light up before I install it. Please, let me know whatever you can about my climate control. Thank you, Rich







