Climate control button is stuck

Tiny
2377255
  • MEMBER
  • 2011 NISSAN NX
  • 2.3L
  • 4 CYL
  • 2WD
  • AUTOMATIC
  • 90,000 MILES
Temperature control passenger side will not stay at sixty degrees. The button is stuck in the up position. WD40 did not help.
Friday, February 23rd, 2018 AT 9:25 AM

1 Reply

Tiny
KEN L
  • MASTER CERTIFIED MECHANIC
  • 55,535 POSTS
I would remove the unit to take it apart to help unstuck the button. If the button is broken you will need a new unit which I would try to get one used. You will need to have the HVAC module programmed tot he car to have it though $130.00 at most shops.

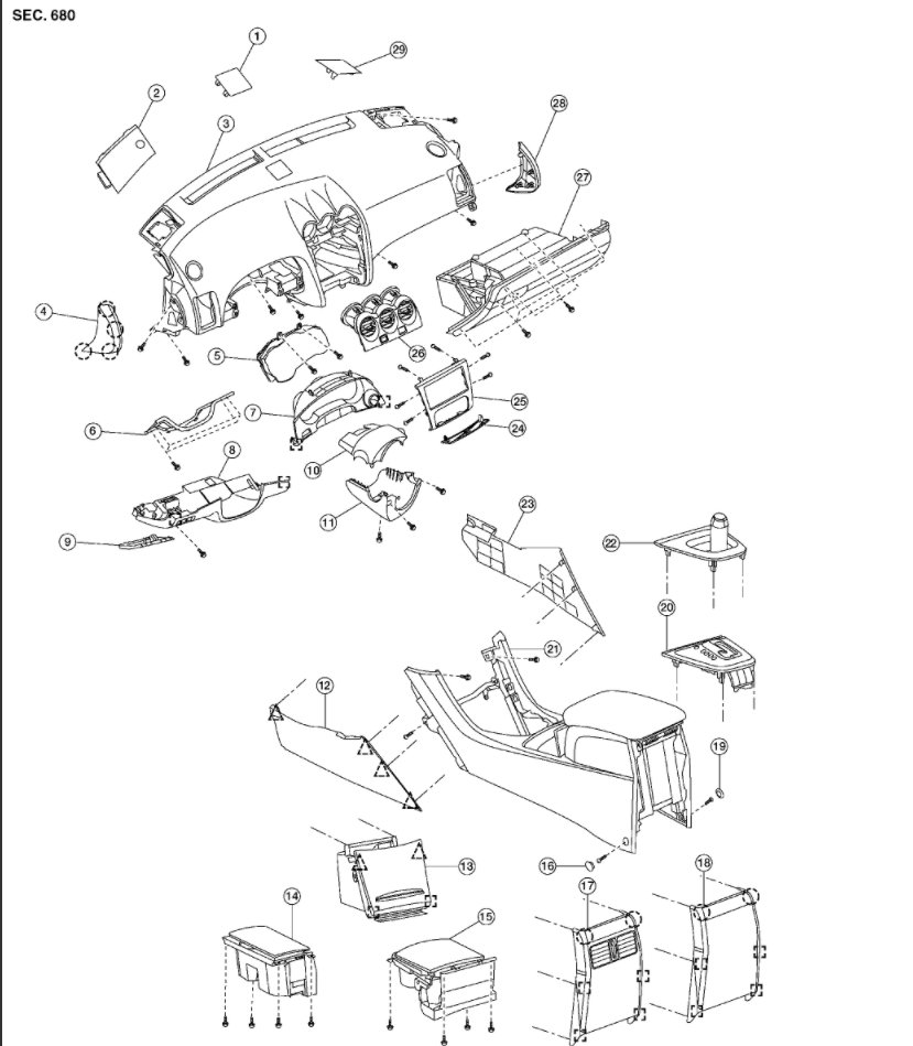
Check out the diagrams (below).

Let us know what happens and please upload pictures or videos of the problem.

Cheers, Ken
Was this
answer
helpful?
Yes
No
Saturday, February 24th, 2018 AT 12:31 PM

Please login or register to post a reply.