Monday, July 4th, 2016 AT 4:00 PM
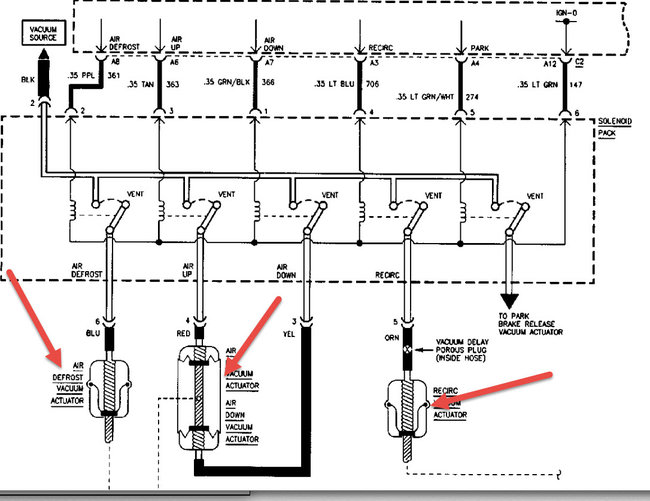
I have no air pushing from my front vents, nothing from defroster or floor blowers either. The rear/center console blows air though.




