Tuesday, October 29th, 2024 AT 5:01 PM
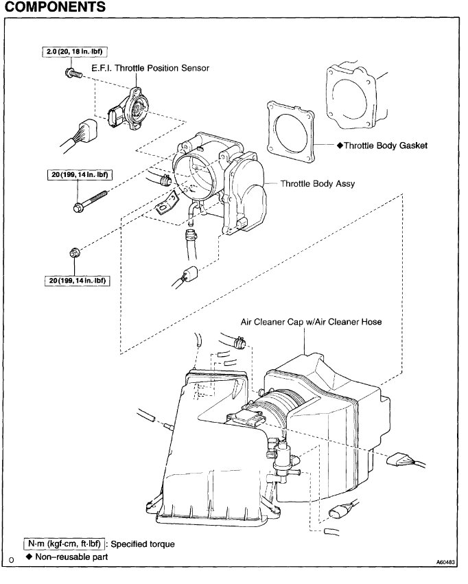
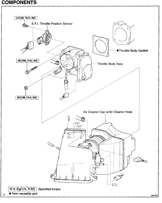
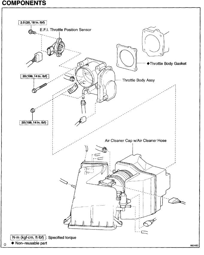
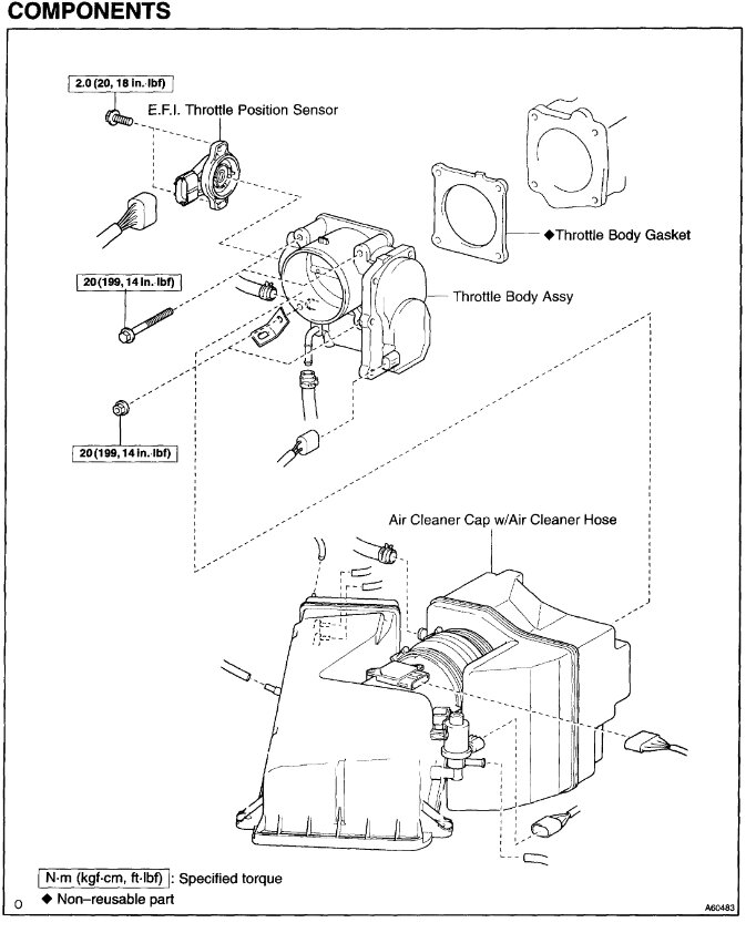
I'm just wondering if there is a special way of cleaning the TB? Does it have to be removed can I open the butterfly by hand? Does it require some type of relearn or calibration after cleaning? And say I didn't clean it the best would it cause the butterfly to stick? I have an unusually high RPM now only at a cold start and by that I mean no matter the temperature outside. So I'm thinking I didn't clean it good enough causing sticking or I screw up by cleaning it improperly. Please help and again only on cold start and no codes.








