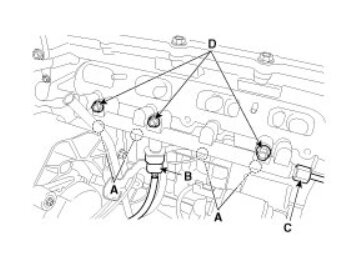
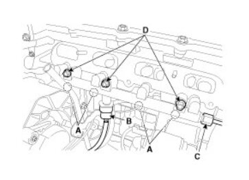
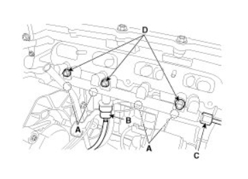
After 225,000 kilometers I want to clean the injectors, so I have to disassemble and reassemble them. Can you explain the correct procedure step by step and what tools do I need to carry out this operation?
Thank you very much.
Alessandro.
Thank you very much.
Alessandro.
Sep 23, 2024 at 12:02 PM



