No power from battery at all

Tiny
BILLJONE
  • MEMBER
  • 1983 JEEP CJ7
  • 0.5L
  • 6 CYL
  • 4WD
  • MANUAL
  • 150,000 MILES
No lights, radio, nothing. New battery and new solenoid. Ground wire to odometer smoked and everything quit working.
Wednesday, June 5th, 2019 AT 7:31 AM

1 Reply

Tiny
CARADIODOC
  • MECHANIC
  • 34,449 POSTS
The odometer is mechanical and doesn't have a ground wire. Is it possible you're looking at the speedometer cable? If so, most likely the larger black negative battery cable going to the engine block has a bad connection, and starter current was trying to find an alternate path back to the battery, and all it could find was the speedometer cable. That would cause it to overheat and smoke until what little electrical path there was burned away.

I prefer to use a test light for this type of problem, but you can use a digital voltmeter too. Turn on the head light switch so current is trying to flow. That will make the broken connection show up easier. It also provides a visual indication if you move or bump something that gets the lights working. You'll know you're in the right area when you see that.

Start with the test light's or meter's probes right on the two battery posts. You'll find 12.6 volts or a bright test light if the battery is fully-charged. Now move one probe from the positive post to its cable clamp, then move the negative probe from that post to that cable clamp. The readings should be the same.

Move the negative probe to a paint-free point on the body, or an unpainted bolt head. Again, you should see the full 12.6 volts. Now move that negative probe to a paint-free point on the engine or transmission. Still should have 12.6 volts. If you suddenly move to the next point in the circuit and get 0 volts or significantly less than 12.6 volts, you just crossed over the bad connection.

Move the positive probe from the cable clamp to the larger output stud on the back of the generator, then to the larger stud on the starter motor. You should still have 12.6 volts at both places.

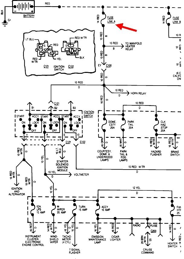
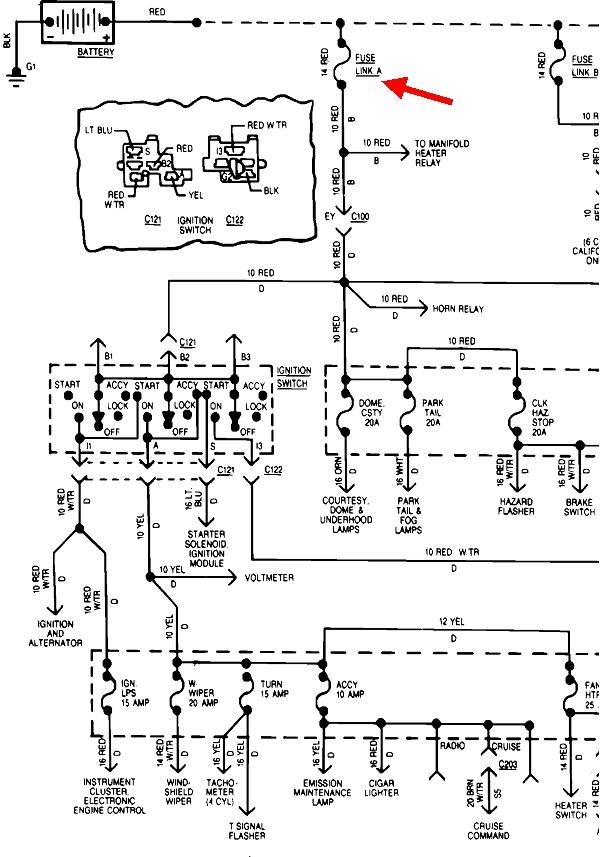
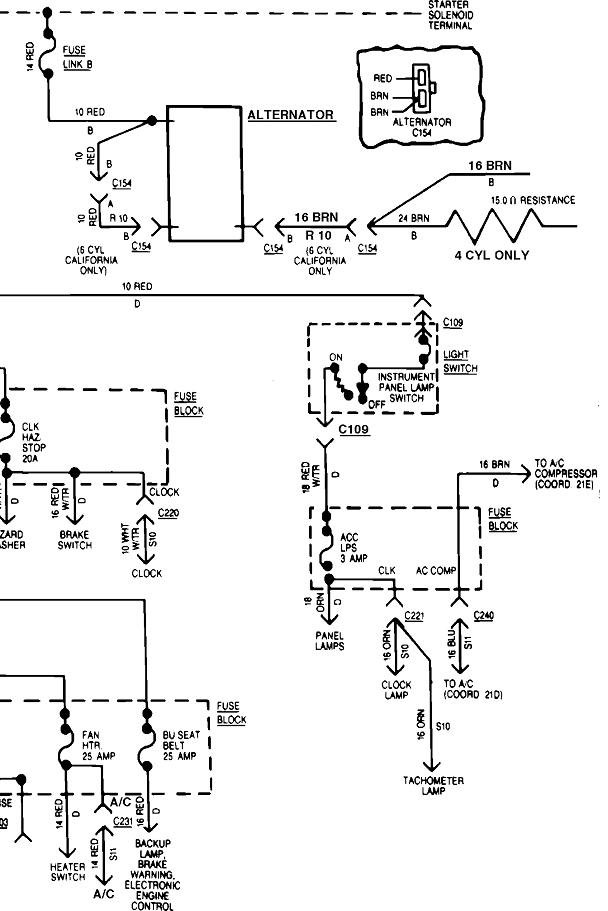
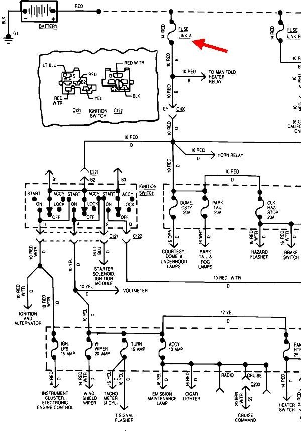
After looking at the diagram, it appears you are likely to find everything okay up to this point. If that is the case, the best suspect is fuse link "A" pointed out by my red arrow in the diagram. That feeds the horn, ignition switch, and most of the lights. It is not shown as being inside a fuse box like all the other fuses, so this is most likely going to be a fuse link wire. It's shown as a 14-gauge wire feeding a fatter 10-gauge wire that goes to all the other circuits. That makes the fuse link the weak link in the chain. I can't find a drawing that shows the link's location, but chances are it comes right off the battery's positive cable. Fuse link wires have a dull color that denotes their current rating. They're meant to be a slow-acting fuse. When it burns open, the insulation is designed to not burn or melt. To test one, just tug lightly on it. If it acts like a wire, it's okay. If it's burned open, it will act like a rubber band.

When fuse link wires burn open, the arcing leaves a carbon track behind. That is enough for a tiny tickle of current to get through that a digital voltmeter will pick up and falsely show the full battery voltage of 12.6 volts, but only when no current is trying to flow. By having the head light switch turned on, or any other load, that carbon track is much too restrictive for current to flow through it. That's when you'll find 0 volts further down the line. That's the whole reason for having the light switch turned on during these tests.

A test light also needs current to operate, and when current can't get through the carbon track, the test light will be off while the voltmeter might have shown 12.6 volts. This is why the test light is faster and more accurate. For this to be true, it has to be a standard test light with a light bulb inside it, not one of the new electronic ones.
Was this
answer
helpful?
Yes
No
Wednesday, June 5th, 2019 AT 5:22 PM

Please login or register to post a reply.