Thursday, October 29th, 2020 AT 8:24 PM
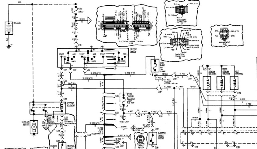
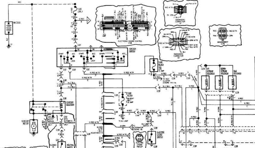
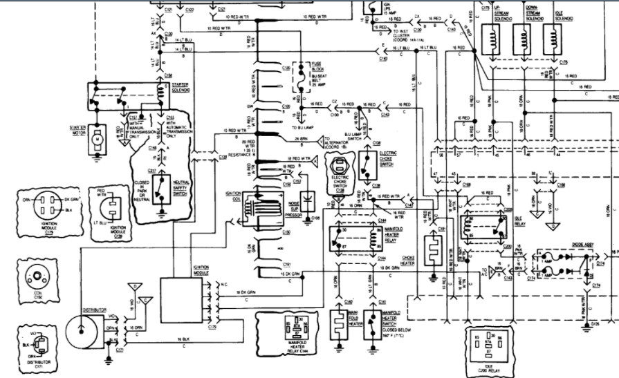
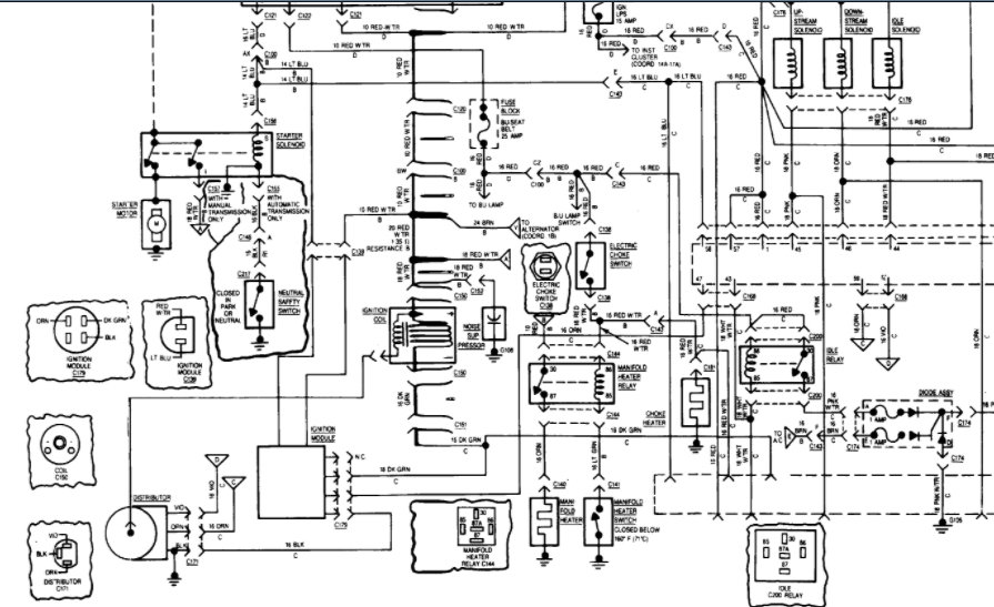
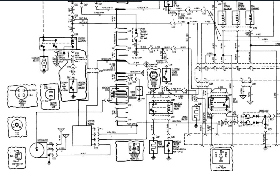
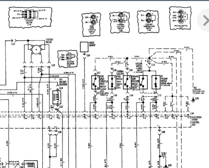
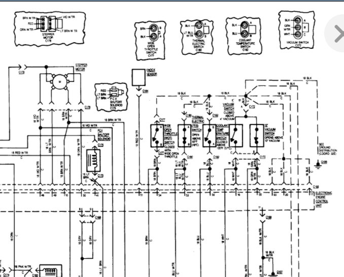
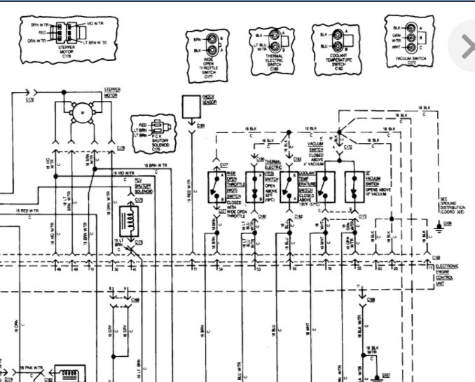
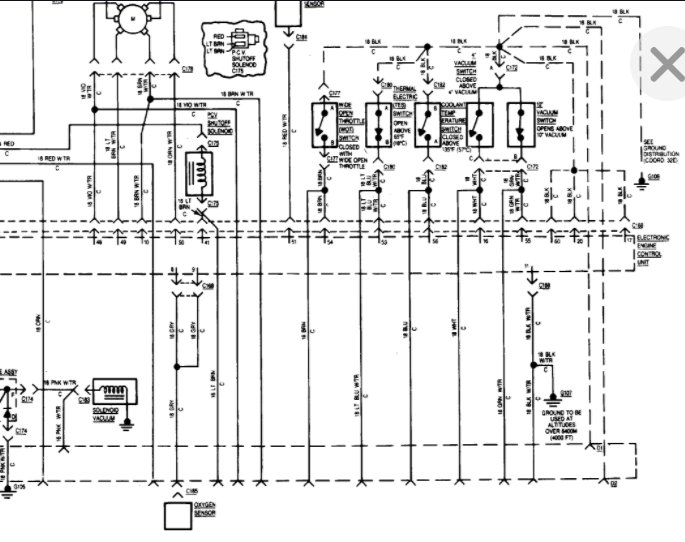
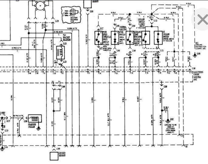
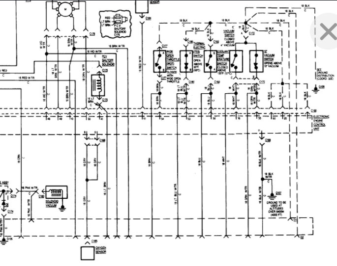
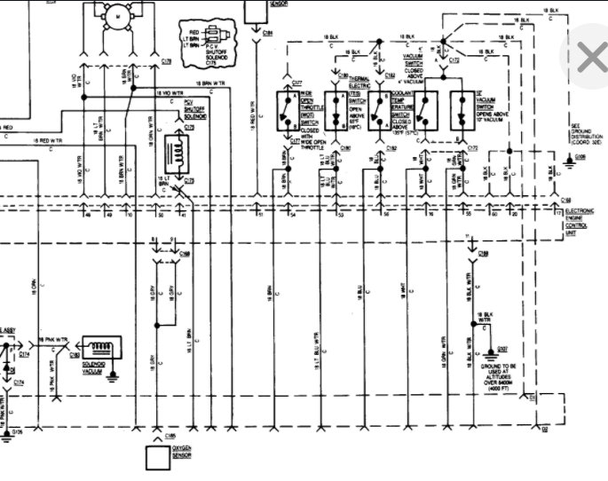
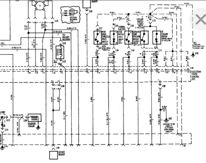
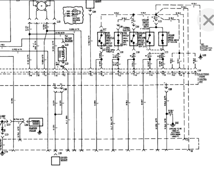
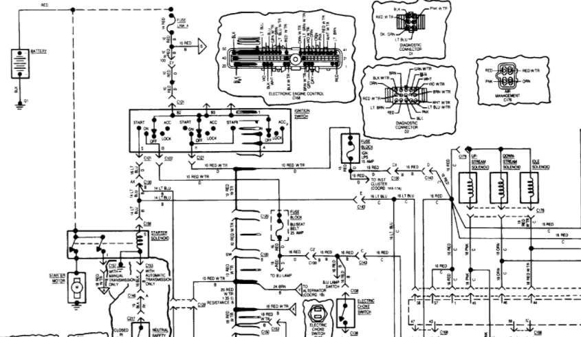
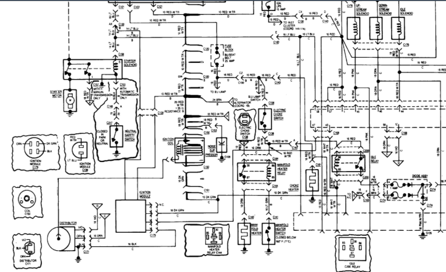
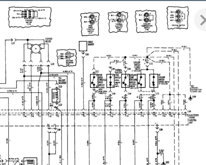
I’ve searched far and wide to find a good diagram of the engine control module but can’t find one. I am installing a painless wiring harness part #: 10150 and it doesn’t talk about connections to the EEC. I just need the wiring diagram so I can figure it all out. I am doing this for my Dad and he doesn’t want to remove it so any help other than the nutter bypass is appreciated!






