Sunday, December 9th, 2007 AT 11:31 AM
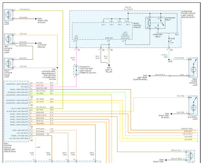
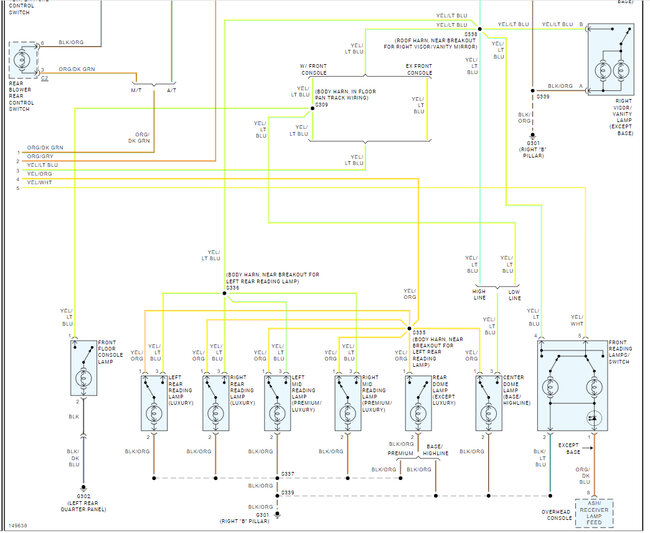
Our 2002 chrysler voyager van had 2 bulbs out in the dash for backlighting the temp gauge, and the fuel gauge. I replaced the bulbs and all was fine. Then out of nowhere, after a week or so, I lost all the dash lights as well as the backlighting on the A/C control panel. I have checked the fuses and they are all good, unless there is a fuse panel other than the one I checked. The only one I can find is the one under the hood. This is frustrating. This vehicle is gradually turning into a lemon. Any ideas? Thanks, JB








