HOME
ASK A QUESTION
REPAIR GUIDES
BECOME A MEMBER
LOG IN
Login with Facebook
OR
Remember me
NOT A MEMBER?
FORGOT PASSWORD?
CONTACT US
PRIVACY POLICY
TERMS AND CONDITIONS
☰
Home
Chrysler
Town and Country
Suspension
Sway Bar
Replace/Remove
2004 Chrysler Town and Country stabilizer bar
LBHOROMA
MEMBER
2004 CHRYSLER TOWN AND COUNTRY
6 CYL
FWD
AUTOMATIC
48,000 MILES
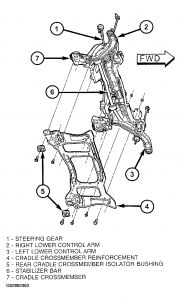
The right wheel is making some dull noise, especially on a rough patch of road. I want help on replacing the stabilizer bar
Thursday, January 29th, 2009 AT 4:29 PM
1 Reply
ZACKMAN
MECHANIC
4,202 POSTS
Was this
answer
helpful?
Yes
No
Thursday, January 29th, 2009 AT 9:37 PM
Please
login
or
register
to post a reply.
Related Sway Bar Replace/Remove Content
2001 Chrysler Town And Country Front Stabilizer Bar...
Suspension Problem 2001 Chrysler Town And Country 6 Cyl Front Wheel Drive Automatic How Do I Replace The Front Stabilizer Bar Bushings
Asked by
Charlton
·
1 ANSWER
2001
CHRYSLER TOWN AND COUNTRY
2005 Chrysler Town And Country Sway Bar Bushings
I Have Replaced The Sway Br Bushings 2x In The Last 20000 Miles And The Are Worn Out Again. They Only Really Stay Quiet For About 4000 Miles...
Asked by
motorman64
·
3 ANSWERS
2005
CHRYSLER TOWN AND COUNTRY
2003 Chrysler Town And Country Help
I Have Just Got A Sway Bar Link Put In Today. But When I Am Driving Down The Road My Van Still Makes Popping Noises Its More When I Hit...
Asked by
tessamontross
·
2 ANSWERS
2003
CHRYSLER TOWN AND COUNTRY
1998 Chrysler Town And Country Air Shocks And Struts
1998 Chrysler Town And Country My Van Has Been Modified For Hadnycap Accessibility And The Compressor Will Not Stop Running. What...
Asked by
mishycorona72
·
3 ANSWERS
1998
CHRYSLER TOWN AND COUNTRY
2006 Chrysler Town And Country Bad Ride
Suspension Problem 2006 Chrysler Town And Country 6 Cyl Front Wheel Drive Automatic I Have Taken My Van In To 3 Different Repair Shops...
Asked by
gsthomas
·
9 ANSWERS
2006
CHRYSLER TOWN AND COUNTRY
VIEW MORE
Ask a Car Question. It's Free!
Sway Bar Link Replacement
Sway Bar Link Replacement
Control Arm Bushing Replacement - Lower