Thursday, December 31st, 2009 AT 4:26 PM
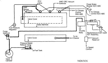
On the back of the engine there are 2 vacuum outlets there is a hose on one of them but one is missing a hose can you let me know where the hoses go


