2007 Chrysler Sebring wirering

Tiny
DMOR9532
  • MEMBER
  • 2007 CHRYSLER SEBRING
Electrical problem
2007 Chrysler Sebring 4 cyl Front Wheel Drive Automatic

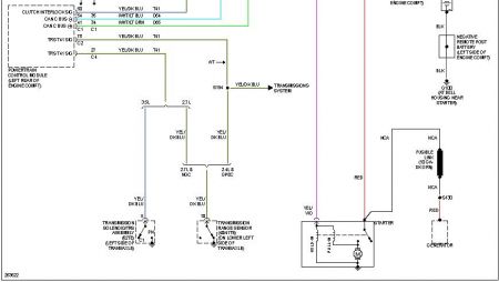
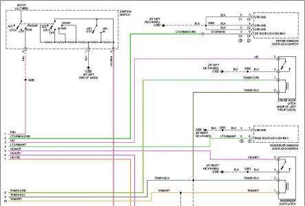
hi iam installing a remote starter in my car and I need the wiring diagrams for the starter switch and the door locks 2007 sebring sedan 4 door thanks dm
Friday, December 11th, 2009 AT 4:39 PM

3 Replies

Tiny
BLUELIGHTNIN6
  • MECHANIC
  • 16,542 POSTS
Hello and thanks for the donation!

Let's see if these help..if they are too small than post your e-mail address here and I will send them to you in a bigger format..


https://www.2carpros.com/forum/automotive_pictures/261618_Noname_1266.jpg



https://www.2carpros.com/forum/automotive_pictures/261618_Noname2_375.jpg



https://www.2carpros.com/forum/automotive_pictures/261618_Noname3_143.jpg



https://www.2carpros.com/forum/automotive_pictures/261618_Noname4_70.jpg



https://www.2carpros.com/forum/automotive_pictures/261618_Noname5_33.jpg



https://www.2carpros.com/forum/automotive_pictures/261618_Noname6_19.jpg

Was this
answer
helpful?
Yes
No
Friday, December 11th, 2009 AT 5:34 PM
Tiny
DMOR9532
  • MEMBER
  • 8 POSTS
Hi please send me the diagrams in a larger format my email is dmor9532@aol. Com thank you and have a good holiday dm
Was this
answer
helpful?
Yes
No
Saturday, December 12th, 2009 AT 9:15 AM
Tiny
BLUELIGHTNIN6
  • MECHANIC
  • 16,542 POSTS
Sent them, let me know if you need more assistance with this.
Was this
answer
helpful?
Yes
No
Saturday, December 12th, 2009 AT 10:38 PM

Please login or register to post a reply.