Monday, April 13th, 2009 AT 8:21 AM
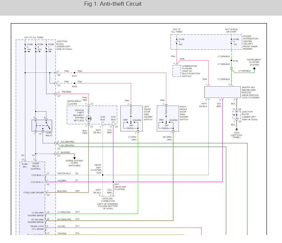
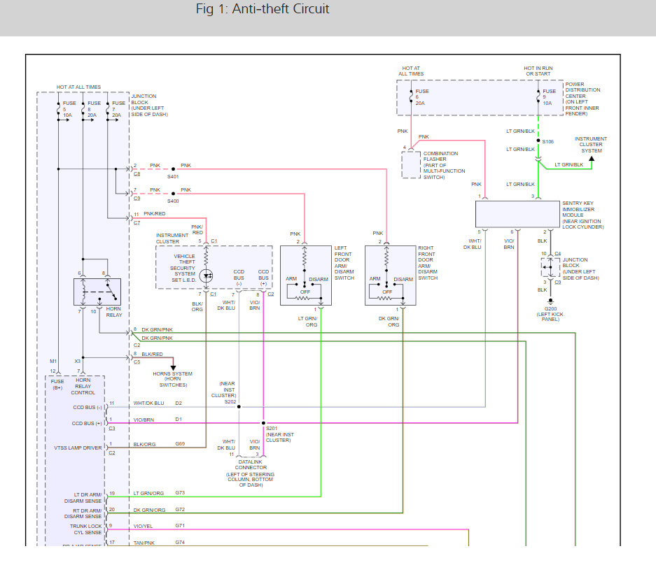
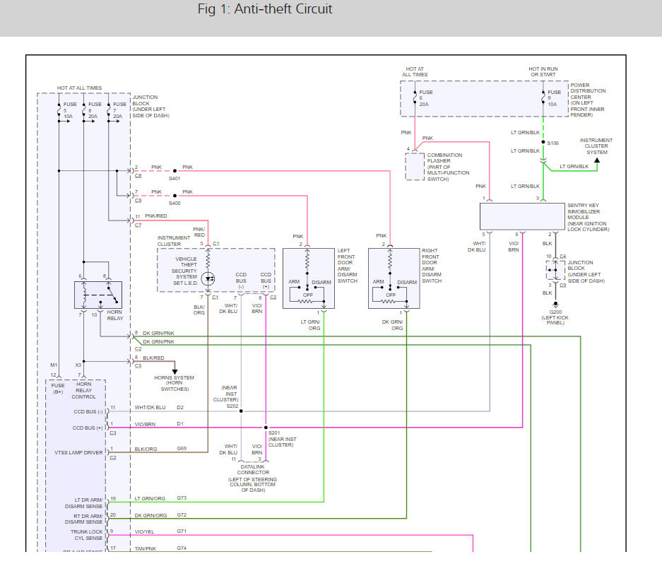
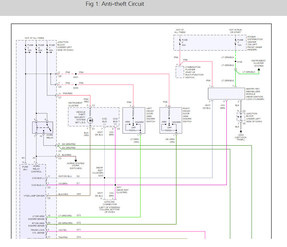
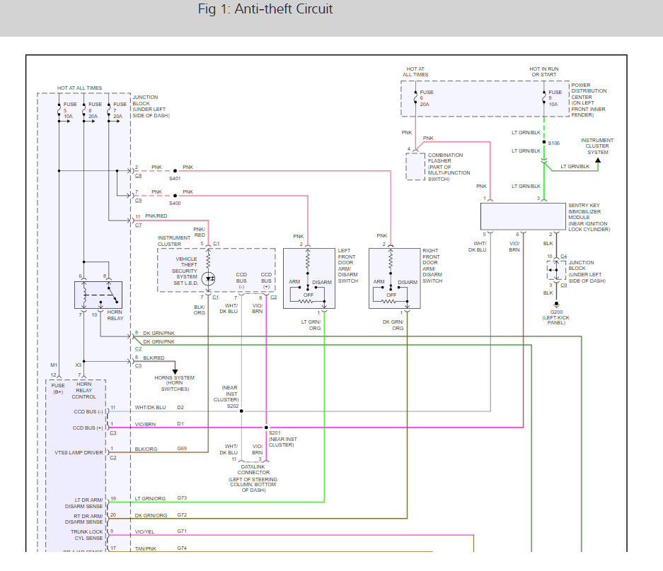
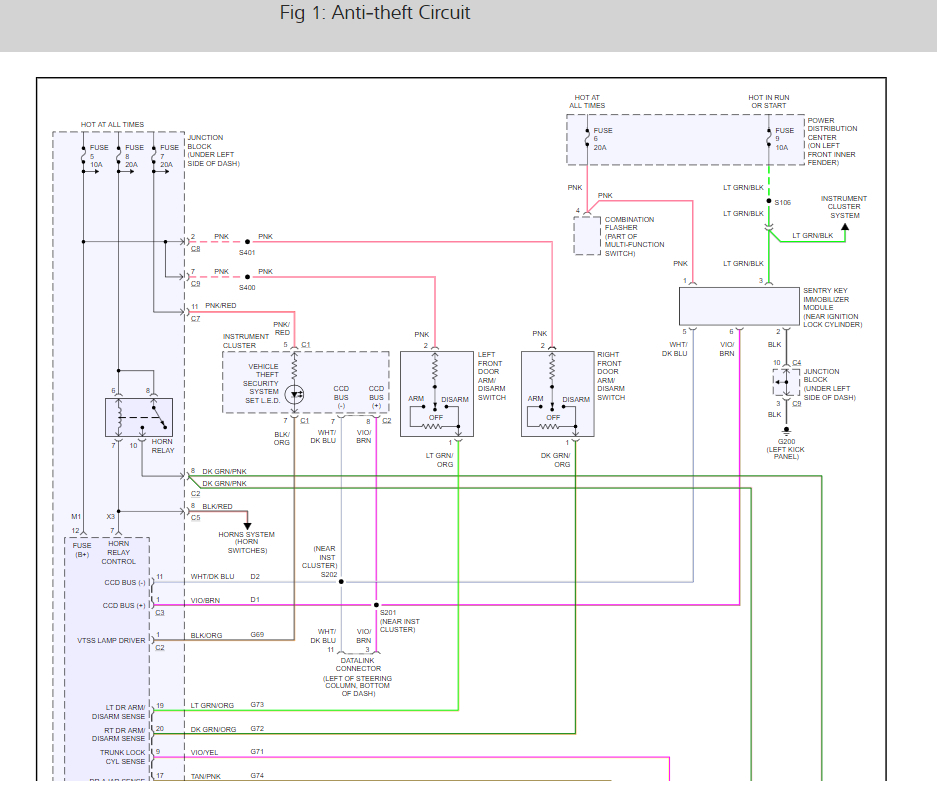
The car will not start due t the ALARM SYSTEM, we thought it was the battery and replaced it and it started but then would not start again, alarm system not allowing to car to start.


