Cooling fan relay?

Tiny
HOMERJ326
  • MEMBER
  • 2006 CHRYSLER PT CRUISER
Can anybody tell me where I can locate the cooling fan relay since it is not located in the fuse box behind the battery?
Monday, June 22nd, 2009 AT 5:42 PM

17 Replies

Tiny
KEN L
  • MASTER CERTIFIED MECHANIC
  • 55,488 POSTS
Hello,

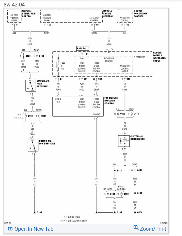
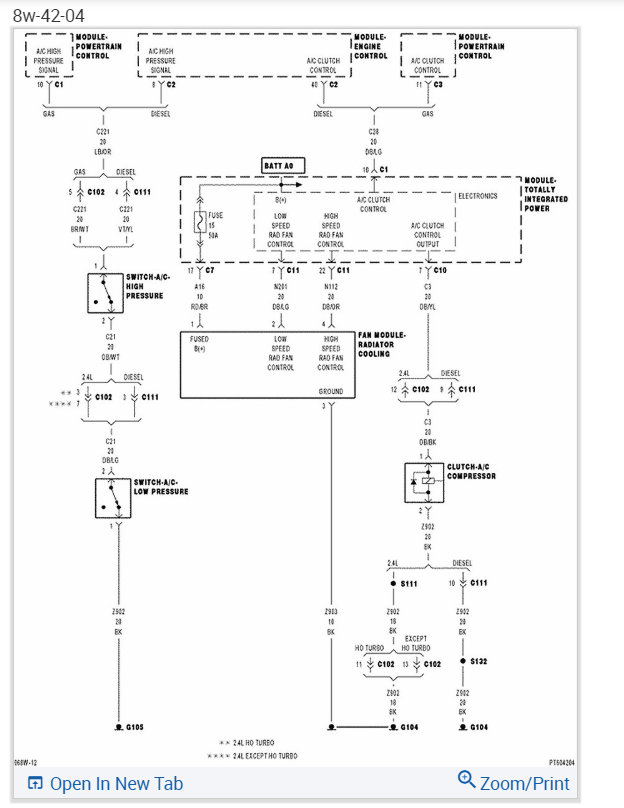
Editor's Note: This vehicle is not equipped with Cooling Fan Relays. The fan is controlled by the PCM via electronics integral to the Totally Integrated Power Module (TIPM).

The car does not have a cooling fan relay per say, it is a speed control module and TIPM located near the cooling fan down low. Here is a wiring diagram (below) along with a location diagram to help you change it, they had big problems with this part.

Here is a guide to help you do some testing:

https://www.2carpros.com/articles/how-to-use-a-test-light-circuit-tester

Check out the diagrams (below). Please let us know what you find. We are interested to see what it is.
Was this
answer
helpful?
Yes
No
+6
Thursday, May 4th, 2017 AT 5:06 PM
Tiny
GUMSMACK
  • MEMBER
  • 2 POSTS
Sorry Ken, but your response is incorrect, I have an 2006 PT Cruiser and the relays are located on the fan housing itself, both the low and high speed relays are there and are the same identical part numbers. Hope this helps clear up any confusion. ;)
Was this
answer
helpful?
Yes
No
+11
Saturday, March 7th, 2020 AT 12:10 PM
Tiny
KEN L
  • MASTER CERTIFIED MECHANIC
  • 55,488 POSTS
Hm, this is from AllData

Editor's Note: This vehicle is not equipped with Cooling Fan Relays. The fan is controlled by the PCM via electronics integral to the Totally Integrated Power Module (TIPM). For more information, please refer to:

See: Radiator Cooling Fan > Electrical
See: Power and Ground Distribution > Electrical > Integrated Power Module

Can you please shoot a quick video with your phone so we can see what's going on? That would be great. You can upload it here with your response.
Was this
answer
helpful?
Yes
No
-1
Saturday, March 7th, 2020 AT 12:36 PM
Tiny
GUMSMACK
  • MEMBER
  • 2 POSTS
https://youtu.be/MNW7cjlEObE?t=20
View this video same as 2006...
Was this
answer
helpful?
Yes
No
+1
Sunday, March 8th, 2020 AT 8:42 PM
Tiny
KEN L
  • MASTER CERTIFIED MECHANIC
  • 55,488 POSTS
These are not traditional relays in this video. These are solely for current switching. The control relay is in the TIPM.
Was this
answer
helpful?
Yes
No
+1
Monday, March 9th, 2020 AT 12:19 PM
Tiny
BCMULLEN95
  • MEMBER
  • 249 POSTS
  • 2006 CHRYSLER PT CRUISER
  • 48,236 MILES
I have tested to see if would be part of the thermostate circuit and disconected the fan, fuse did not blow. However when I reconnected the fan and started the car drove it around the block the fuse still did not blow.
Could this be a possible high speed relay issue that is not working correctly. I have read that it could be the fan also, but the fuse does not seem to blow at low speeds.
Was this
answer
helpful?
Yes
No
Tuesday, August 25th, 2020 AT 5:40 PM (Merged)
Tiny
BCMULLEN95
  • MEMBER
  • 249 POSTS
Both relays have been replaced.
Was this
answer
helpful?
Yes
No
+4
Tuesday, August 25th, 2020 AT 5:40 PM (Merged)
Tiny
CARADIODOC
  • MECHANIC
  • 34,489 POSTS
Spin the fan by hand to see if it's free or tight. A tight motor will draw excessive current leading to the blown fuse.
Was this
answer
helpful?
Yes
No
+1
Tuesday, August 25th, 2020 AT 5:40 PM (Merged)
Tiny
BCMULLEN95
  • MEMBER
  • 249 POSTS
It spins freely. I did find out that the relay that was replaced are the two by the fan. I will be checking the relay behind the bumper tomorrow. Is there anything else that will ne to be looked at?
Was this
answer
helpful?
Yes
No
-1
Tuesday, August 25th, 2020 AT 5:40 PM (Merged)
Tiny
CARADIODOC
  • MECHANIC
  • 34,489 POSTS
I can't get into the Chrysler web site right now, but you might look for a 4-terminal electronic relay connected to the fan motor. They went to that design in the mid '90s to allow for variable speeds to address the people who were whining that they could "hear" the fan turn on when they were stopped in traffic. Being an electronic module, they cause a lot more trouble than a standard relay.

Also consider that the engine rocks when you accelerate and tugs on wiring harnesses. I helped a friend with a Caravan that blew the radiator fan fuse intermittently. At about the fourth time in the shop I also noticed the backup lights weren't working, but they were okay after he replaced the fuse link yet again for the fan. The next time he fixed it and started to back out of the shop, I saw the backup lights go off. Checking right then proved the fuse link was blown again. Turned out to be the wire harness running under the battery tray had been sliding back and forth for years and the wire going to the radiator fan was rubbed through and bare. The backup lights were on the same circuit. Chrysler does that a lot. You might never know your backup lights aren't working, and that could be a safety hazard, but you will notice when the engine runs hot.

Another approach is to unplug the fan, then drive only at higher speeds so the fan isn't needed. Plug in a pair of spade terminals in place of the blown fuse, then run a pair of wires from them to a 12 volt light bulb. You might also want to bypass the relay so the circuit is powered up all the time. Hang the light bulb where you can see it while you're driving. Since the circuit is turned on by bypassing the relay, if the short occurs, the bulb will be full brightness and will limit current to a safe value. If the bulb turns on with the fan unplugged, there's proof the short is caused by something other than the fan motor.

The fan motor could be acting up intermittently too. It's not as common for them to short but it is possible. Usually the brushes wear and make intermittent contact.
Was this
answer
helpful?
Yes
No
+1
Tuesday, August 25th, 2020 AT 5:40 PM (Merged)
Tiny
BCMULLEN95
  • MEMBER
  • 249 POSTS
For what ever reason I cannot see to find where the issue is. I drove the car at high speeds and at low speeds, but the fuse did not blow. Is there a way I can get a copy of the wiring schematic for this car that deals with the fan and the relays as well as the ground schematic so I can check all the ground to ensure a ground is not coming loose.
Was this
answer
helpful?
Yes
No
Tuesday, August 25th, 2020 AT 5:40 PM (Merged)
Tiny
CARADIODOC
  • MECHANIC
  • 34,489 POSTS
A loose ground won't cause a fuse to blow because that will reduce or stop current flow. Fuses blow in response to too much current.

Did you have the fan disconnected while you were driving the car? If so, the relay should have turned on shortly after slowing down or standing still with the engine still running. All you can say for sure is if the fuse blows while the fan is unplugged, the fan motor is not the cause. Intermittent problems like this are always the most frustrating to find, and a lot of people get angry with their mechanic when he doesn't "just fix it".

If you wait long enough with the engine running, the fan will turn on while you're standing there. Listen to how it sounds. It should be running fast enough and not be making any squealing sounds. If it runs normally, flex the wire harnesses to see if anything makes it stop or slow down.

The closest book I have is for an '01 Neon, and that shows just a basic, simple, reliable fan relay and motor with a 30 amp fuse. All that can be wrong there is a grounded wire or bad motor. My next suggestion is to click the link right below here for Mitchell Manuals. I have never been able to even get to he sign-in page without getting an error message so you might also go to:

http://randysrepairshop.net/index.html

then click on the AllData picture.

Either site will give you access to diagrams and repair procedures, but while you can own the manufacturers service manual forever, the online services also give you service bulletins, recall information, part numbers, and lots of other things like that. A five-year subscription for one car model costs about half of the Chrysler service manual and gives you much more information.
Was this
answer
helpful?
Yes
No
Tuesday, August 25th, 2020 AT 5:40 PM (Merged)
Tiny
WEM3
  • MEMBER
  • 10 POSTS
  • 2002 CHRYSLER PT CRUISER
Engine Cooling problem
2002 Chrysler PT Cruiser 4 cyl Front Wheel Drive Automatic

This is the second time the car has over heated while driving in bump to bump traffic in the last couple of months. Car does not over heat unless it is in bump to bump traffic. Last week went on a 600 miles drive and car did not over heat.
Engine was rebuilt in Dec 2009 due to warpped head. New raditor, hoses, flush, water pump, thermostat and coolent installed in May 2010. The Cars fluids were check two days ago and no water was needed.

Fan works when engine temp get to the middle mark of the cars inside temp gauge. Accounding to the book, these cars have a two speed fan. If mine has a two speed fan, only one speed is working.

Does my car have a two speed fan, and if so how is it regulated? Fuses or relay?

If I am not mistaken I also replaced the Engine Coolant Temp sensor in Dec, as I broke the old one.

Do you have any ideas?
Was this
answer
helpful?
Yes
No
Tuesday, August 25th, 2020 AT 5:40 PM (Merged)
Tiny
KHLOW2008
  • MECHANIC
  • 41,814 POSTS
Hi wem3,

Thank you for the donation.

Yes, your vehicle do have a dual speed motor.

The common fault with Chrysler vehicles are faulty fan motors.
High and low speed are controlled by the PCM via a high and low speed relay.

To test the fan motor high speed circuit, apply battery voltage to the yellow wire anf if the fan does not work, it is faulty.
Was this
answer
helpful?
Yes
No
Tuesday, August 25th, 2020 AT 5:40 PM (Merged)
Tiny
BCMULLEN95
  • MEMBER
  • 249 POSTS
The fuse was when while driving and as I let it sit at home I could here the fan speed up and slow down. I will check to see if it is any of the wires, I did not notice any wires that where in bad shape, but I will keep looking. I am suspecting the fan since it is a dual speed and there are a lot of problems with these fan modules going bad.
Was this
answer
helpful?
Yes
No
+1
Tuesday, August 25th, 2020 AT 5:40 PM (Merged)
Tiny
WEM3
  • MEMBER
  • 10 POSTS
Thank you for your time.
Just to be clear, jumper wire from the pos termanal of the battery to the yellow wire at the fan motor. This is my high speed side of the motor.

If fan does not run, replace the fan motor.

By jumping it this way is there any damage to the relay, or should I disconnect the wiring before jumping to protect the relay?
Was this
answer
helpful?
Yes
No
+1
Tuesday, August 25th, 2020 AT 5:40 PM (Merged)
Tiny
KHLOW2008
  • MECHANIC
  • 41,814 POSTS
Sorry for not making myself clear.
You can jump without disconnecting the terminals. However shoudl you wish to disconnect the connector, then you would have to provide a ground for the Black wire.

Applying battery voltage to the Green wire would start the low speed operations and with battery voltage to both terminals would have the fan at high speed.
Was this
answer
helpful?
Yes
No
+1
Tuesday, August 25th, 2020 AT 5:40 PM (Merged)

Please login or register to post a reply.