HOME
ASK A QUESTION
REPAIR GUIDES
BECOME A MEMBER
LOG IN
Login with Facebook
OR
Remember me
NOT A MEMBER?
FORGOT PASSWORD?
CONTACT US
PRIVACY POLICY
TERMS AND CONDITIONS
☰
Home
Chrysler
New Yorker
Ignition
Firing Order
1995 Chrysler New Yorker engine firing order
NEWRUN65
MEMBER
1995 CHRYSLER NEW YORKER
6 CYL
FWD
AUTOMATIC
105,000 MILES
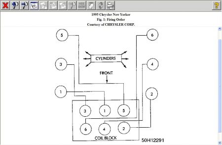
Firing order is 123456, but which is #1 cyclinder?
Saturday, December 29th, 2007 AT 1:27 PM
1 Reply
RASMATAZ
MECHANIC
75,992 POSTS
See below
Was this
answer
helpful?
Yes
No
Saturday, December 29th, 2007 AT 1:37 PM
Please
login
or
register
to post a reply.
Related Firing Order Content
1976 Chrysler New Yorker Spark Plug Wiring Diagram
Engine Mechanical Problem 1976 Chrysler New Yorker V8 Two Wheel Drive Automatic Where Can I Find A Spark Plug Wire Diagram For A 1976...
Asked by
Old-Hobo
·
1 ANSWER
1976
CHRYSLER NEW YORKER
1976 Chrysler New Yorker Enging Fireing Order
Please Tell Me The Fireing Order Of This Car
Asked by
Norman Bertrand
·
1 ANSWER
1976
CHRYSLER NEW YORKER
1995 Chrysler New Yorker Timing
How Do You Adjust The Timing For This Vehicle. Replaced The Water Pump And Must Have Knocked The Timing Off As It Will Not Start.
Asked by
kevin37
·
1 ANSWER
1995
CHRYSLER NEW YORKER
Crank But No Spark No Run
After A Total Engine Rebuild I Found The Timing Was Off, I Corrected It. It Would Back Fire. I Rechecked The Timing Again. I Changed It 180...
Asked by
SteveM57
·
26 ANSWERS
2 IMAGES
1990
CHRYSLER NEW YORKER
Engine Runs When Cold But Dies With No Spark Condition...
Originally The Car Had Two Issues And Would Not Start Cold. The Cold Start Was The Filter Lines Installed Backwards Which Was Corrected. The...
Asked by
diceberg
·
7 ANSWERS
1988
CHRYSLER NEW YORKER
VIEW MORE
Ask a Car Question. It's Free!
Spark Plug Replacement Toyota Rav4 2006-2012
Spark Plug Replacement Honda Element
How to Repair an Engine Cylinder Misfire