Alarm system keeping car from starting

Tiny
FCOWENAR
  • MEMBER
  • 1997 CHRYSLER CONCORDE
Six cylinder two wheel drive automatic 76,000 miles.

The alarm system in the car is not letting start the engine. Lights will come up but when I start the engine or open the driver's door the alarm always go off. Is there anyway that I can bypass the alarm system or fix the problem? I tried the battery to reset the alarm but it did not work.
Friday, June 25th, 2010 AT 9:25 PM

7 Replies

Tiny
KEN L
  • MASTER CERTIFIED MECHANIC
  • 55,469 POSTS
It sounds like the switch in the drivers door latch could be bad this is where the alarm receives the signal when you unlock the door. Can you try you remote to unlock the car?

https://www.2carpros.com/articles/how-to-reset-a-security-system

If that still does not work then you may have an BCM that has gone out. I would try a used one to save money. It will need to be programmed to the car

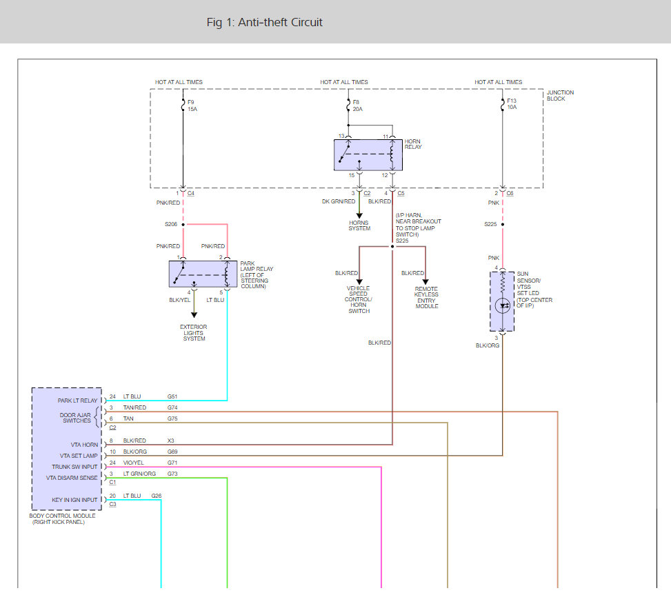
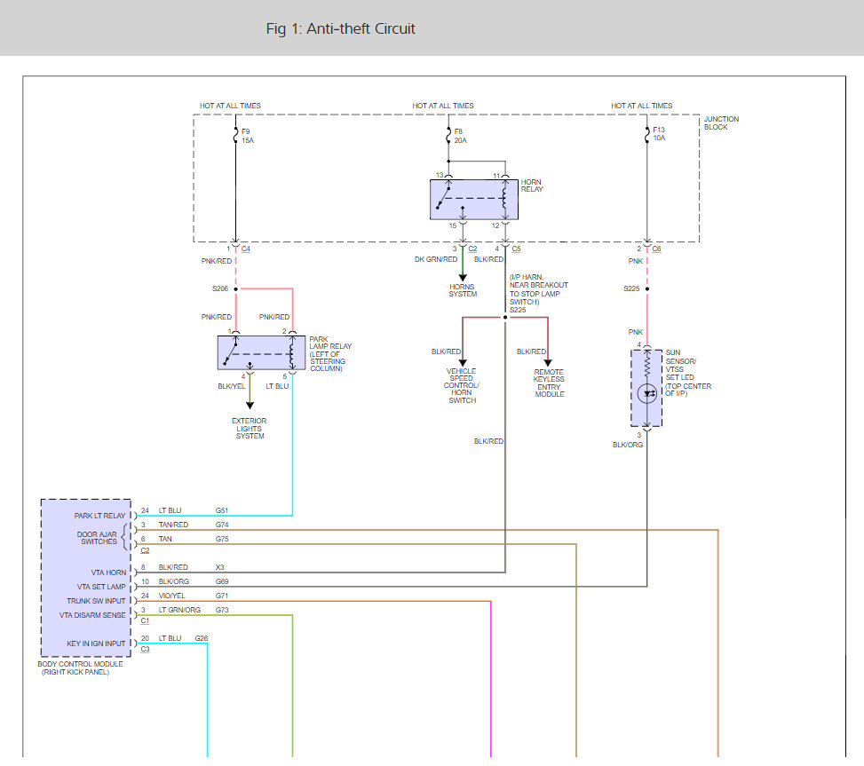
A diagnostics test mode is available in the system to verify operation of all monitored switches or circuits. To enter diagnostics, use the scan tool (DRE) and Vehicle Theft Security System Diagnostic Procedure.

At this time the horn will pulse twice to indicate that the trunk key cylinder is in its proper position. Placing the key in the ignition will allow the warning lamp, headlamps and park/tail lamps to be checked for proper flashing operation. Remove the ignition key from the ignition switch in order to check for door lock cylinder switch operation. At the completion of each of the following operations, a horn pulse will occur to indicate proper operation. Each action must be separated by a minimum of one second or horn pulse will not occur.
Activate the power door locks in both the lock and unlock positions.
Open then close each door one at a time.
Rotate the key in each of the door lock cylinder to the unlock position.
Cycle the ignition switch key to the "on" position as the last step. A single horn pulse will indicate proper operation of the ignition switch. This will also take the system out of the stand alone diagnostic mode.
The self diagnostic mode may also be exited by using the scan tool.

Activating the Remote Keyless Entry System (RKE) to exercise any of the above inputs will also cause the horn to pulse. When the RKE lock button is pressed, the RKE module itself will also pulse the horn. This is part of the RKE normal operation.

Please let us know what you find.

Cheers, Ken
Was this
answer
helpful?
Yes
No
-2
Saturday, September 30th, 2017 AT 8:06 PM
Tiny
URBUDDIE
  • MEMBER
  • 1 POST
  • 1998 CHRYSLER CONCORDE
  • 180,000 MILES
If you lock the car, it will randomly decide that the alarm should go off. If you prevent the car from automatically locking, you can prevent the alarm from being armed. However, the other problem which I think is related is that there are times when the car will simply not start. If you go back later, it does start and is then fine for a while, sometimes weeks.

I think it might a problem in the factory alarm that thinks you are trying to steal it. It would seem like there must be a way to disarm it. If you were going to add an after market alarm system, would you not have to disarm the factory alarm?

I would like to disable the alarm system and see if that clears the problem. Plus I could start locking the car again.
Was this
answer
helpful?
Yes
No
+1
Saturday, September 30th, 2017 AT 8:06 PM (Merged)
Tiny
ASEMASTER6371
  • MECHANIC
  • 52,796 POSTS
You are best off letting a place that specializes in alarms to direct you.

Roy
Was this
answer
helpful?
Yes
No
-2
Saturday, September 30th, 2017 AT 8:06 PM (Merged)
Tiny
CONCORD94
  • MEMBER
  • 1 POST
  • 1994 CHRYSLER CONCORDE
  • 6 CYL
  • 2WD
  • AUTOMATIC
  • 14,000 MILES
Six cylinder two wheel drive automatic 140,000 miles.

How to reset the alarm?
Was this
answer
helpful?
Yes
No
+3
Saturday, September 30th, 2017 AT 8:06 PM (Merged)
Tiny
CARADIODOC
  • MECHANIC
  • 34,489 POSTS
Use the key to unlock the door.
Was this
answer
helpful?
Yes
No
+1
Saturday, September 30th, 2017 AT 8:06 PM (Merged)
Tiny
BESPINOZA
  • MEMBER
  • 1 POST
I solved it with this bridge in the BCM. My 1994 Eagle Vision did not start, just cranked.

I found this fix a lot years ago, maybe this information was lost during the years that passed.

Attached image.

Bryan
Was this
answer
helpful?
Yes
No
Tuesday, April 24th, 2018 AT 8:45 AM
Tiny
KEN L
  • MASTER CERTIFIED MECHANIC
  • 55,469 POSTS
Oh nice, innovative I like that. Great addition to this thread! Please feel free to help out whenever you are on the site. :)

Cheers, Ken
Was this
answer
helpful?
Yes
No
Tuesday, April 24th, 2018 AT 11:36 AM

Please login or register to post a reply.