Hello and thank you, I love this site.
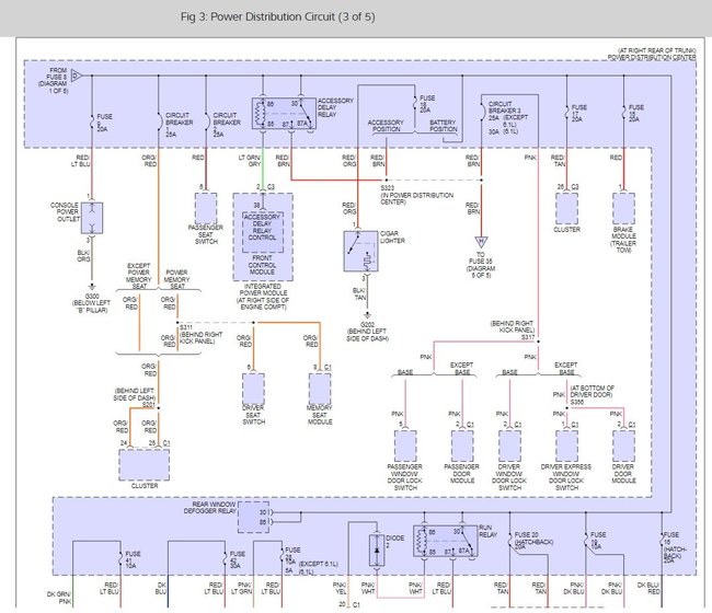
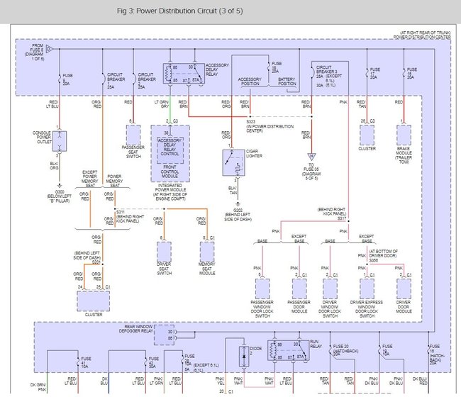
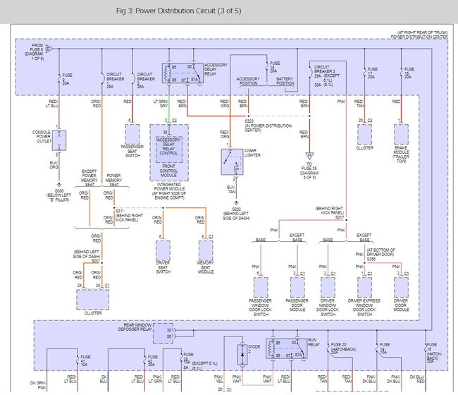
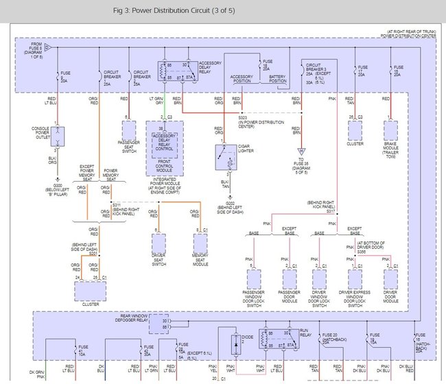
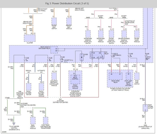
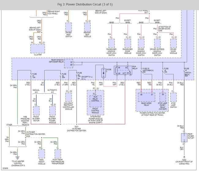
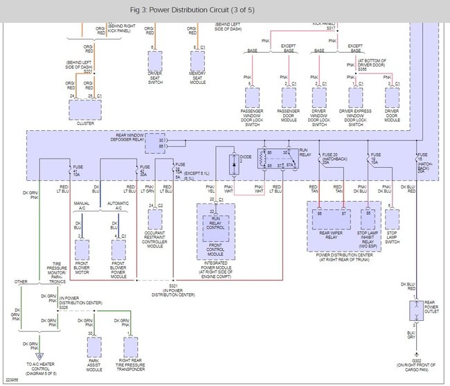
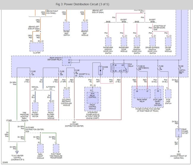
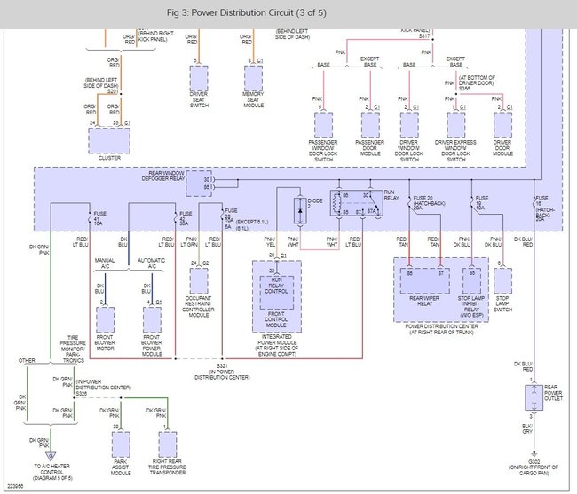
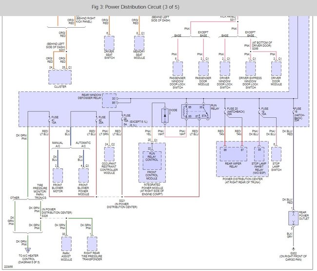
There is no power coming from the Cigarette Lighter (Power Outlet as listed in the manual). I have searched both fuse boxes of the vehicle and can not locate the appropriate fuse or type to replace.
The selection in the manual does not have a listing for the Power Outlet or for which fuse to replace.
Originally, a penny got caught in the Cigarette Lighter. I would love to be able to have a place to charge my phone while in the vehicle.
Thanks.
Mike
Tuesday, March 30th, 2010 AT 1:54 AM






