Engine still won't start?

Tiny
DADDYFOOT
  • MEMBER
  • 1995 CHEVROLET VAN
  • V8
  • 2WD
  • AUTOMATIC
  • 135,000 MILES
Replaced module, serpentine belt, vehicle started and ran for 1 1/2 days and stopped. Then I replaced rotor, coil, distributor cap, and the engine still won't start. Everything works - headlights, wipers, radio.

Where might the problem be?
Sunday, December 9th, 2007 AT 7:56 AM

2 Replies

Tiny
KNOBBY
  • MEMBER
  • 37 POSTS
Are you getting spark spray starting fluid in the itake when cranking to see if it fuel or electrcal it will run off this if it fuel related
Was this
answer
helpful?
Yes
No
Sunday, December 9th, 2007 AT 8:10 AM
Tiny
KEN L
  • MASTER CERTIFIED MECHANIC
  • 55,481 POSTS
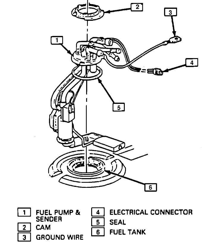
If it runs with starting fluid I have seen the fuel pump go out in these vans, here is how to change it out which should fix the problem. Drain the fuel first this video can help

https://youtu.be/Q5MH2gnyFH0?si=RhICSXMxMgYjUEtw

Check out the images (below). Let us know how it goes
Was this
answer
helpful?
Yes
No
Friday, August 2nd, 2024 AT 11:07 AM

Please login or register to post a reply.