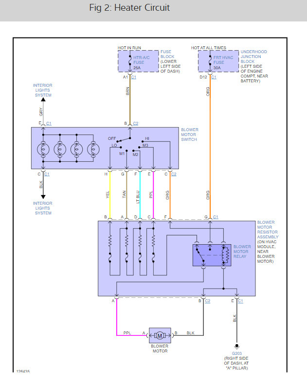
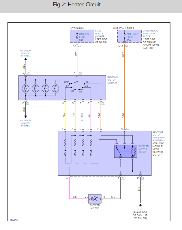
Note the heater does not work in the number 1 position at any time before changing resistor pack.
History:
Car was in an accident over 3 years ago and was hit pretty hard in the left front of the vehicle. Not sure if this is pertinent
Heater problem started fall of 2006
Daughter in law complained of no heat, we swapped cars because no heat can be leathal in Maine winters. We have a spare car so no problem. After swapping cars I go to start the Impala and Lo & Behold the heater came right on. I drove the car for 2 weeks always leaving the heater blower in the #2 position when starting & stopping the vehicle and not a single failure. We went to swap the vehicles; she went to start her car and no heater blower.? No I’m not making this up this lovely gal is honestly Jinxed. I went back out and restarted the car, I tried starting it a couple of times and wiggled the key in the switch and got the Blower to work again. I also made the following observation. The car would sometimes start while turning the key before it got fully to the right. Just to be clear the car would start while the key was almost in the on position, not in the start position. The heater motor is working again. I know damn well it won’t work for her.
Action:
Our service shop recommends replacing the resistor pack which we had him do, he is also aware of the above history. We pick up the auto and she drives away with the heater working, hooray! Well that didn’t take long she takes a few turns and the heater blower goes off and then comes on with another turn or two, her mother was with her so we now have a witness. We swap cars again heater not working I shut the car off to put in the garage before the coming storm. Restart the car after opening garage door you guessed it heater blowing starts working again. Several days later we take the care back to the service center, the mechanic traces all of the circuits an says everything checks OK.
I leave the car with the shop and tell him to take the car home and back to work for a few days, no dice heater works fine.
I talked with Steve (The Mechanic) and asked if the Ignition switch or the fuse block could be the problem he didn’t think so. Between diagnostic time and resister pack replacement there’s over $225 and no reliable solution in sight.
Any help will be greatly appreciated and I will show it.
Jerry
Friday, March 16th, 2007 AT 1:23 PM











