Wednesday, March 18th, 2009 AT 9:27 AM
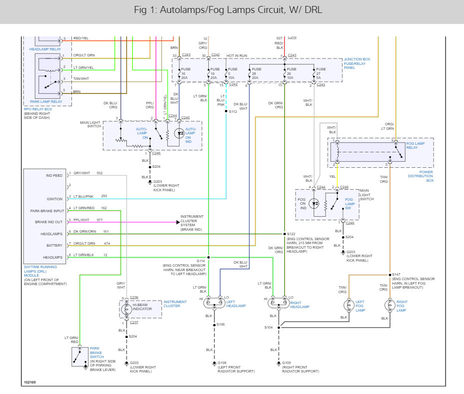
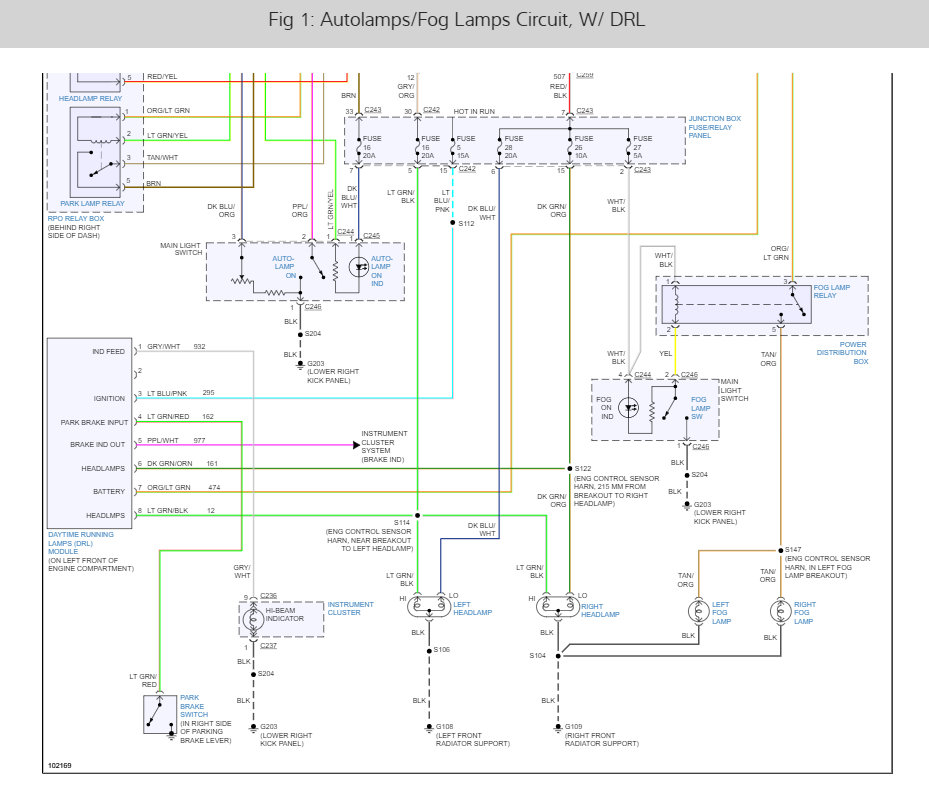
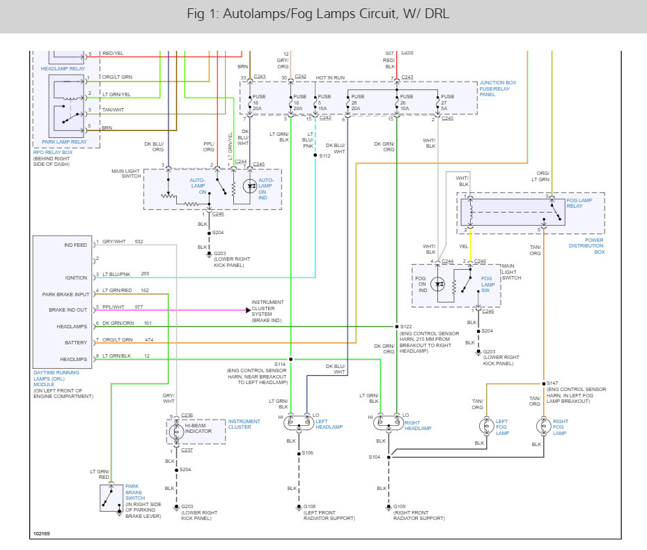
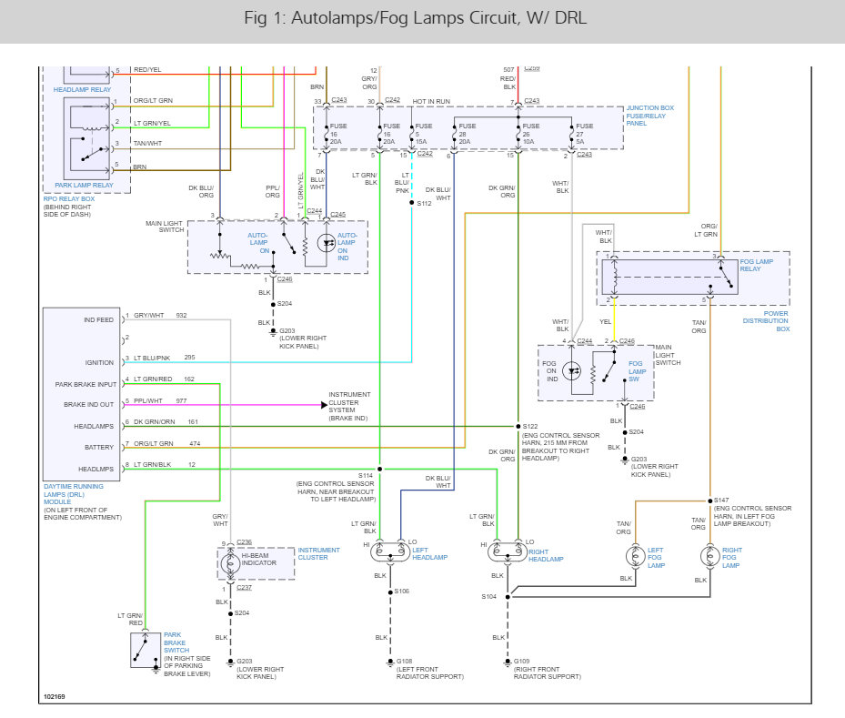
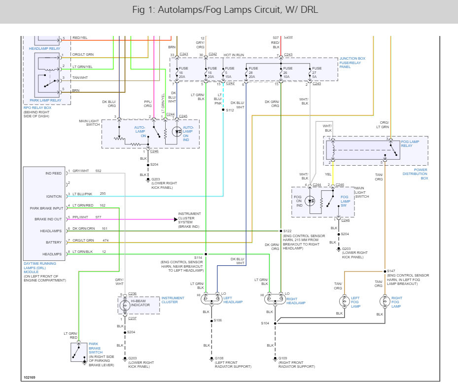
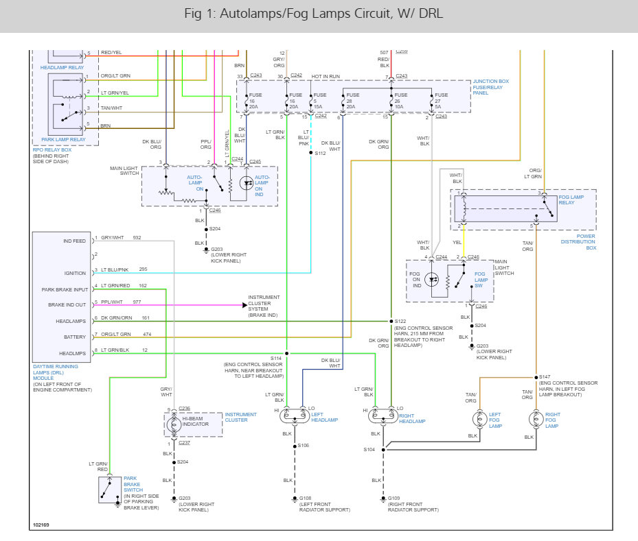
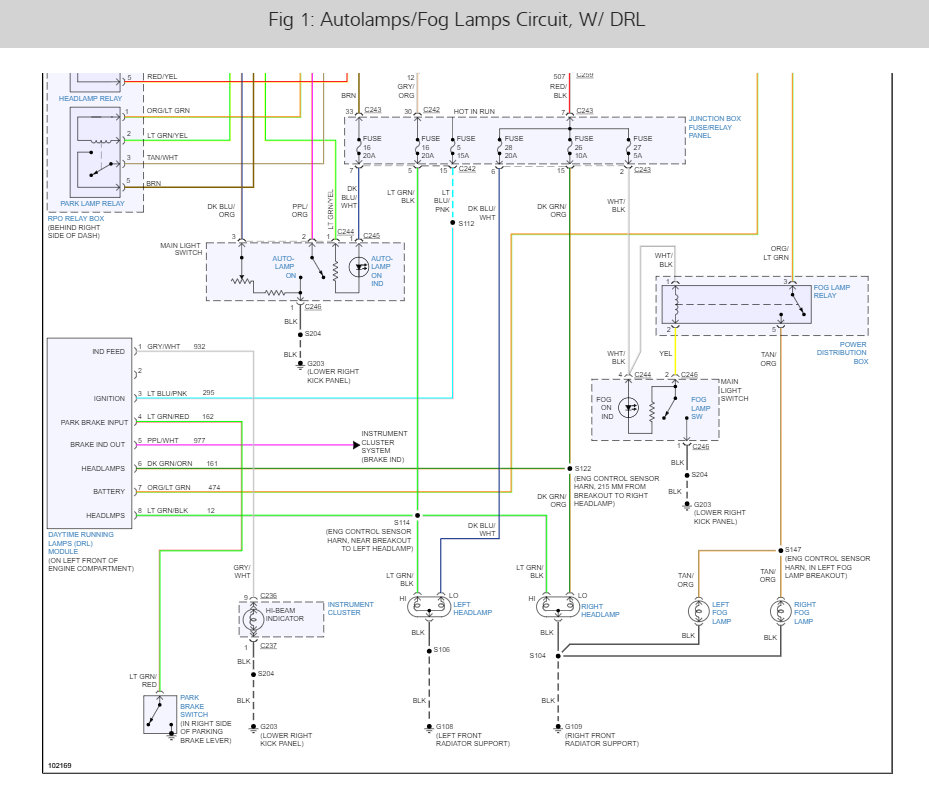
Both low beams do not work. When position headlight switch in-between 2 settings, lights work. Replaced headlight switch with new. Same problem. High beams work as suppose to. Running lights also work as normal. Also getting contradictory informartion about which bulbs are for running lights, low beams, and high beams. Is low beams and high beams the same bulb? Headlight switch wiring?



