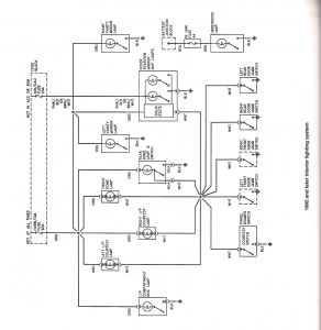
I HAVE A 1997 CHEVY CAVALIER, WELL THE DOME LITE WONT GO OFF, I HAD TO DISCONNECT THE BULB SO MY BATTERY WOULDNT DRAIN, AND THE HORN WONT BEEP,, THE HORN NOT BEEP HAPPENED 5 MONTHS AGO, NOW RECENTLY THE DOME LITE WONT KICK OFF? WONDERING WHAT THE PROBLEMS IS, ARE THE TWO CONNECTED???
TY MUCH JESSICA :roll: STILL CONFUSED
TY MUCH JESSICA :roll: STILL CONFUSED
Feb 26, 2007 at 5:47 PM
