Tuesday, March 10th, 2009 AT 5:17 AM
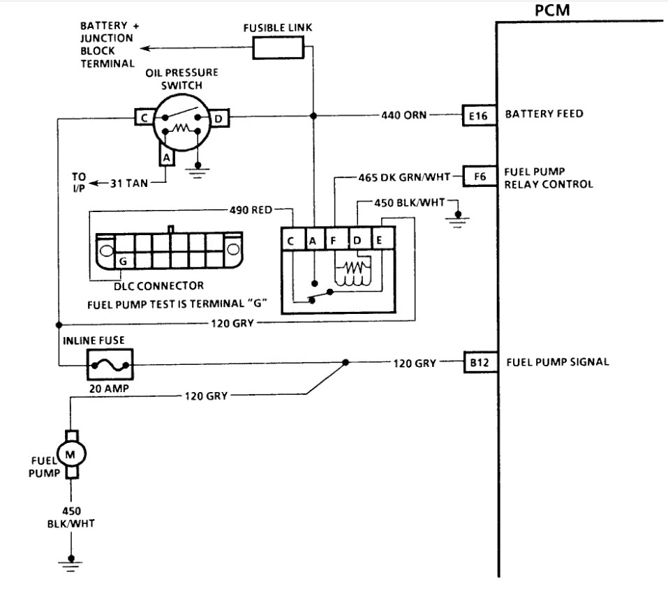
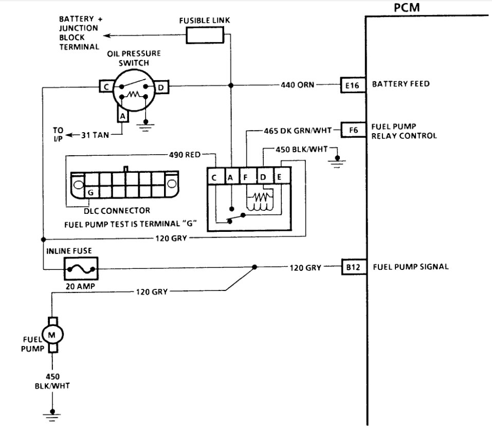
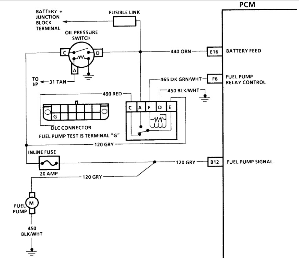
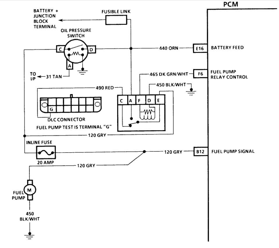
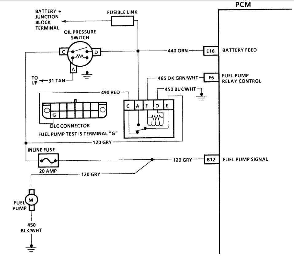
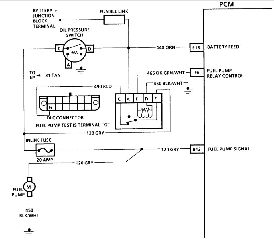
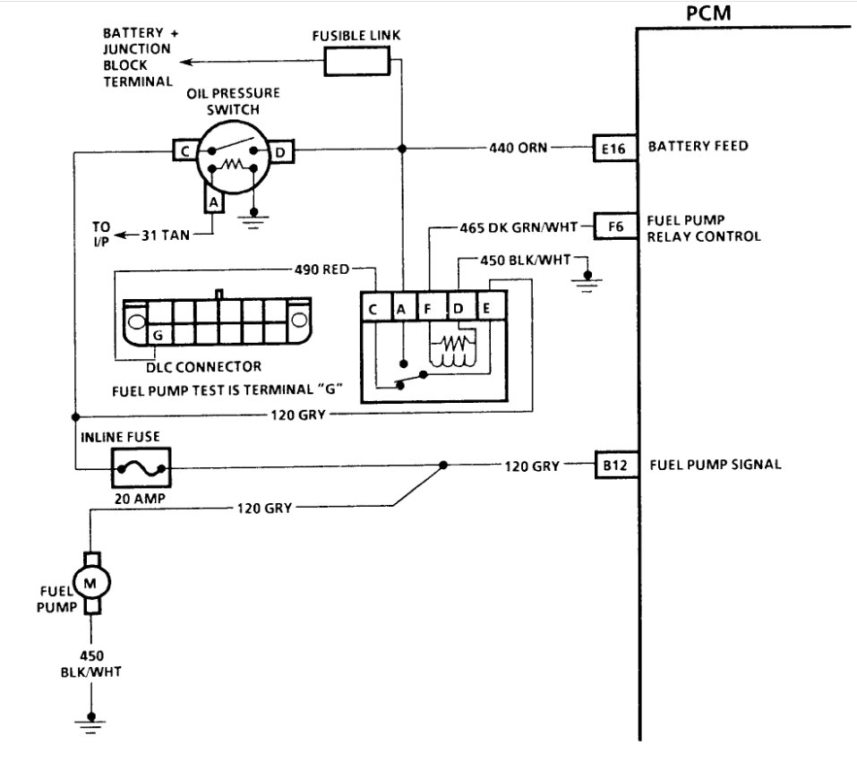
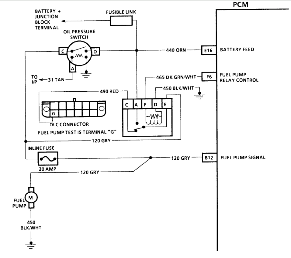
Have fuel pump issues. No pump function. Just got truck. Pump was said to be replaced. Found: Tank not properly mounted, junk pump in tank, dirty tank, disconnected harness (Pump B- was not even bolted to frame) at ank, no supply at tank harness, missing (5PIN- not typical Bosch) relay on pass side firewall next to buss panel. I dropped tank, drained, cleaned replaced pump and send unit, checked operation out of tank and in tank. Unit works now with external power source. Need wiring diagram and location of fuel pump relay and associated parts. Found 2 relays under dash.1 is flasher. I suspect other is Low/High headlights. If fuel pump is other than above mentioned relay Pls advise function of above and location of fuel pump relay. Any other tipps would be appreciated Once I get the diagram I'm sure I can figure out the rest. Thx.(^^)




