Taillights, parking lamps, brake lights and backs lamps don't light?

Tiny
DRT
  • MEMBER
  • 1990 CHEVROLET TRUCK
  • V8
  • 4WD
  • AUTOMATIC
  • 999,999 MILES
My plow truck (which passed inspection) has a taillights problem. The hazards and directionals work in the rear but the taillights, parking lamps, brake lights and back up lamps don't light. Fuses and circuit breakers appear fine. I've done no work on the lights and I'm sure they worked before.

Any suggestions of where to look next?
3500 Dually extended cab.

Also, I've cleaned up the trailer connector, so I don't think it was shorting out.
Thursday, December 6th, 2007 AT 5:41 PM

2 Replies

Tiny
MERLIN2021
  • MECHANIC
  • 17,250 POSTS
Test the headlamp switch and continuity of the wires.
Was this
answer
helpful?
Yes
No
Friday, December 7th, 2007 AT 3:08 PM
Tiny
KEN L
  • MASTER CERTIFIED MECHANIC
  • 55,488 POSTS
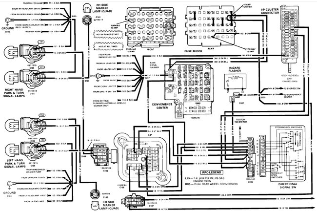
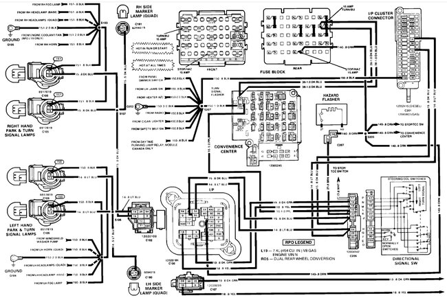
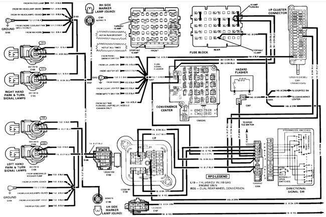
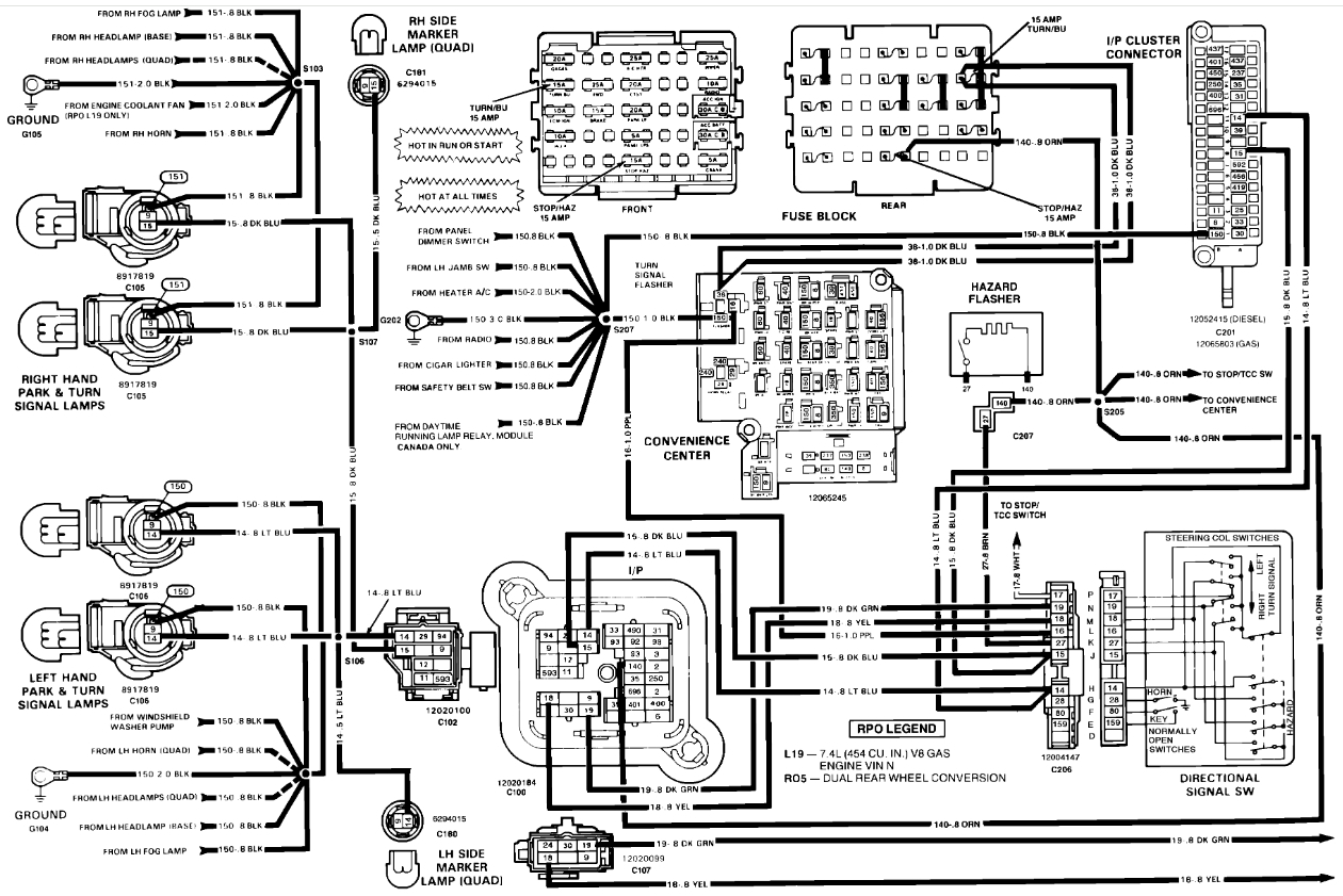
I would check for power when the lights are on at the lighting socket. Here are two guides that can help you because it sounds like you have a bad ground connection. I have included the lighting wiring diagrams so you can see how the system works.

https://www.2carpros.com/articles/how-to-use-a-test-light-circuit-tester

and

https://www.2carpros.com/articles/no-tail-lights-exterior-running-lights-tail-lights-out

Check out the images (below). Let us know what you find.
Was this
answer
helpful?
Yes
No
Saturday, July 6th, 2024 AT 5:58 PM

Please login or register to post a reply.