Welcome, just talking about turn signals. Did you check circuits at turn signal switch while you were replacing switch? Sure would have been a good time.
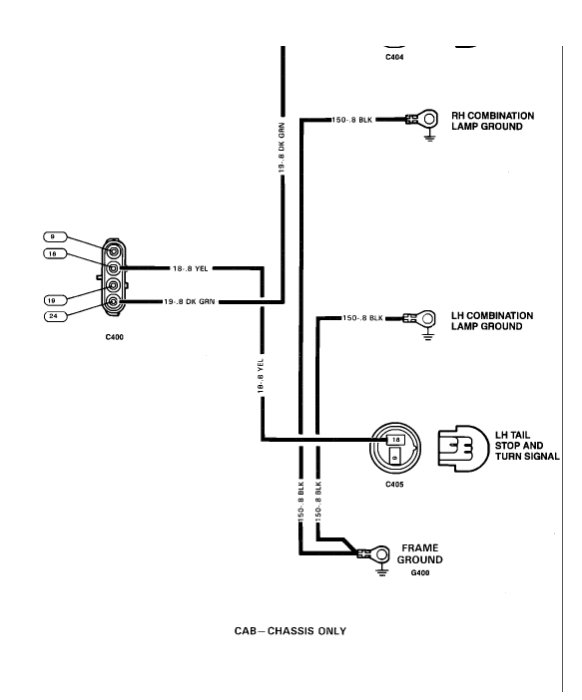
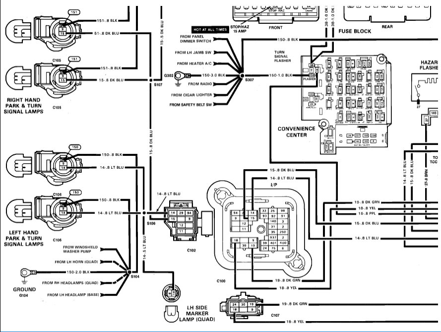
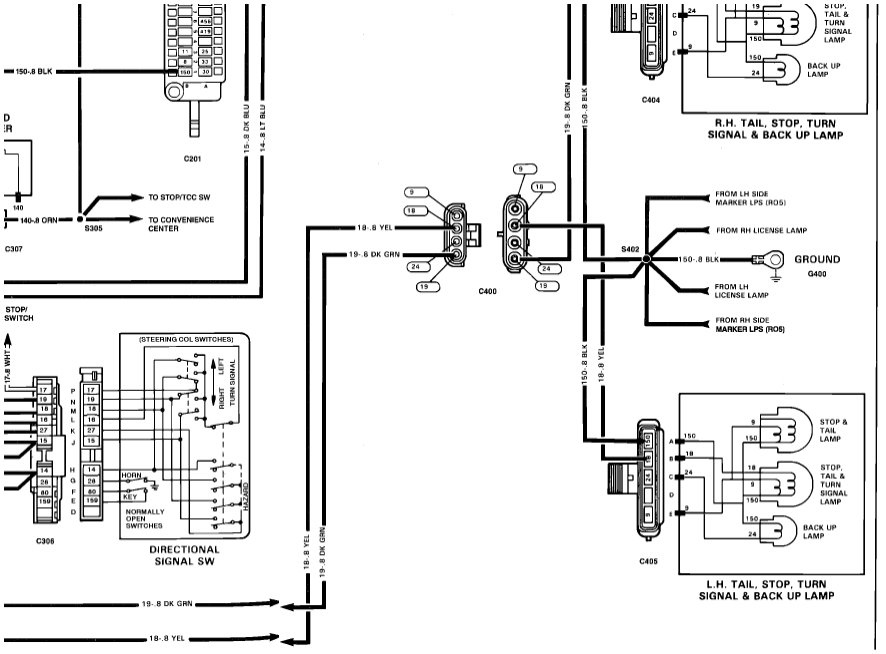
Here is a guide and some diagrams so you can do some testing
https://www.2carpros.com/articles/how-to-use-a-test-light-circuit-tester
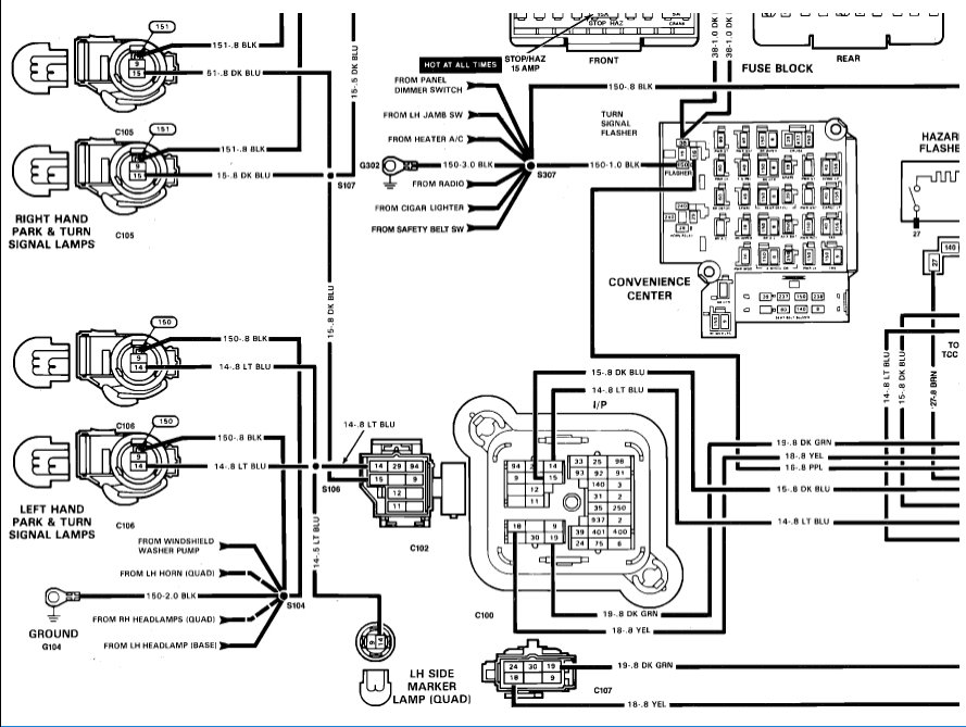
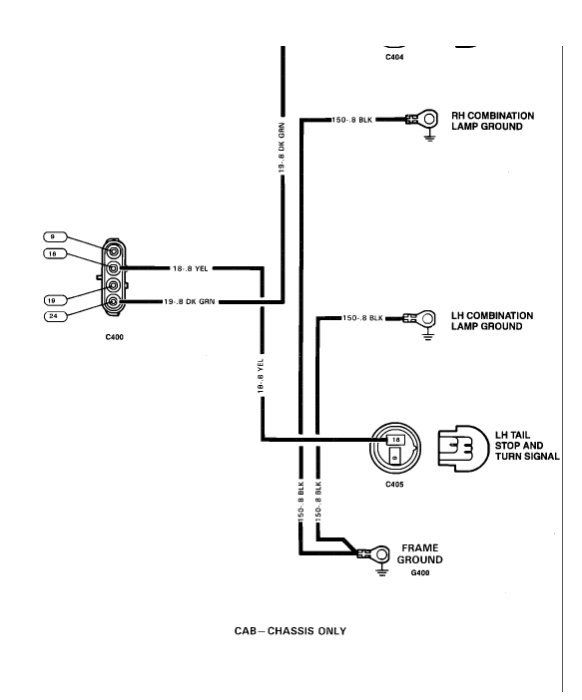
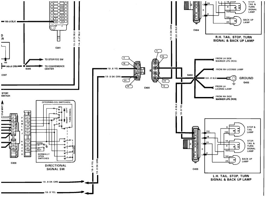
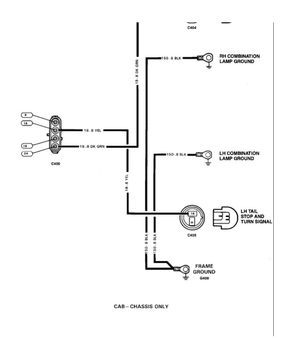
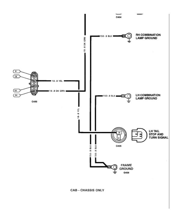
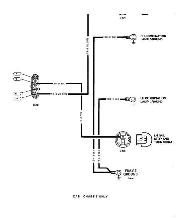
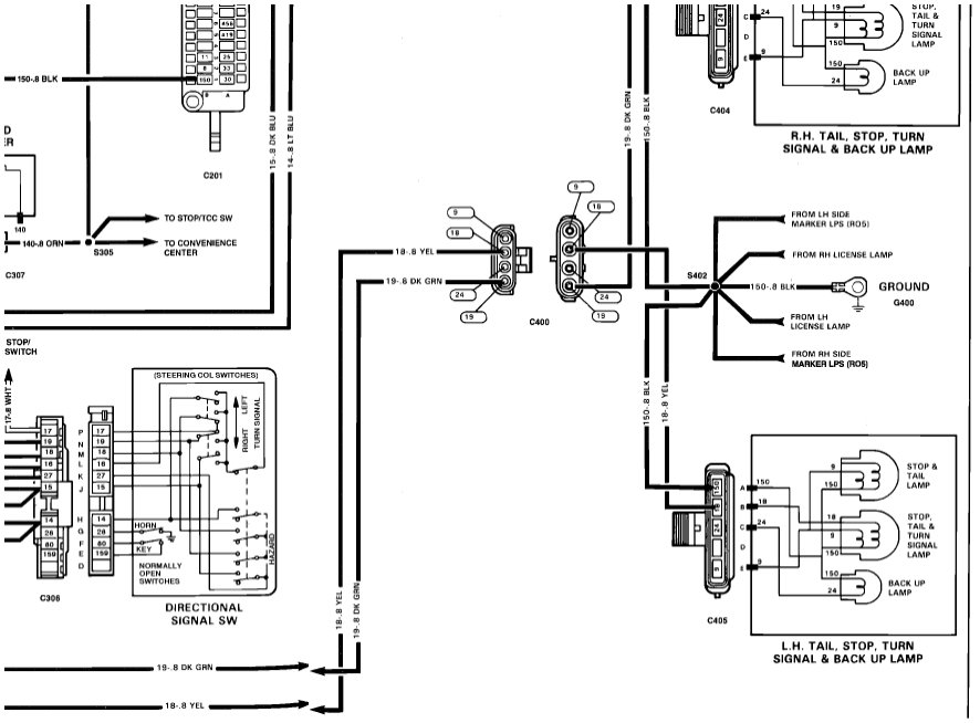
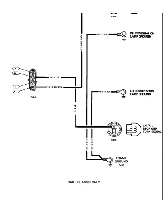
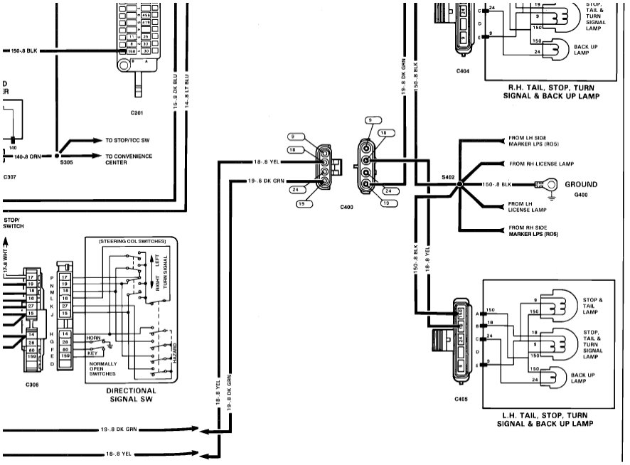
There is probably a multiwire connector under the dash close to steering column, for circuits going to and from the column. You can see wiring colors in diagram. Use testlite on proper wiring circuit, see if it is hot when it should be?

Larger diagram below, sorry they are in pieces.
Please let us know what happens so it will help others.
Cheers
Images (Click to make bigger)
Sunday, February 7th, 2010 AT 3:27 PM