A/C blower motor stopped working

Tiny
PURECNTY
  • MEMBER
  • 2003 CHEVROLET TRAILBLAZER
  • 6 CYL
  • 2WD
  • AUTOMATIC
  • 180,000 MILES
A/C blower motor quit working. Replaced the resistor pack for the blower motor. Check for voltage going to blower motor after switching resister pack. No voltage found. Tried to find electrical diagram No luck.
Any suggestions?
Monday, March 8th, 2010 AT 4:13 PM

1 Reply

Tiny
JACOBANDNICKOLAS
  • MECHANIC
  • 110,194 POSTS
Hi,

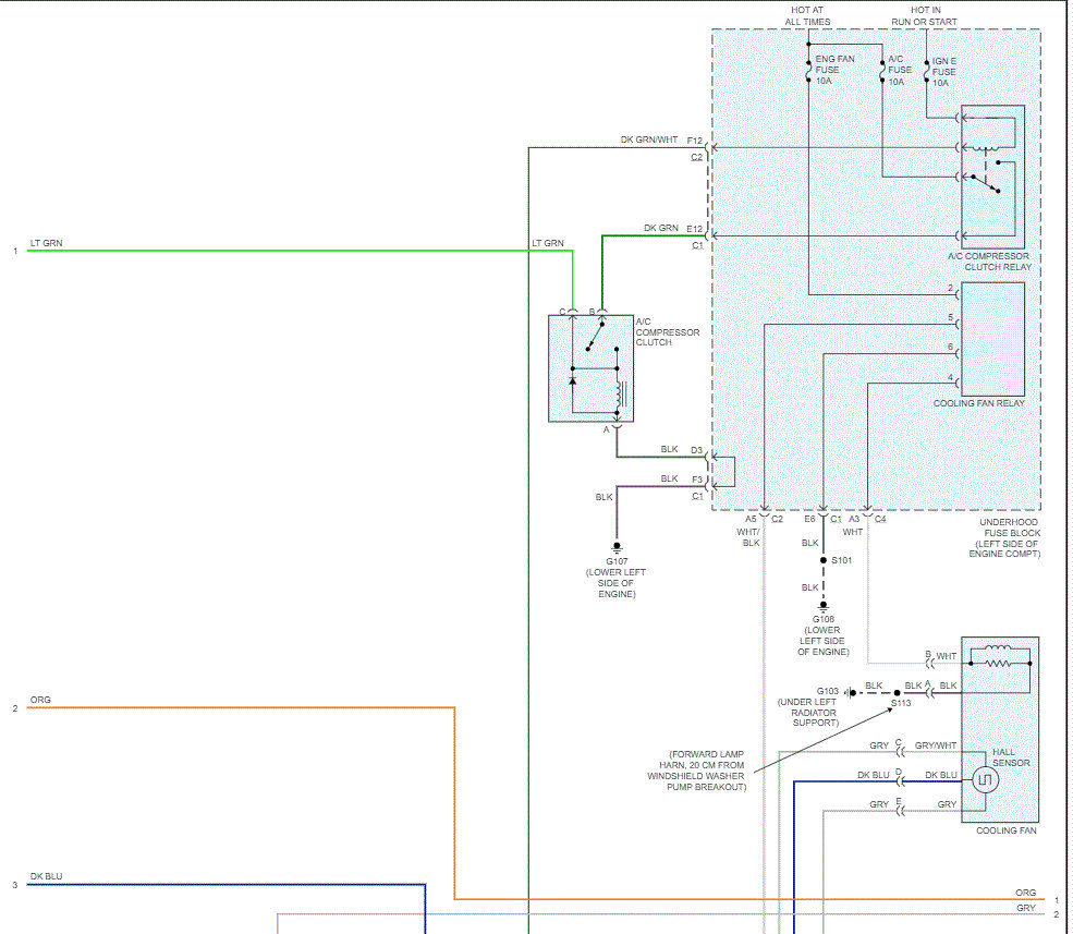
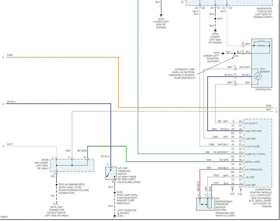
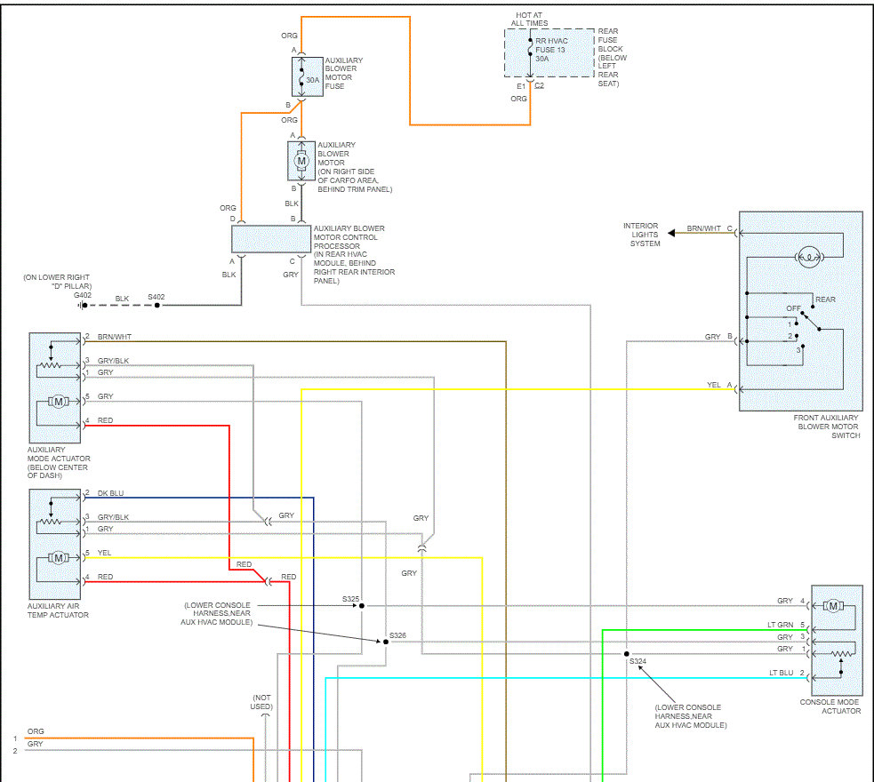
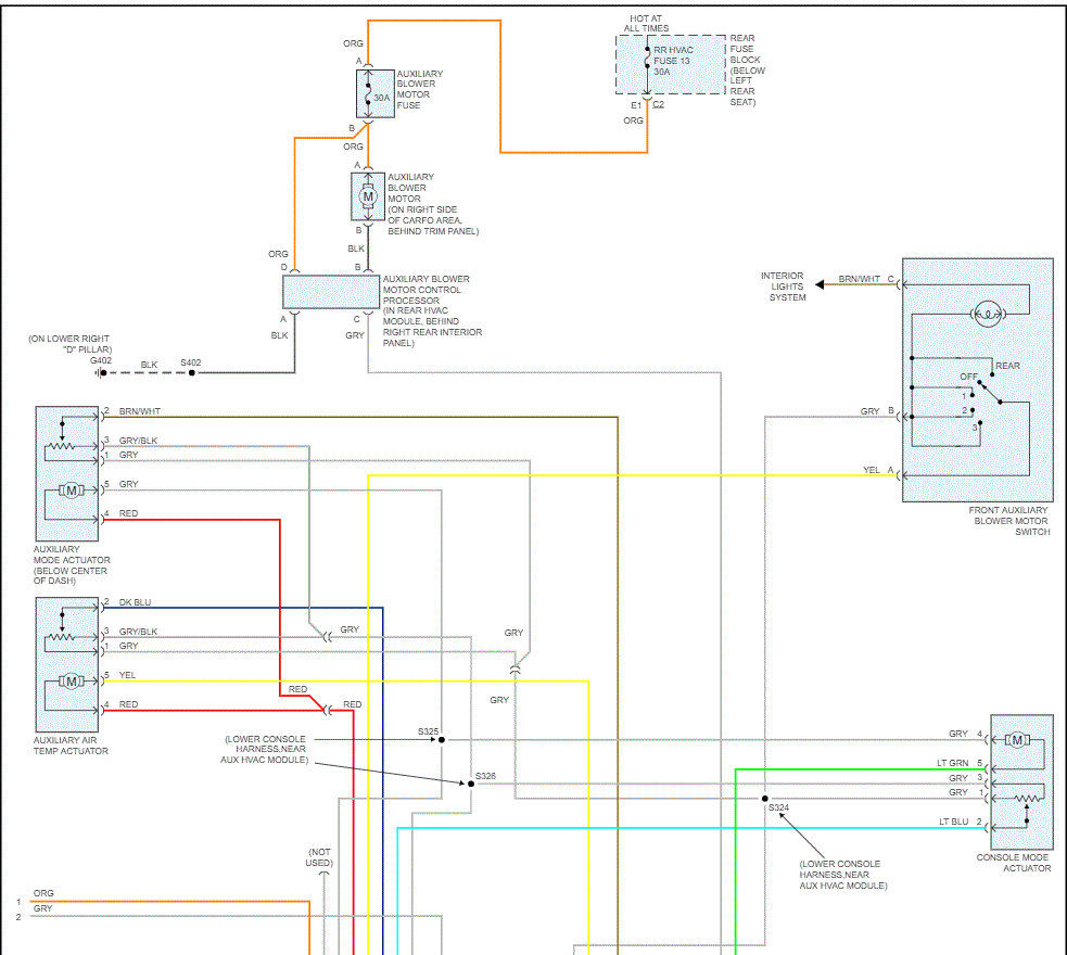
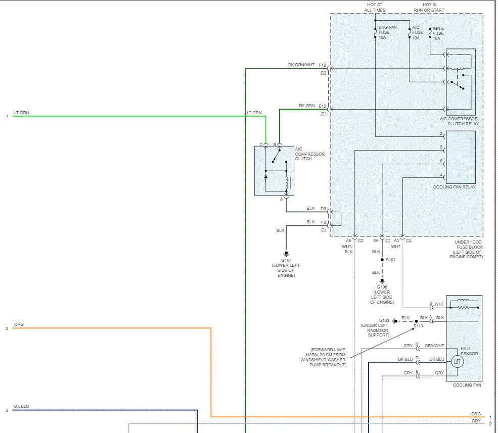
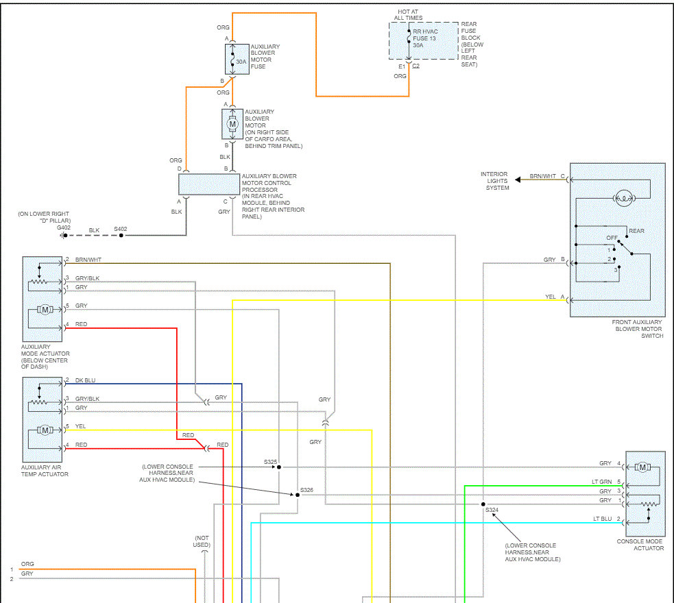
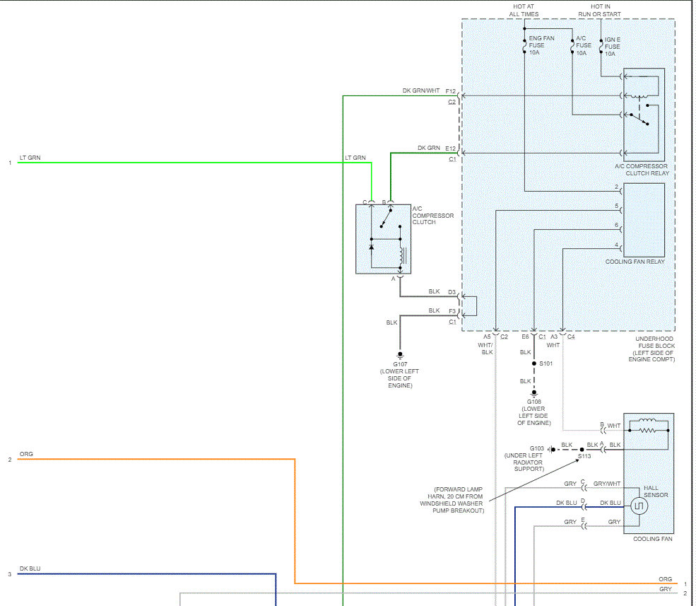
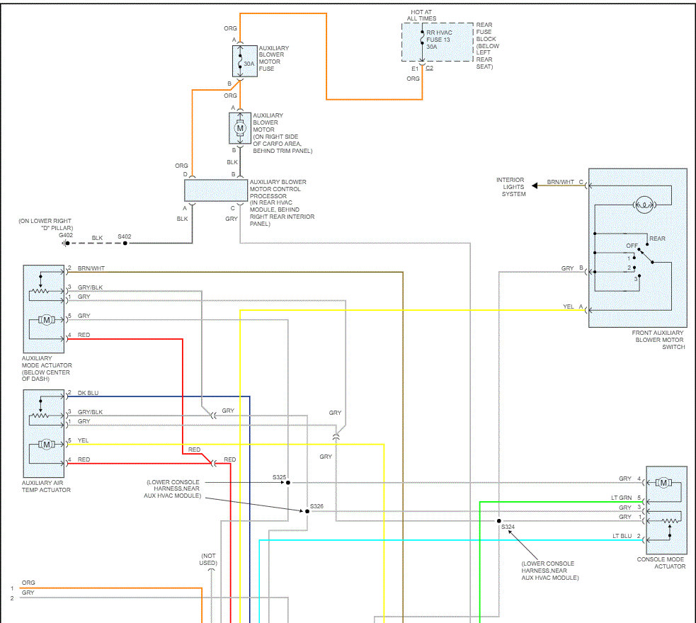
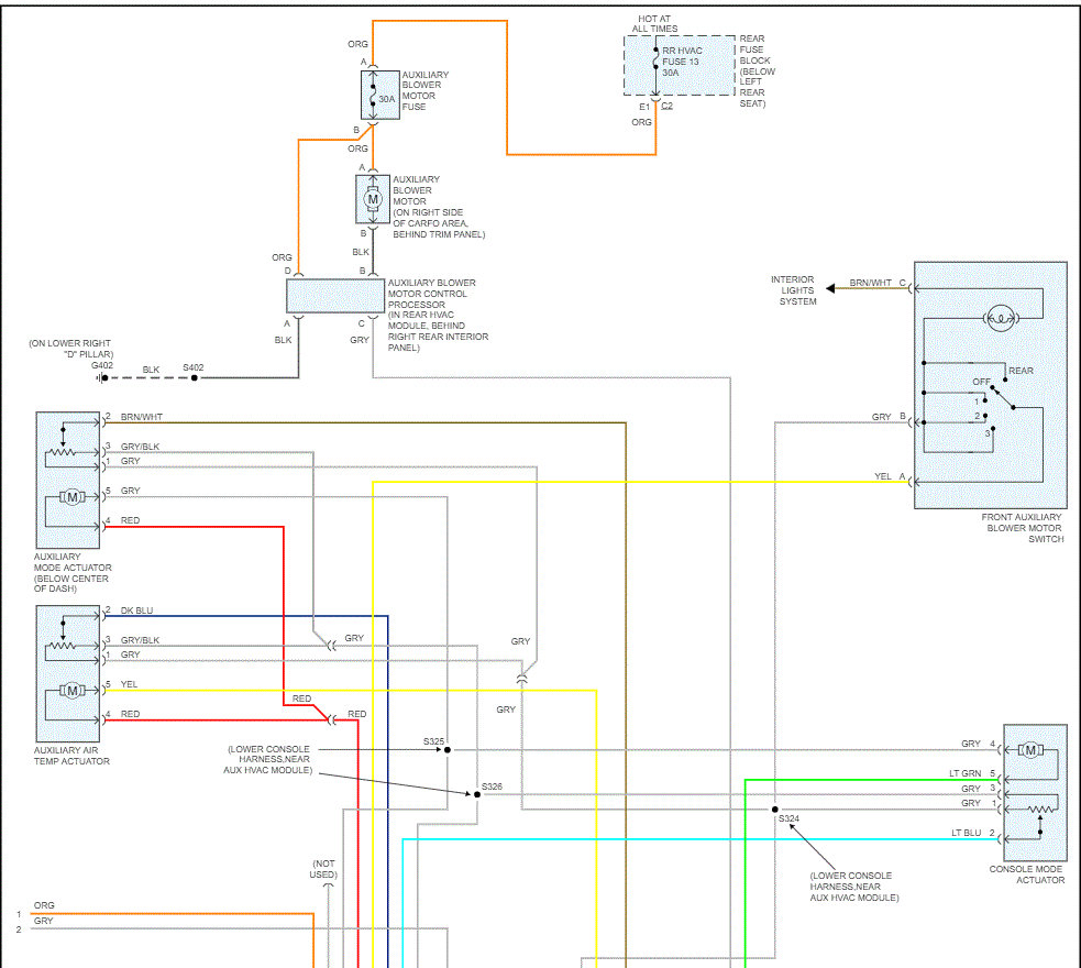
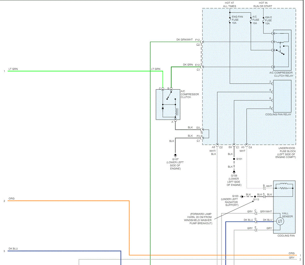
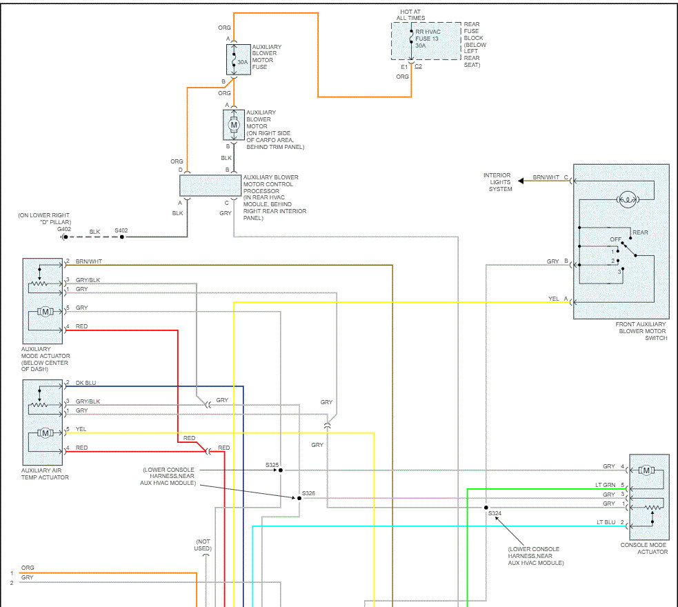
The first thing I would do is confirm power at fuse 35. That fuse powers the blower motor relay via a red wire. See pic 1. Note that from the relay, power is run through the switch, then the resister, then is grounded at the motor.

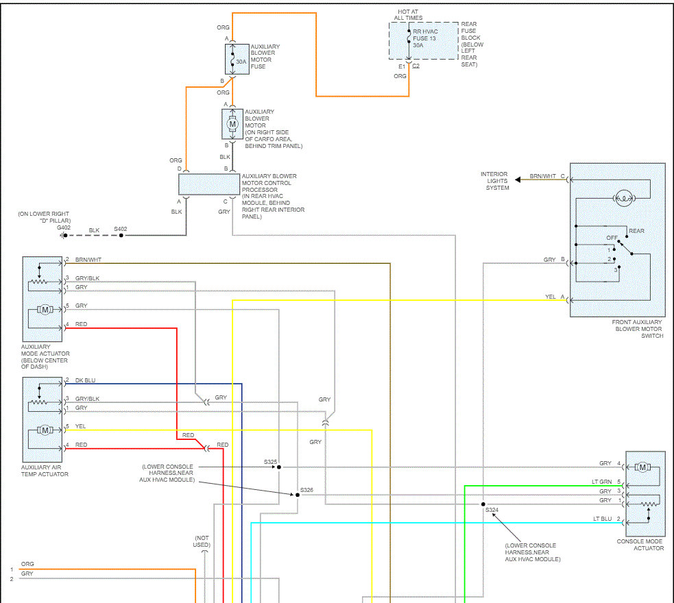
In addition to pic 1, I included the entire wiring schematic for the blower motor unit and HVAC system. I had to cut them in half to make them readable. However, I did overlap them so you can follow them easier.

When you check fuse 35, even if it appears good, confirm there is power both to it and out. You can use a test lamp to do that or even a multi meter.

Please understand, I am basing this on the idea there is no power to the relay. Let me know what you find when you check.

Take care,
Joe
Was this
answer
helpful?
Yes
No
Thursday, April 30th, 2020 AT 7:40 PM

Please login or register to post a reply.