Camshaft Position Sensor

Tiny
ROBERT9911
  • MEMBER
  • 1997 CHEVROLET TAHOE
  • V8
  • 2WD
  • AUTOMATIC
  • 15,000 MILES
I got an error code that is telling me the camshaft position sensor is bad. I have replaced it 3 times within the last month and am still getting the same message. Help?
Tuesday, January 8th, 2008 AT 2:36 PM

3 Replies

Tiny
JOEYPORTER
  • MEMBER
  • 3 POSTS
Hello,

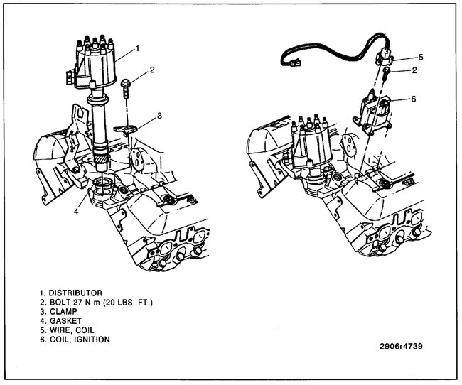
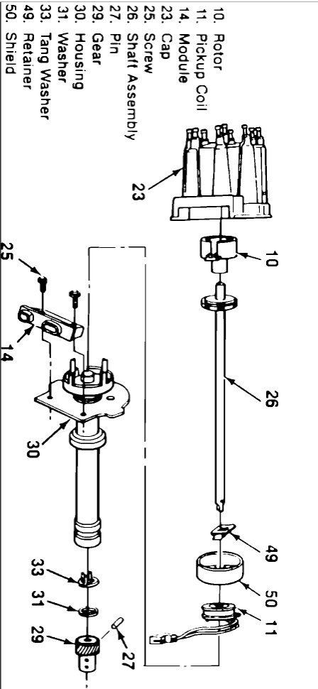
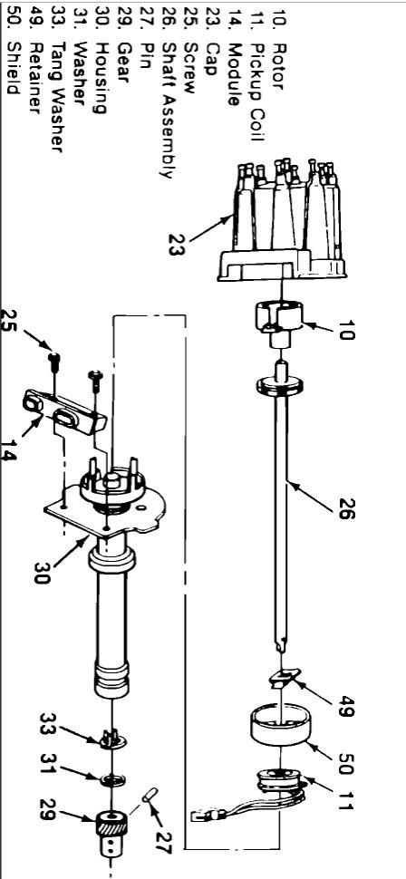
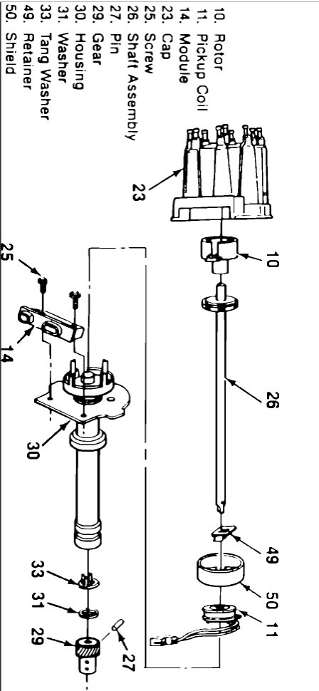
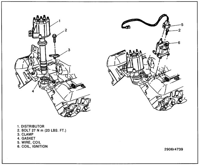
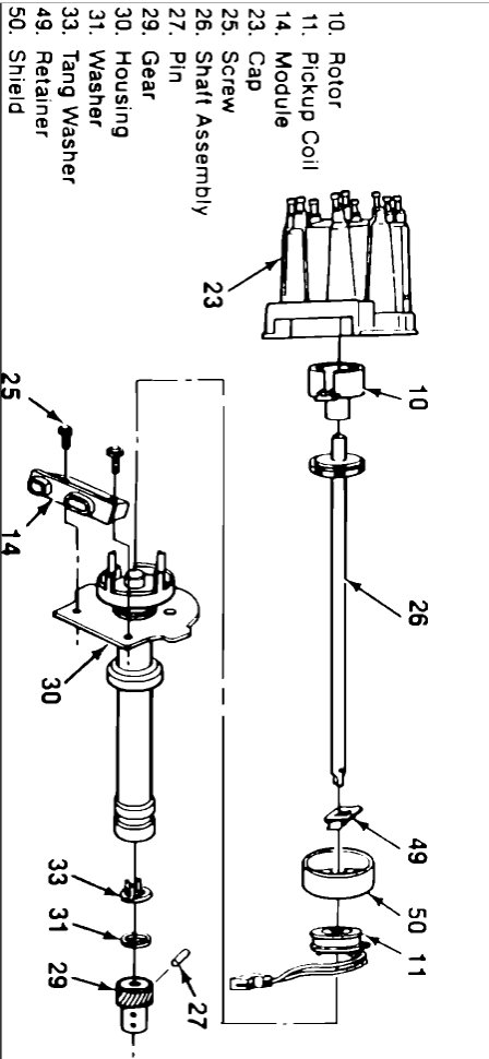
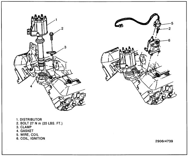
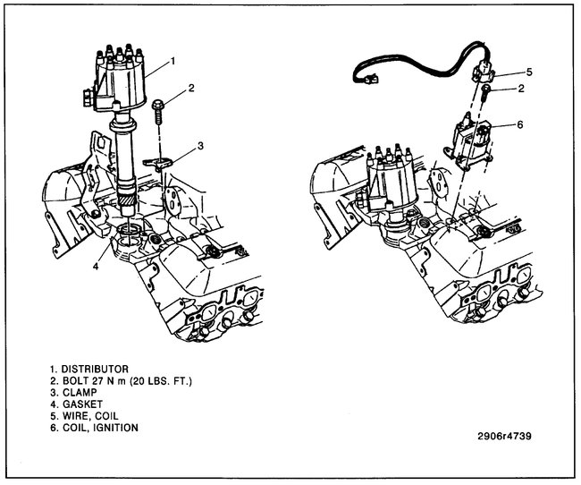
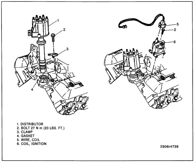
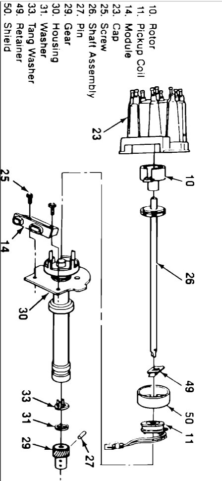
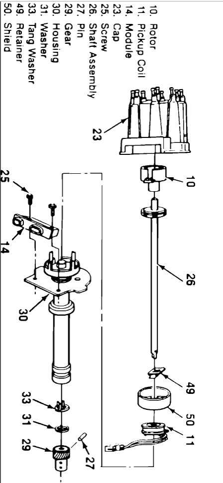
The camshaft sensor is located inside the distributor. Here is a diagram to show you how to change it and where it is.

Check out the diagrams (Below)

Please let us know if you need anything else to get the problem fixed.

Cheers
Was this
answer
helpful?
Yes
No
Sunday, February 17th, 2008 AT 7:56 PM
Tiny
ROWTIEAR
  • MEMBER
  • 91 POSTS
The camshaft position sensor is located inside the distributor.
It used to be called a hall effects switch and controlled spark timing.
Now the crankshaft position sensor controls the spark timing and the hall effects switch controls injector timing.

I would recommend that you buy a complete distributor, you can get them via ebay for under $100.00 and they will come with a new camshaft sensor, distributor cap and rotor.

You will have to have it scanned and have the "cam retard" (distributor timing) adjusted to ensure it is still at "0" after installing the unit

The truck will start and run fine but it is very important to have the cam retard within 2 degrees either way.
Was this
answer
helpful?
Yes
No
+1
Sunday, February 17th, 2008 AT 8:28 PM
Tiny
JOEYPORTER
  • MEMBER
  • 3 POSTS
I changed the distributor out now the truck runs great thanks for the advice. Great site.
Was this
answer
helpful?
Yes
No
+4
Sunday, February 17th, 2008 AT 8:33 PM

Please login or register to post a reply.