Wipers only work on high?

Tiny
ROBADLER
  • MEMBER
  • 2002 CHEVROLET SILVERADO
  • V8
  • 4WD
  • AUTOMATIC
  • 106,525 MILES
Wipers only work on hi speed. What do I need to replace?
Friday, November 6th, 2009 AT 1:09 PM

9 Replies

Tiny
KASEKENNY
  • MECHANIC
  • 18,907 POSTS
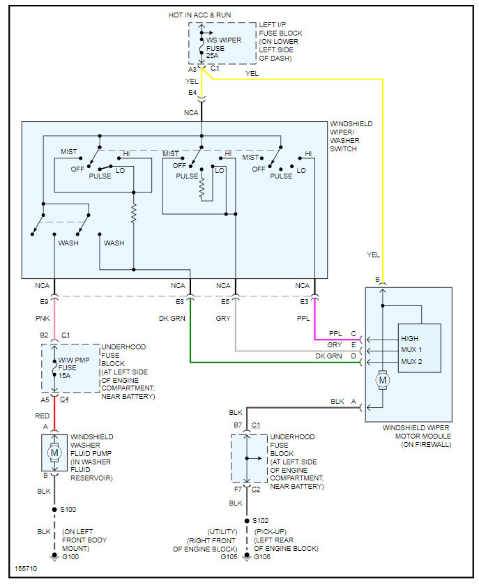
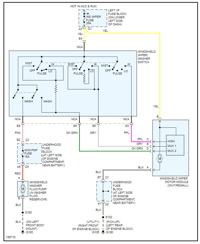
It is hard to know for sure what the issue is but most likely it is the switch. However, here is the testing that we need to run through to find out for sure.

Let us know what other info you need. Here are some guides that will help with this testing:

https://youtu.be/Hlna_kUt7As

Thanks
Was this
answer
helpful?
Yes
No
-1
Saturday, November 28th, 2020 AT 5:03 PM
Tiny
TERO
  • MEMBER
  • 2 POSTS
  • 2000 CHEVROLET SILVERADO
  • V8
  • 4WD
  • AUTOMATIC
  • 67,500 MILES
Wipers only work on high, 2 weeks ago worked fine. Now only high speed works.
Was this
answer
helpful?
Yes
No
+7
Tuesday, December 15th, 2020 AT 5:11 PM (Merged)
Tiny
GFIMOTORCARS
  • MECHANIC
  • 673 POSTS
First I would check the wiper relay. You can check this by switching it with one of the same from your fuse box. For example if you have the same relay for the horn as the wiper then switch them and try your wipers. If they work it is a stuck relay. If not it is probably your wiper switch.
Was this
answer
helpful?
Yes
No
+2
Tuesday, December 15th, 2020 AT 5:11 PM (Merged)
Tiny
TERO
  • MEMBER
  • 2 POSTS
There is no relay for the wipers only a 25 fuse which in working order. I pulled the fuse and the wipers did not work at all. I put the fuse back in and the wipers still only worked on high on the intermittent wipers. Any other possibilities? When you say wiper switch, do you mean the whole blinker switch arm?
Was this
answer
helpful?
Yes
No
+8
Tuesday, December 15th, 2020 AT 5:11 PM (Merged)
Tiny
GFIMOTORCARS
  • MECHANIC
  • 673 POSTS
The problem is the wiper board next to the wiper motor. It has a breaker for heavy snow and can blow and not reconnect which only allows high speed wipers.
Was this
answer
helpful?
Yes
No
+13
Tuesday, December 15th, 2020 AT 5:11 PM (Merged)
Tiny
VETTEMAN2003
  • MEMBER
  • 2 POSTS
  • CHEVROLET SILVERADO
2002 Chevrolet Silverado, 45,000 miles, V-6 engine. When the problem began, the variable speed would work for a while, then the wipers would just stop. High speed would still work. After a while the wipers would work again. Now, the variable speed does not work at all and the wipers will not park. They only work on high. Any idea what could cause this?
Was this
answer
helpful?
Yes
No
+13
Tuesday, December 15th, 2020 AT 5:12 PM (Merged)
Tiny
JIMC4741
  • MEMBER
  • 1 POST
Have a 98 with similar problems. It was caused by the connector plug to the drivers side wiper motor. When they go out wiggle the connector plug to see if they come back on. I ended up having connector plug replaced.
Was this
answer
helpful?
Yes
No
+2
Tuesday, December 15th, 2020 AT 5:12 PM (Merged)
Tiny
CARPENTER
  • MEMBER
  • 2 POSTS
There is a windshield wiper module within the motor. It is a simple allen wrench repair. There are three small allens and the board comes out with the female plug end attached. Slide the new one in and you are done.
Was this
answer
helpful?
Yes
No
+3
Tuesday, December 15th, 2020 AT 5:12 PM (Merged)
Tiny
VETTEMAN2003
  • MEMBER
  • 2 POSTS
Thanks for your replies. Apparently on my 2002 Silverado, the control board is built into the plastic cover. When I removed the cover I saw no way to remove the board. I just today replaced the entire motor assembly, I got the whole thing on EBAY for the price of the cover alone. I am happy to say I have all speeds working now and all seems well. Sadly, as I was doing the work, I remembered I need a tune up, and can't even see the distributor cap, looks like major surgery just to replace the cap, don't ya just love these new vehicles. Thanks again, I really like this forum.
Was this
answer
helpful?
Yes
No
+5
Tuesday, December 15th, 2020 AT 5:12 PM (Merged)

Please login or register to post a reply.