Oil pressure sensor location?

Tiny
MANCILLA
  • MEMBER
  • 1997 CHEVROLET SILVERADO
Where is the oil pressure sensor?
Wednesday, June 3rd, 2009 AT 9:16 PM

1 Reply

Tiny
KASEKENNY
  • MECHANIC
  • 18,907 POSTS
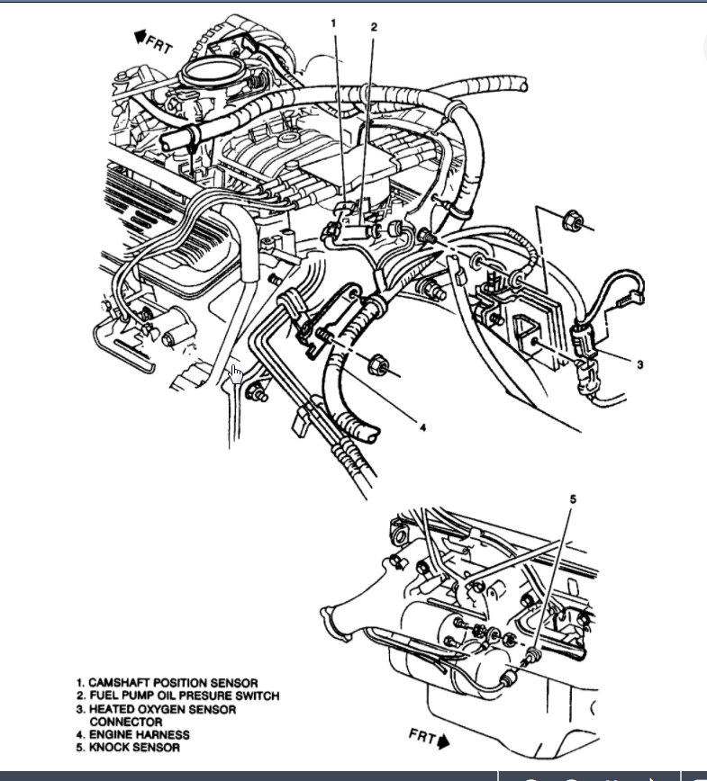
I am attaching the info from the manual on how to replace the sensor. Please review it and let us know if there is more info needed. Check out the diagrams (Below). Please let us know if you need anything else to get the problem fixed. Thanks
Was this
answer
helpful?
Yes
No
+1
Saturday, May 1st, 2021 AT 1:54 PM

Please login or register to post a reply.