Friday, November 7th, 2008 AT 12:05 PM
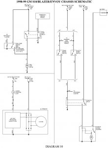
I have a s-io and the engine was rebuilt and alot of wires are diconected from under I need a flow chart because half of the wires are positive half are negative and diconected the fual relay does not kick in thr manuel I have got is to unprecise on the wire diagrams so I need a flow chart to run all the lose wires back in place or a site to download the flow chart




