2.2L Engine
See Figure 1
1. Remove the engine assembly from the vehicle.
2. If equipped, remove the clutch pressure plate and disc from the engine.
3. Remove the flywheel.
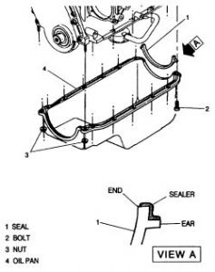
4. Remove the oil pan nuts and bolts, then remove the pan from the bottom of the block.
To install:
5. Carefully clean the gasket mating surfaces of any remaining old gasket or sealer material.
6. Position a new gasket and seal onto the oil pan. Use a thin bead of sealant at either side of the sealer (as shown in the illustration).Use a thin bead of sealant to the oil pan side flanges and the pan surface that contacts the engine front cover.
7. Install the oil pan and tighten the retaining bolts to 89 inch. lbs. (10 Nm).
8. Install the flywheel.
9. If equipped, install the pressure plate and disc.
.

Tuesday, August 12th, 2008 AT 12:34 PM