1995 Chevy S-10 Defrost fan isn't working

Tiny
LITTLEBLUETRUCK
  • MEMBER
  • 1995 CHEVROLET S-10
  • 4 CYL
  • 2WD
  • MANUAL
  • 105,000 MILES
Of course, it's the dead of winter and the defroster quit. Heat is still coming out, but the fan won't start. It worked on the way to work in the morning, but didn't in the evening.

Frankly, I haven't done more than check fluids, tire pressure and change oil, so I'm pretty much a novice when it comes to verifying if the fan is blown or a switch.
Tuesday, January 22nd, 2008 AT 10:42 PM

3 Replies

Tiny
RASMATAZ
  • MECHANIC
  • 75,992 POSTS
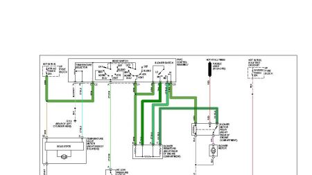
Let start by checking HTR/AC fuse no.6 25amp at instrument panel fuse block. If its okay find blower motor relay at right rear of engine compartment-either swap it for a look alike or test it.

If the fuse and relay is okay-the problem is the HVAC control assembly


https://www.2carpros.com/forum/automotive_pictures/12900_hvac_1.jpg

Was this
answer
helpful?
Yes
No
Wednesday, January 23rd, 2008 AT 5:37 AM
Tiny
LITTLEBLUETRUCK
  • MEMBER
  • 2 POSTS
I did check on the fuses and made sure the connection was tight last night. Based on your description of the relay, that's what I disconnected, examined the plug and re-connected. All looked ok from what little I could see. Still wasn't working last night.

This morning, I turned it on again and it actually was blowing air! It wasn't doing anything in the lowest fan setting, but 2nd-highest did. It seems like it's not working at full force, though, like the "1" setting is now at the "2" position, if that makes sense.

Does this narrow it to just the relay switch? Or, have I still missed something?
Was this
answer
helpful?
Yes
No
Wednesday, January 23rd, 2008 AT 12:18 PM
Tiny
RASMATAZ
  • MECHANIC
  • 75,992 POSTS
Replace the blower motor resistor
Was this
answer
helpful?
Yes
No
Wednesday, January 23rd, 2008 AT 1:41 PM

Please login or register to post a reply.