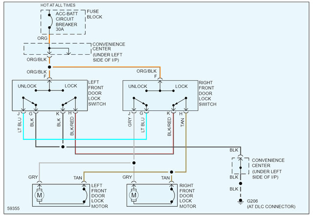
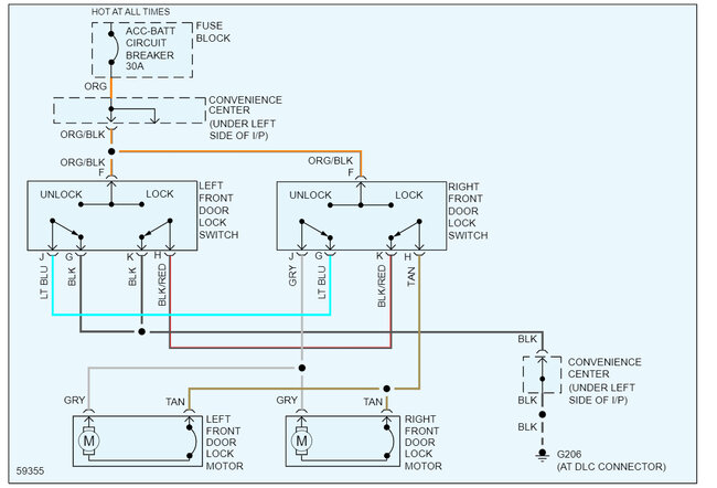
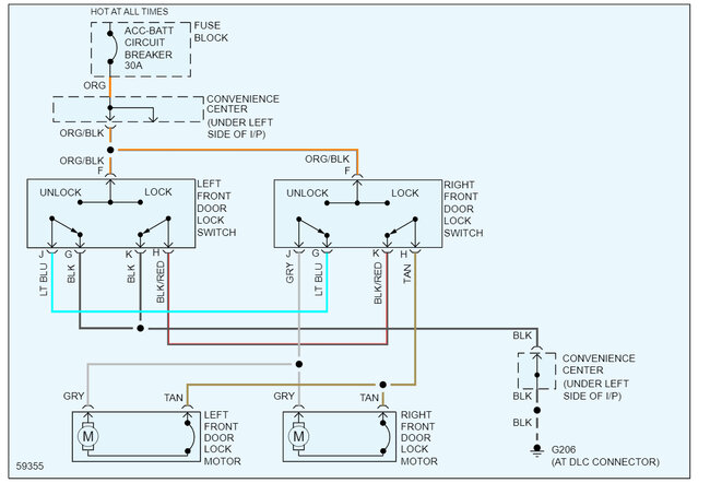
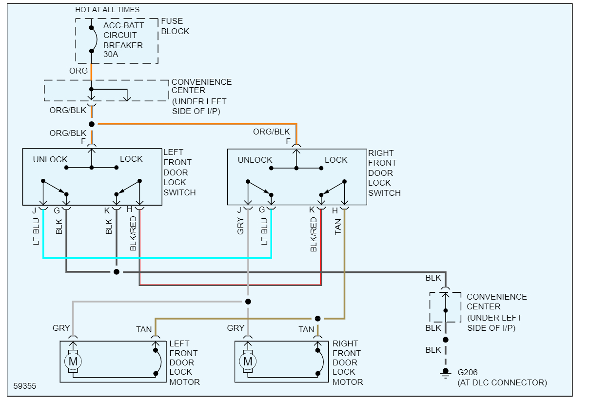
A few months ago the power locks stopped working in my truck. What is strange is that the power windows still work fine. I have changed all the fuses without any success. Also, the passenger side button will unlock both doors, but will not lock them. The driver side will not do anything. Any suggestions?
Tuesday, June 13th, 2006 AT 8:59 PM

