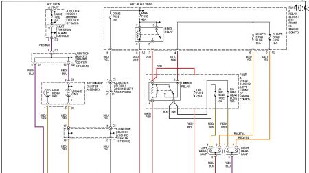
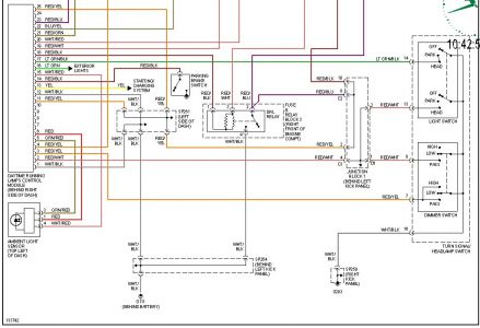
Good morning, my Prism after many years and many miles of faithful service recently lost the ability to turn on the headlights. I discovered that with the headlights off, the DRL lights will work for about 20 seconds after the car starts and then they turn off.
My local garage diagnosed and changed the headlight switch (which required removing the steerling wheel and airbag). This did not initially cure the issue but the technician noted that the issue with the headlights was that they were not getting ground. (We also put a new battery in the vehicle). However, the simple act of hooking up his meter from the column to one of the headlamps directly magically cleared the problem. Perhaps the ECM got a reset from this?
After paying my $250 for the new part, new battery and labor, I drove the car for about a month without issue until the other night; I turned the car off while picking up dinner and when I retruned to the car, the headlights were again gone. I was able to drive home with the DRL lights on for 20 seconds at a time :-(
Not sure what to do next but this vehicle still gets 40 mpg and has no rust. I'd hate to have to get rid of it.
Thank you for any help you can provide.
jim diggins
Wednesday, January 7th, 2009 AT 8:46 AM




