Saturday, January 2nd, 2010 AT 8:18 AM
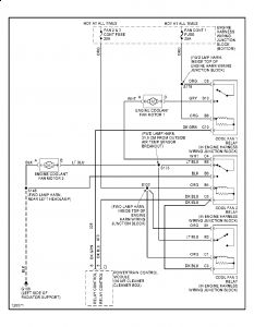
When I drive short distances temp guage on dash works fine. When I drive longer distances (45 min-longer ) temp guage stops working. Have had the plug replaced. The sensor replaced. And still same thing. Without a temp reading the fan is running all the time by default.



