
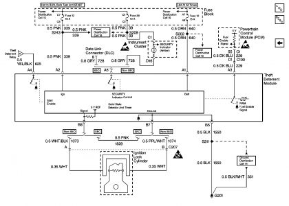
locate connector C207 under the steering column.Disconnect the connector,insert the ignition key in the lock cylinder.Connect an Ohm meter to terminals A&B on the connector.Measure the resistance.If there is an open circuit,the meter will show no reading.This test verifies there are no broken wires to the lock cylinder.
C207 (1 cavity)
Instrument panel harness to the steering harness, behind the Instrument panel on the right side of the steering column
Saturday, November 17th, 2007 AT 3:47 PM