Tuesday, July 20th, 2010 AT 9:13 PM
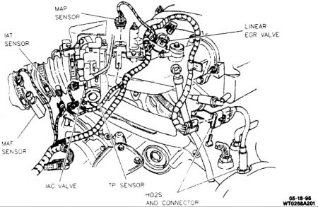
Whenever my car is on, it shakes mostly when I stop or start to go. It occassional dies while in idle. My dad who knows a bit about cars seems to think it's the map sensor, but we can't seem to find it inside the car. Looking online it only shows what it looks like but not where it would be.




