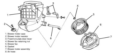
REMOVAL:
Disconnect the negative battery cable.
Remove the glove compartment to access the blower motor electrical connectors.
Disconnect the blower motor and resistor wiring connectors.
Disconnect the air control cable from the blower case assembly.
Remove the blower case mounting bolts and case from the vehicle.
Remove the three motor retaining screws and blower motor. Disconnect the air hose, if equipped.

INSTALLATION:
Install the blower motor case and secure with screws.
Connect the air hose to the blower motor case.
Install the blower motor case in the vehicle and tighten bolts to 89 inch lbs. (10 Nm).
Connect the air control cable. Connect the electrical connectors.
Install the glove compartment.
Connect the negative battery cable.
Thanks for using 2CarPros.com!
Monday, March 2nd, 2009 AT 8:27 PM