Thursday, October 25th, 2007 AT 2:52 AM
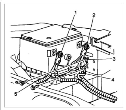
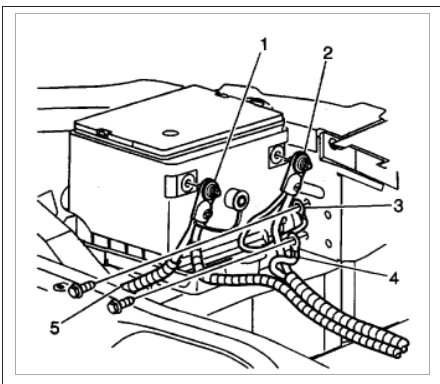
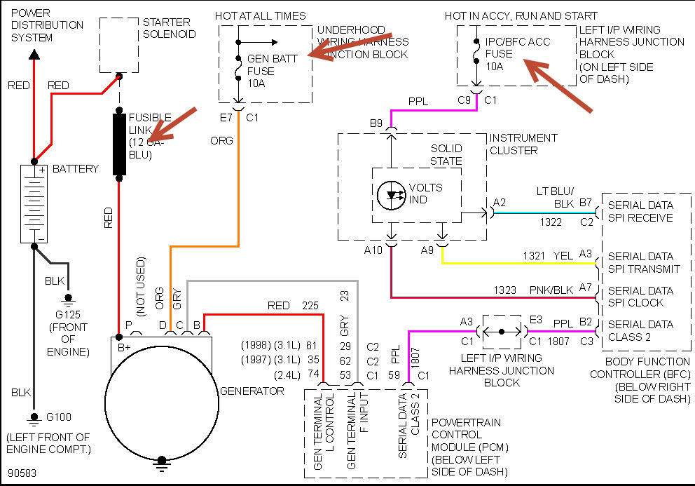
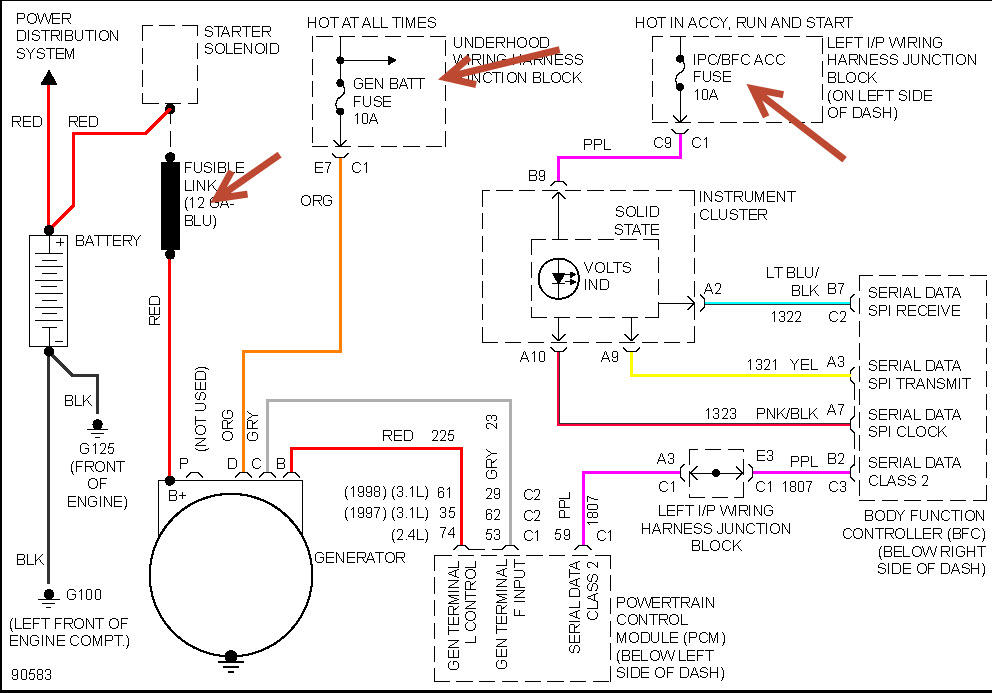
I have replaced the alternator and battery and the alt does not charge battery. ABS and Battery light comes on and car dies. Connection to battery is good. Is there a fusible link hidden somewhere? All other fuses are good. Appears all grounds are good also, no sloppiness and are all tight. It is a 99 malibu with a 2.4l engine with 45000 original miles. When disconnecting pos terminal of battery a very small spark between battery post and cable.






