Washer pump

Tiny
STEVE PETERMAN
  • MEMBER
  • 2000 CHEVROLET MALIBU
  • 6 CYL
  • FWD
  • AUTOMATIC
  • 90,000 MILES
Doe's the windshield washer pump have its own fuse?
Monday, January 19th, 2009 AT 6:45 AM

6 Replies

Tiny
LSAUTO
  • MECHANIC
  • 61 POSTS
No the washer pump does't have its own fuse it is tied in with the wiper motor and other items if its mot working check that all hoses on the hood are connected and in good condition. Unhook the hose at the spray nozzle and see if fluid comes out. Its really common for the nozzles to plug up and not spray

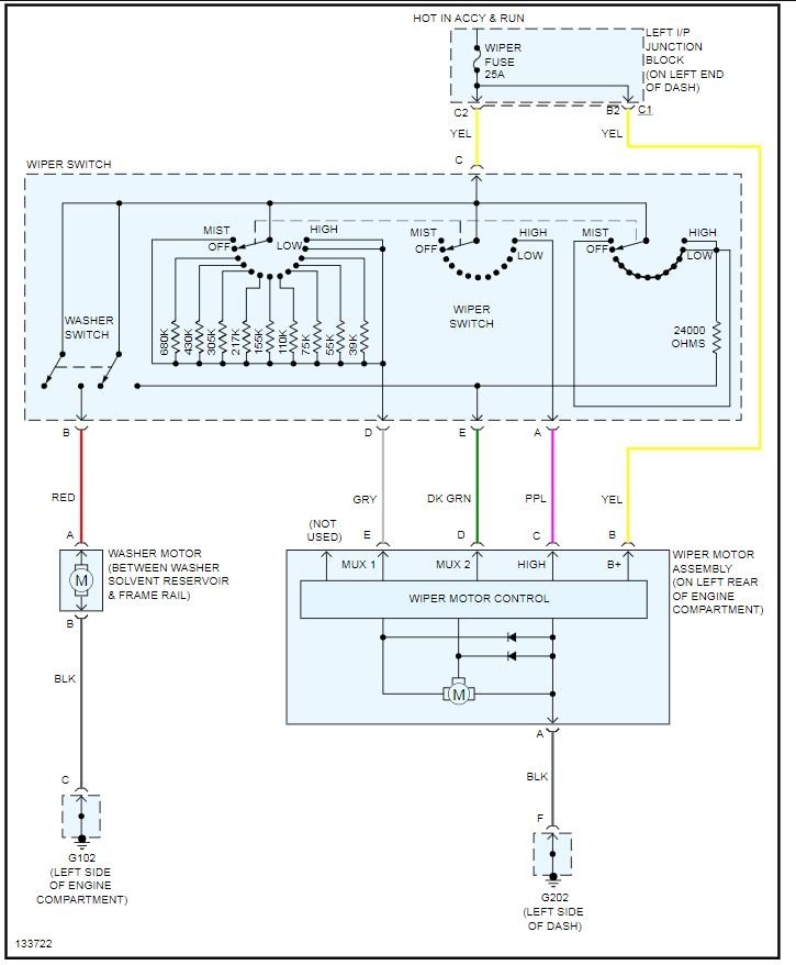
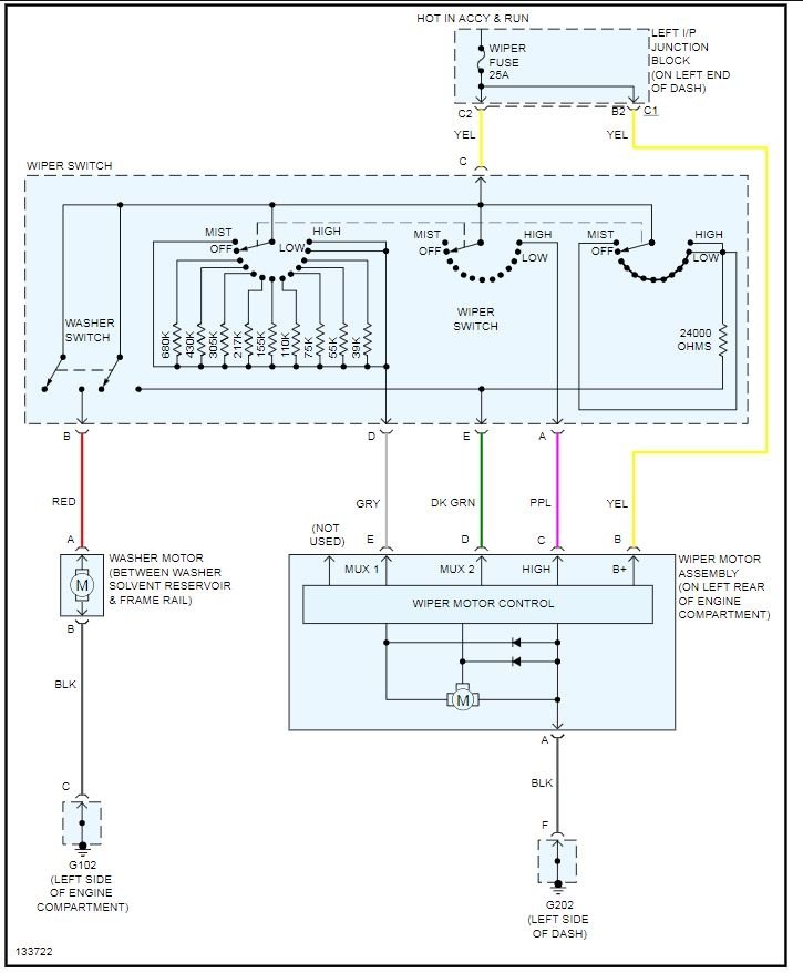
The wiring diagram for your wiper/washer system is attached below
Was this
answer
helpful?
Yes
No
Monday, January 19th, 2009 AT 9:03 PM
Tiny
LORIJVAN
  • MEMBER
  • 7 POSTS
  • 2005 CHEVROLET MALIBU
  • 6 CYL
  • FWD
  • AUTOMATIC
  • 62,000 MILES
I have replaced my washer pump thinking that it was the problem, but still doesn't work. If the new washer pump is hooked up it does not communicate to the steering column device and the wipers do not come on, if I unhook the pump the wipers come on like they should when asking for washer fluid. I do not believe the lines are clogged or any fuses are blown but could either of these things be the problem. Sick of having dirty windows.
Was this
answer
helpful?
Yes
No
Friday, February 15th, 2019 AT 6:43 PM (Merged)
Tiny
KHLOW2008
  • MECHANIC
  • 41,814 POSTS
Hi lorijvan,

Thank you for the doantion.

The wiper functions are controlled by the BCM and I believe that is the cause of the problem.

Appropriate scan tools would be required to scan for trouble codes to determine the fault. It is also necessary to use the scan tools to perform testing of the washer circuit.
Was this
answer
helpful?
Yes
No
-1
Friday, February 15th, 2019 AT 6:43 PM (Merged)
Tiny
ELNORA
  • MEMBER
  • 7 POSTS
  • 2007 CHEVROLET MALIBU
  • 4 CYL
  • FWD
  • AUTOMATIC
  • 47,800 MILES
I can't go through another winter of this!

I purchased a 2007 Malibu last December 2008. When the temp is below freezing outside the washer fluid will not come out. This started a few weeks after I signed the loan and I should have taken it back but didn't. I kept a spray bottle in my car last winter with washer fluid to spray on my windows because of this. Forgot about this problem until it started again this week. I went to auto supply storesl last winter and have purchased all types of washer fluids and still didn't help. When temp is over 35 degrees no problem. I called the dealer this week and they told me it would be a $75 inspection fee.

Any help before I pay that?
Was this
answer
helpful?
Yes
No
Friday, February 15th, 2019 AT 6:43 PM (Merged)
Tiny
JACOBANDNICKOLAS
  • MECHANIC
  • 110,192 POSTS
It sounds like it is freezing. What you need to do is when it gets cold and doesn't work, you need to check to see if there motor on the washer jug is getting power. IF it is, then either the pump is bad or the washer is frozen.

Check it and let me know what you find. All you need is a test light and a helper to push the button.

Joe
Was this
answer
helpful?
Yes
No
Friday, February 15th, 2019 AT 6:43 PM (Merged)
Tiny
ELNORA
  • MEMBER
  • 7 POSTS
Thanks for the advice. The weather has been around 40 as of late so the washer is of course working well. I will see what happens the next time if freezes then let you know.
Was this
answer
helpful?
Yes
No
Friday, February 15th, 2019 AT 6:43 PM (Merged)

Please login or register to post a reply.