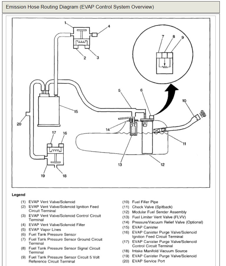
Wednesday, December 26th, 2007 AT 1:26 PM
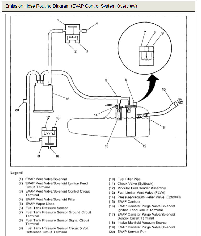
I replaced the intake manifold (lower gaskets). Everything is working fine except during reassembly I was unable to locate the vacuum line that hooks to the upper intake plenum right by the fuel pressure regulator. After some searching I found the broken off end of the line in the engine compartment. I cannot find the rest of the line or any unused vacuum port anywhere. There is no vacuum diag. Anywhere on the car or in my Haynes repair manual. My gas milage is poor. No engine trouble codes are being set. It doesn't hook to the MAP sensor. The MAP sensor on the v6 is mounted directly to the upper intake plenum by the ignition coils, and connects to the plenum with a very short tube. It is connected and working. There is also a line which goes from the MAP to the fuel pressure regulator. The line and port in question is located close to the fuel pressure regulator on the front driver side corner of the upper intake plenum.



