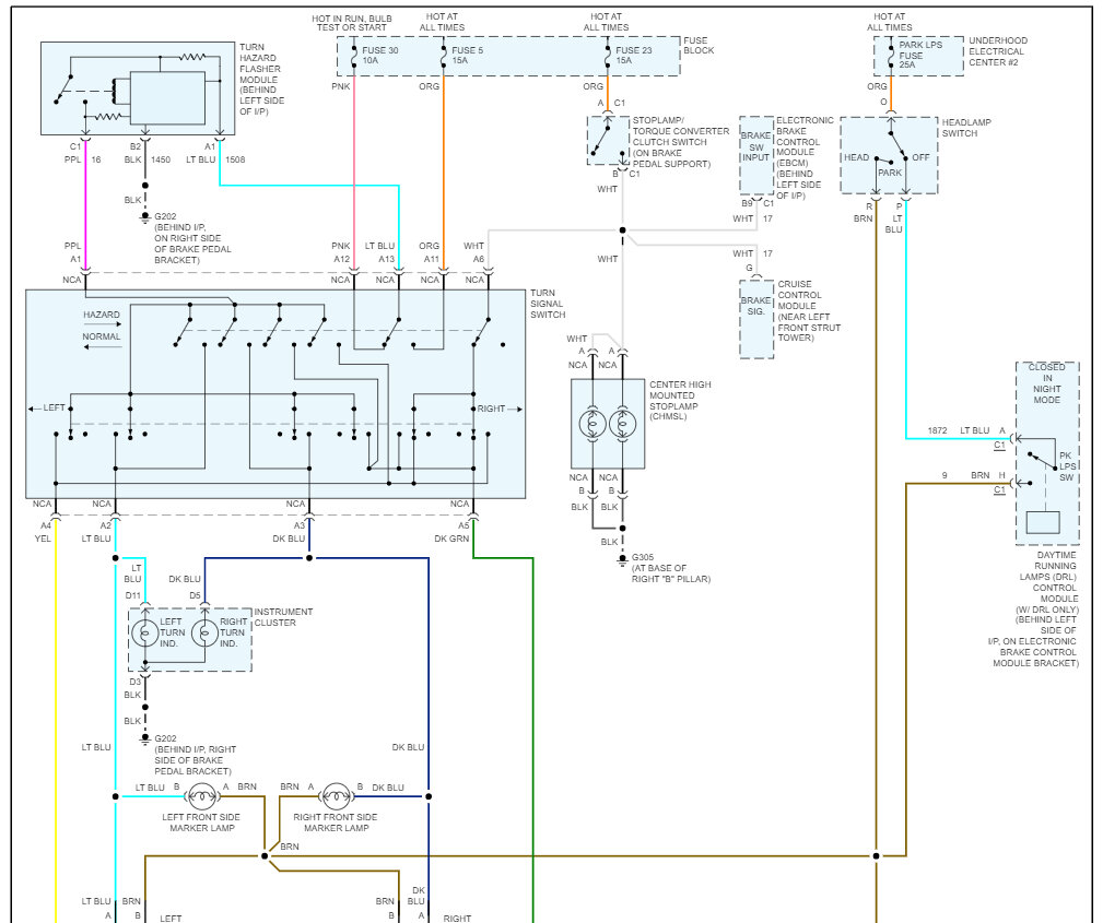
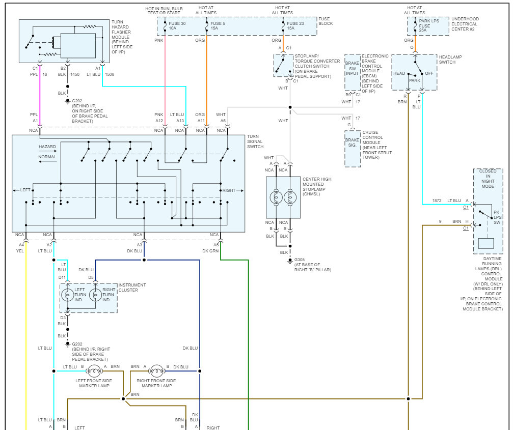
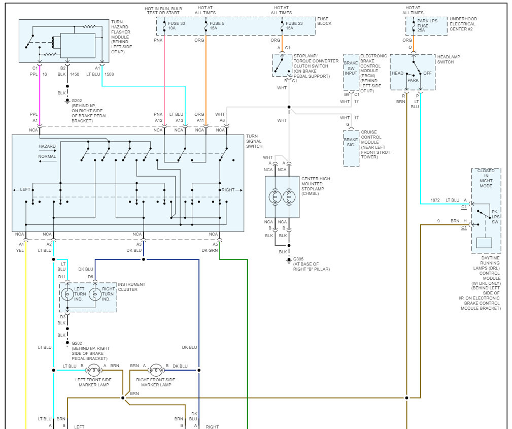
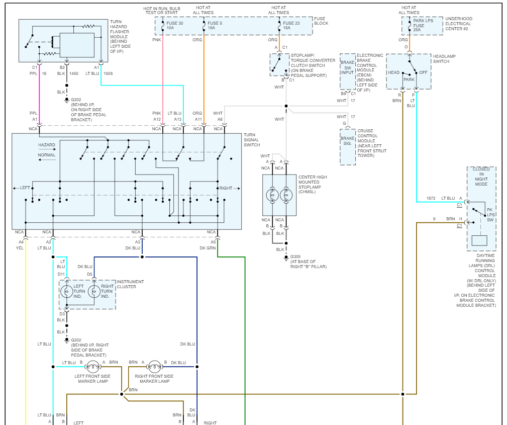
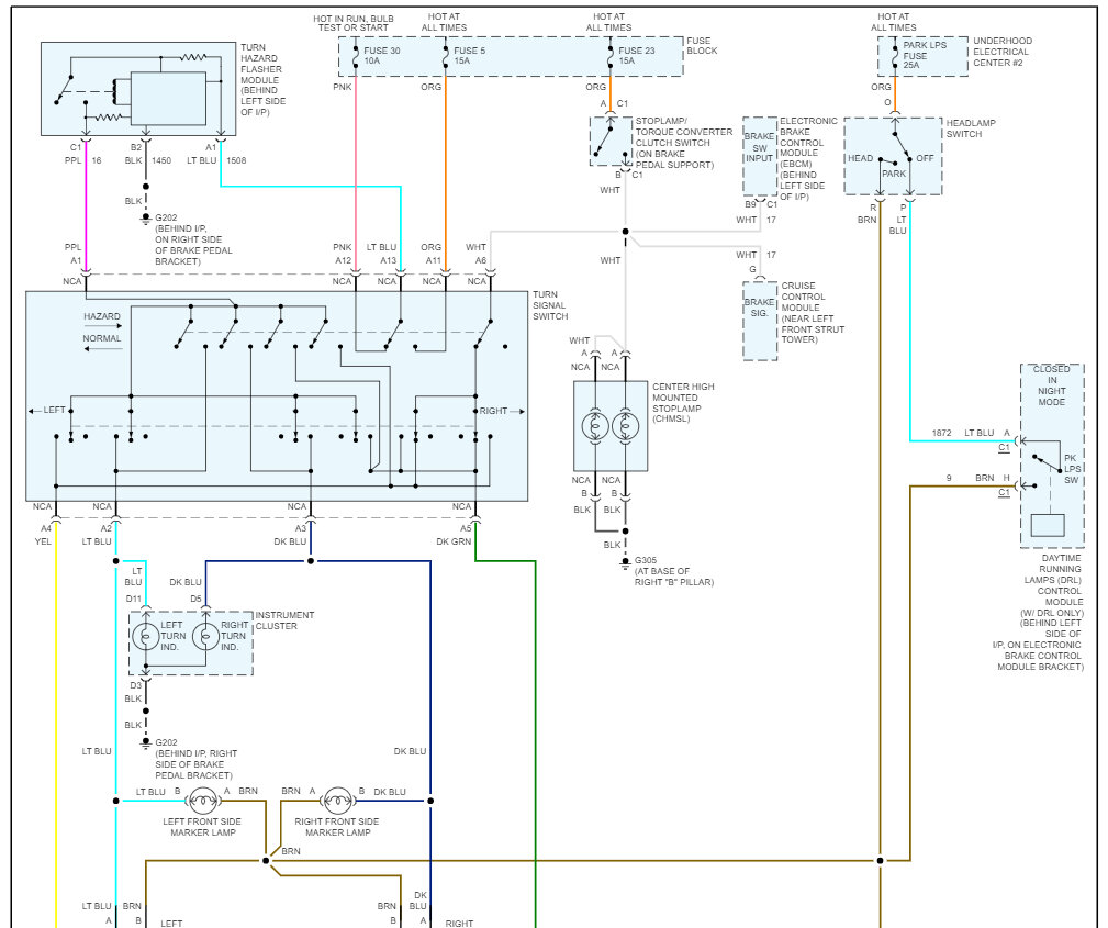
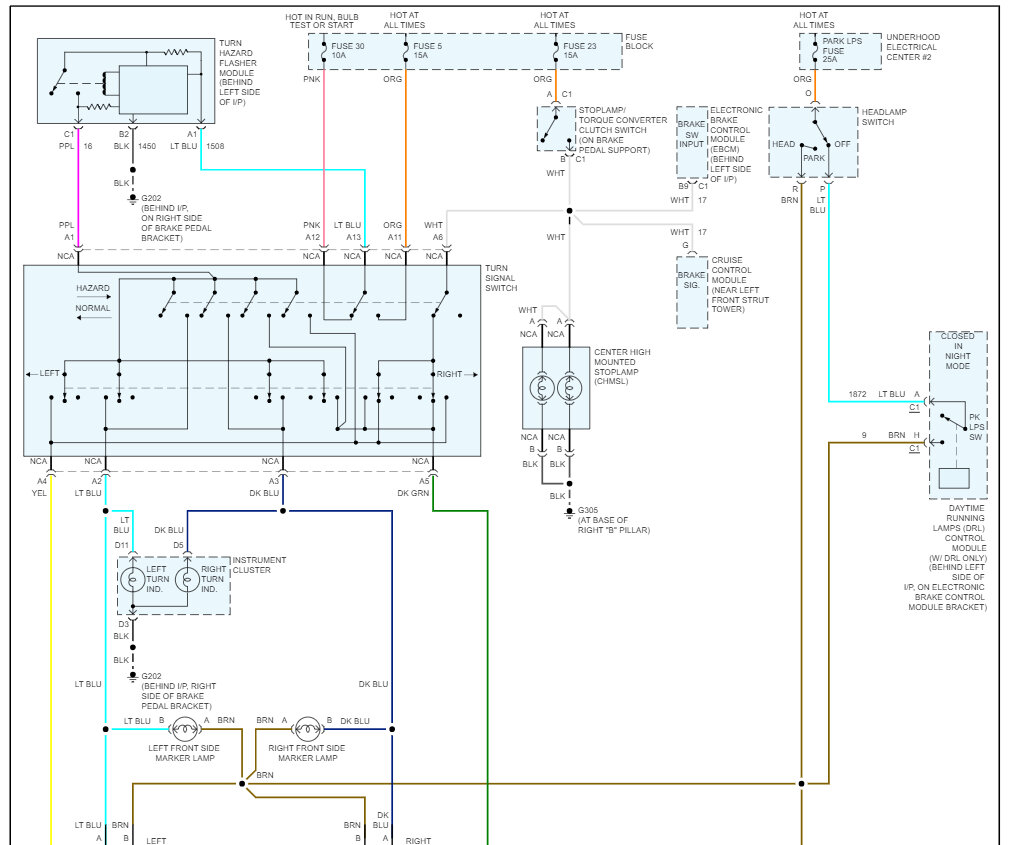
I have 3 models listed of the lumina
lumina
lumina APV
lumina LS
I have a DRL listed for each model
It looks from the wiring diagram that it maybe optional ?
could you supply vin # ... or you could call a dealer with the VIN #

let me know !
Tuesday, January 6th, 2009 AT 12:36 PM