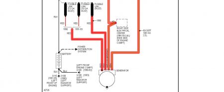
1993 Chevy Lumina 6 cyl Front Wheel Drive
replaced alternator charged batt car started but only ran for about 2-3 min until batt went dead then stalled their is no voltage between the neg. Post on batt and the red wire on alt their is no lights on dash in reguards to batt voltage or chk engine
Sunday, July 11th, 2010 AT 3:08 PM







