1992 Chevy Lumina Please Help

Tiny
INDIANAGIRL75
  • MEMBER
  • 1992 CHEVROLET LUMINA
Other Category problem
1992 Chevy Lumina V6 Wheel Drive Type unknown Automatic? Miles

Ok, Here's what my car is doing. I can start it, drive it around for a little while, and it acts like it runs out of gas and dies, then won't start, I got back in a month or so later, and it started fine, but done the same thing, acted like it ran out of gas, and died again. Sometime when giving it gas, it also has rough idle. Please Help me figure out where to start.
Sunday, December 2nd, 2007 AT 9:25 PM

2 Replies

Tiny
BLACKOP555
  • MECHANIC
  • 10,386 POSTS
Sounds to me like you have a bad fuel pump, check for fuel pressure when the car dies out, if you have none check the pump.
Was this
answer
helpful?
Yes
No
Monday, December 3rd, 2007 AT 7:16 AM
Tiny
KEN L
  • MASTER CERTIFIED MECHANIC
  • 55,488 POSTS
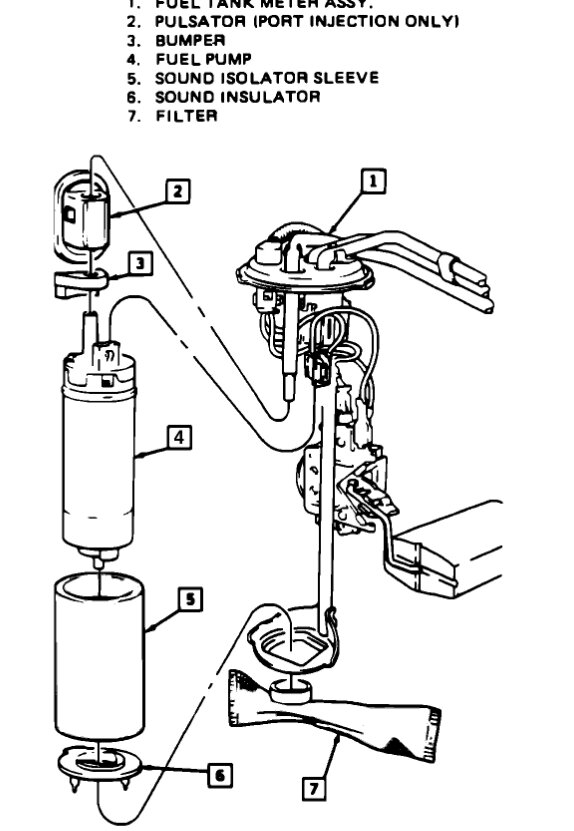
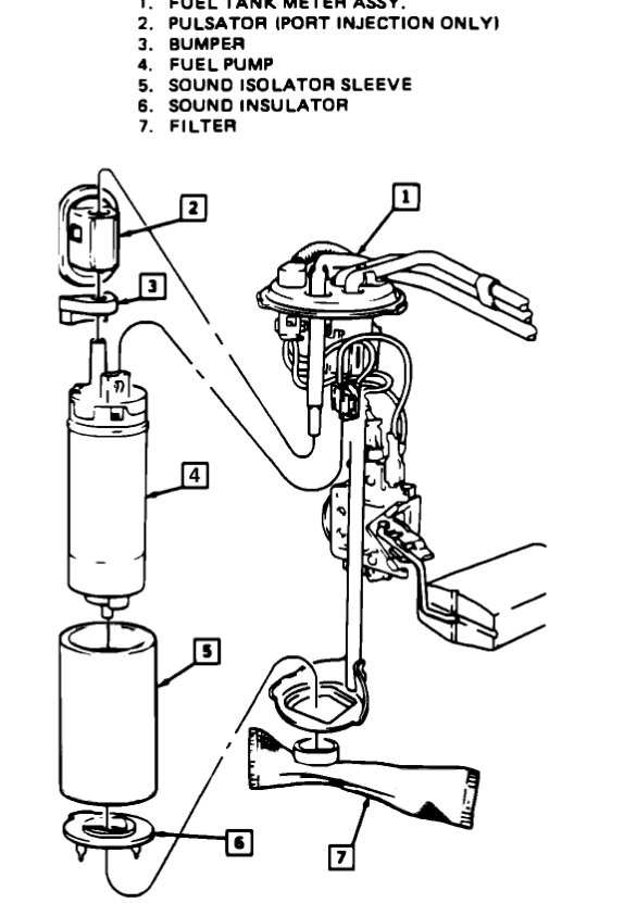
Here is how to change the fuel pump out which is a common failure. NOTE: DO NOT handle the fuel sender by the fuel tubes. Due to the length of the tubes, the amount of leverage generated by handling the tubes could damage the solder joints.

REMOVE OR DISCONNECT:

1. Negative battery cable.
2. Relieve fuel system pressure.
3. Drain fuel tank.
4. Fuel tank.
5. Fuel sender assembly.

DISASSEMBLE:

1. Support pump with one hand and grasp strainer with other hand. Rotate strainer in one direction and pull off of pump. Discard strainer after inspection.
2. Fuel pump electrical connector.
3. Place fuel sender assembly upside down on bench. Pull fuel pump downward to remove from mounting bracket, then tilt pump outward and remove from fuel pulse dampener.

NOTE: DO NOT run fuel pump unless submerged in fuel.

4. Inspect fuel pump strainer. If strainer is contaminated, the fuel tank should be cleaned. Fuel pump inlet for dirt and debris. If found, fuel pump should be replaced.

ASSEMBLE:

1. Rubber bumper and rubber insulator on fuel pump.
2. Position fuel sender assembly upside down. Install fuel pump between fuel pulse dampener and mounting bracket.
3. Fuel pump electrical connector.

IMPORTANT: Always install a new pump strainer when installing fuel pump.

4. Position new pump strainer on fuel pump and push on outer edge of ferrule until fully seated.

INSTALL:

1. Fuel sender assembly.
2. Fuel tank.
3. Add fuel and install fuel filler cap.
4. Negative battery cable.
5. Turn ignition switch to "ON, " position for two seconds, then turn to "OFF" for ten seconds. Again turn to "ON" position, and check for fuel leaks.
6. Perform the "Idle Learn Procedure." The ECM will need to relearn the IAC valve pintle position following battery reconnect.

Check out the images (below). Let us know how it goes
Was this
answer
helpful?
Yes
No
Tuesday, June 25th, 2024 AT 3:45 PM

Please login or register to post a reply.