1991 Chevy Lumina no injector Pulse or spark

Tiny
RAVENSWOOD1955
  • MEMBER
  • 1991 CHEVROLET LUMINA
  • 6 CYL
  • FWD
  • AUTOMATIC
  • 138,000 MILES
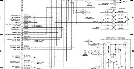
Found 15 amp fuse blown in r/f fuse and relay center for 3.1 ign. Trying to find a wire diagram for the circut that powers up the injectors as I have no 12v potential at the injector harness some wires were chafed behind the power steering pump. All the conduit behind there had rotted away and the wires have been grounding out there.
mainly looking for and over view of the injector and ignition circuts to make repair
Thursday, September 30th, 2010 AT 8:51 PM

3 Replies

Tiny
BMRFIXIT
  • MECHANIC
  • 19,053 POSTS


https://www.2carpros.com/forum/automotive_pictures/99387_lum_1.jpg




https://www.2carpros.com/forum/automotive_pictures/99387_lumi_2.jpg



https://www.2carpros.com/forum/automotive_pictures/99387_lumi1_1.jpg



https://www.2carpros.com/forum/automotive_pictures/99387_lumi2_1.jpg

Was this
answer
helpful?
Yes
No
+1
Thursday, September 30th, 2010 AT 9:19 PM
Tiny
RAVENSWOOD1955
  • MEMBER
  • 2 POSTS
Its nice to find a site where people know what there are doing.
Thanks much
Was this
answer
helpful?
Yes
No
Thursday, September 30th, 2010 AT 9:39 PM
Tiny
BMRFIXIT
  • MECHANIC
  • 19,053 POSTS
Thank you
let me know if need more or any other info.
Good luck tomorrow
Was this
answer
helpful?
Yes
No
Thursday, September 30th, 2010 AT 10:28 PM

Please login or register to post a reply.