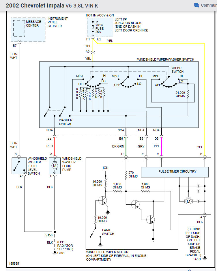
Saturday, August 9th, 2008 AT 9:54 AM
My Impala's windshield wipers when I turn them off do not stay down, they stay straight up. I have been told that I need a new motor. I was told this by the dealership. This will cost me a good 250.00. Is there anything else that can be done instead of replacing the whole thing just because of that?



