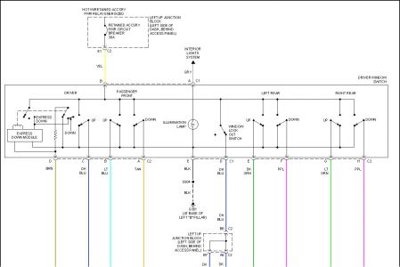
power car windows do not work, tried power relay from passenger side as suggested by autozone, it di d not make windows work, also tried new swith which did not make windows work, they occasionaly make buzzing sound when attempting to put down drivers window, but to no avail.(Sae with both new and old swithc)m the problem began slowly, sometimes widows only working when door was shut or car running. Clostrophobic-any help would be appreciated by out of work car industry husband and his disabled wife. Thanks---could it be new relay needed. That other relay from passenger side would not work for some reason?
Tuesday, September 15th, 2009 AT 4:16 PM


