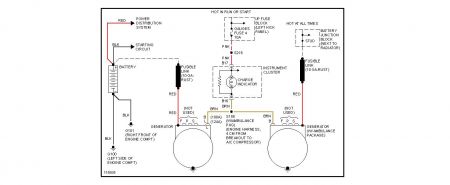
1999 Chevy Express V8 Two Wheel Drive Automatic 200k miles
When I am accelerating from a stop or from the speed that I am at. Or going up hill and I have to increase the amount of force to keep the same speed, the battery indicator light comes on and the voltage gauge shows that there is no charging(between 12-13 volts). When the speed of my vehicle has stabilized or the vehicle is stationary(and running), the charging indicators on the instrument panel are showing all is well(13-15 volts).
What is the cause of this and how can I fix it.
Thanks,
Winston.
Saturday, July 24th, 2010 AT 7:22 PM




