PCV Valve

Tiny
PERICKSON2
  • MEMBER
  • 2005 CHEVROLET EQUINOX
Engine problem 6 cyl All Wheel Drive Automatic 30000 miles

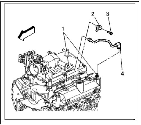
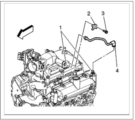
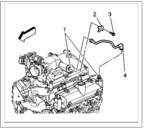
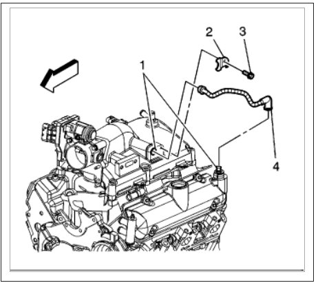
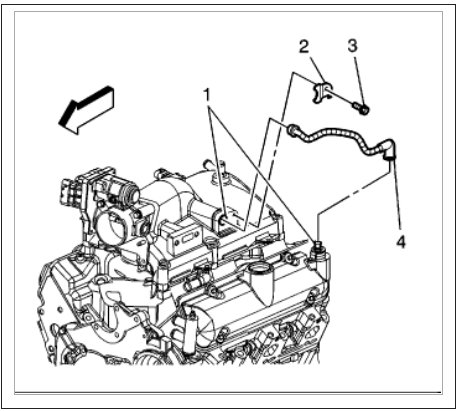
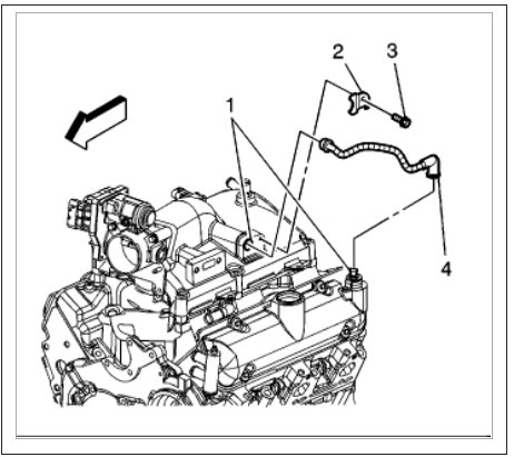
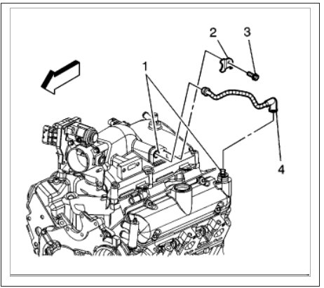
How do you change the PCV valve on a 2005 Chevy Equinox? It appears to have a retainer that holds it in place that is permanently mounted to the engine block.
Saturday, January 26th, 2008 AT 8:12 AM

1 Reply

Tiny
KEN L
  • MASTER CERTIFIED MECHANIC
  • 55,322 POSTS
Hello,

The PCV valve is located and the rear of the engine on the left side inside the vacuum tube. Here are some diagrams to show you the location and how to remove it. Check out the diagrams (Below) Please let us know if you need anything else to get the problem fixed.
Was this
answer
helpful?
Yes
No
+1
Saturday, December 2nd, 2017 AT 6:11 PM

Please login or register to post a reply.