Sunday, January 28th, 2007 AT 11:18 PM
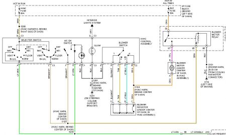
Chevrolet Cavalier, 2001, 120,000 miles. I've had this problem for quite some time and don't know how to fix it. There are 4 fan settings for my car and the first 2 do not work. Any ideas on how to fix it?


